Pasar al contenido principal
Navegación principal
HOME
NORMAS TÉCNICAS
ESPECIFICACIONES TÉCNICAS LOCALES
ESPECIFICACIONES TÉCNICAS CORPORATIVAS
CONTACTO
Menú de cuenta de usuario
Iniciar sesión
Sobrescribir enlaces de ayuda a la navegación
Inicio
Normas Técnicas
ACOMETIDAS Y MEDIDORES
Acometidas Eléctricas
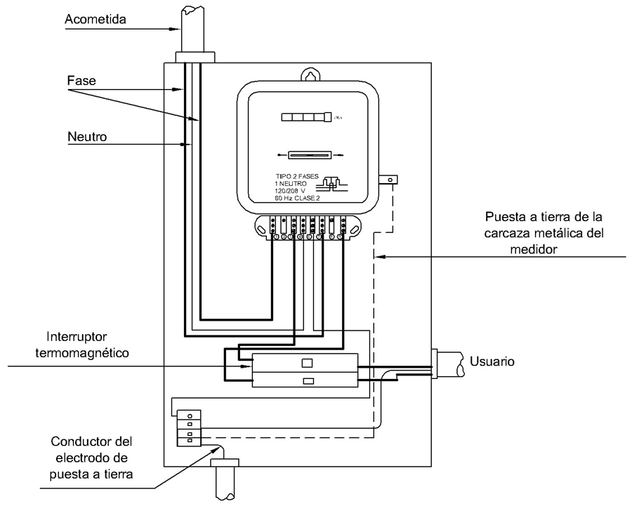
AE203-1 Acometida - Esquema De Conexión Para Caja De Medidor Monofásico Y Bifásico
AE203-1 Acometida - Esquema de conexión para caja de medidor monofásico y bifásico
Contenido
CONEXIÓN PARA MEDIDOR MONOFÁSICO
CONEXIÓN ASIMÉTRICA PARA MEDIDOR BIFÁSICO
DATOS ADICIONALES
Revisión #
2
Fecha de entrada en vigencia
03 Julio 2014
HERRAMIENTAS
Descargar archivo
RELACIONADAS
Actividad de los usuarios
Para hacer comentarios debe
iniciar sesión
o registrarse
aquí
Estado del comentario
X
×
Actividad de los usuarios
Para hacer comentarios debe iniciar sesión o registrarse aquí