ET-AT305 Herrajes para líneas aéreas de alta tensión
- Contenido
1. OBJETO
El objeto de la presente especificación, es fijar las características mínimas que deben cumplir los herrajes y accesorios, a ser empleados en la construcción de líneas de transmisión nuevas y en transformaciones de líneas existentes de Enel Colombia
2. CAMPO DE APLICACIÓN
Esta especificación está desarrollada para herrajes que se utilizarán en líneas aéreas con voltajes iguales o superiores a 57,5 kV, para fijar, empalmar, proteger, separar, etc., conductores de aleación de aluminio y/o cables de guarda.
3. DEFINICIONES
Herrajes: Dispositivo metálico que tiene como fin la fijación, empalme , protección eléctrica o mecánica, reparación, separación, amortiguamiento de vibraciones, etc. de los conductores o cables de guarda y los cables de templetes. El término utilizado como herraje es el mismo que se aplica para morsetería.
El término herraje comprenderá:
- Elementos de la cadena
- Elementos de protección eléctrica
- Grapas y empalmes
- Contrapesos mecánicos
- Elementos para conductores y cables de guarda
- Elementos y accesorios para templetes
- Elementos para protección mecánica
- Elementos para cable de guarda
Herrajes para cadena: Herrajes que tiene elementos de acople, los cuales permiten uniones articuladas:
- Entre los componentes de las cadenas de aisladores
- Entre las cadenas y los soportes
Los elementos de acople de los herrajes para cadenas, considerados en esta norma, serán en: bola y cuenca (rótula); según norma IEC 60120
Grapas de suspensión y retención: Herrajes que se utilizan para transmitir a la estructura directamente o a través de la cadena de aisladores, los esfuerzos producidos por el peso del cable , la fuerza del viento, los esfuerzos de tracción del cable debidos a su carga mecánica y a los ángulos de deflexión de la línea.
corriente de contacto : Es la que circula a través de las superficies de contacto entre dos o más elementos conductores.
Corriente de paso: Es la que circula a través de un solo elemento conductor.
Carga sin deformación permanente: Es el valor de carga estática soportado por la pieza, para la cual no ocurren alteraciones dimensionales y/o geométricas que puedan perjudicar la reutilización del herraje.
Notas:
- Después de la aplicación de la carga sin deformación permanente deberá ser posible realizar el montaje y desmontaje manual de la pieza y de los elementos acoplados a esta.
- Serán aceptables pequeñas deformaciones resultantes de superficies de apoyo .
- La carga sin deformación permanente corresponde al 60% de la carga de ruptura de la pieza.
Carga de rotura: Es el valor de carga estática para la cual la deformación excesiva o la ruptura hacen la pieza inutilizable.
Carga de deslizamiento: Es el valor de carga estática para el cual no ocurre deslizamiento del cable en la pieza bajo ensayo .
4. NORMAS RELACIONADAS
Para el diseño, fabricación y pruebas, los herrajes así como sus componentes, deberán cumplir con las prescripciones de la última versión de las siguientes normas:
| IEC 60060 | Técnicas para pruebas de alta tensión |
| IEC 61284 | Requirements and test for fittings. |
| IEC 60120 | Ball and socket couplings of string insulator units - Dimensions |
| IEC 60372 | Locking devices for ball and socket couplings of string insulator units |
| IEC 63137 | Standard test radio-frequency connectors |
| IEC 61897 | Requirements and tests for Stockbridge type aeolian vibration dampers. |
| ASTM A-153 | Specification for Zinc Coating (Hot-Dip) on Iron and Steel Hardware. |
| NTC-ISO 2859-1 | Sampling procedures for inspection by attributes. Part 1. Sampling schemes indexed by acceptance quality limit (AQL) for lot by lot inspection. |
| NTC 2076 | Recubrimiento de zinc por inmersión en caliente para elementos en hierro y acero. |
5. REQUERIMIENTOS DE CALIDAD
El oferente deberá tener implementado un sistema de calidad basado en las normas de la serie ISO -9000, el cual cubra los procedimientos para diseño, manufactura, instalación, servicios, inspecciones y pruebas.
Este sistema de calidad deberá estar debidamente CERTIFICADO.
6. CARACTERÍSTICAS CONSTRUCTIVAS
6.1 GENERALES
Los materiales usados deberán satisfacer los requisitos normales de servicio y no deberán presentar corrosión, ni provocarla en cualquiera de las partes restantes del conductor o del cable de guarda.
El material para herrajes de compresión deberá ser capaz de superar el trabajo en frío del material debido a la compresión. Además, los componentes en compresión de acero deben tener una resistencia al impacto suficiente después de la compresión.
Para garantizar el acoplamiento entre los elementos, es fundamental que los accesorios ofertados sean por conjuntos completos, garantizando el perfecto acople entre sus diferentes componentes.
6.2 DISEÑO Y CONSTRUCCIÓN
Los herrajes deberán diseñarse y fabricarse de forma que:
- Se evite dañar el conductor en condiciones de servicio .
- Soporten las cargas de montaje, mantenimiento y servicio , la corriente de servicio y la de cortocircuito , las temperaturas de servicio y las condiciones del medio ambiente.
- Se asegure que cada componente individual este fijo de forma que no pueda aflojarse durante el servicio .
- El efecto corona sea permisible.
La fragilidad de las piezas se evita utilizando procesos de fabricación y materiales adecuados. Sin embargo para niveles de tensión de 220 kV y superiores, los materiales deben ser anticorona.
Para facilitar el mantenimiento , las fijaciones no deben realizarse con pernos, tuercas, golillas (arandelas), exigiéndose el uso de pasadores con chavetas de seguridad de acero galvanizado.
Las grapas de retención pueden ser del tipo empernadas o de compresión.
6.3 MATERIALES
Los herrajes deben ser fabricados con los materiales adecuados para cumplir con los objetivos eléctricos y mecánicos.
Las pastas antioxidantes empleadas en los empalmes y en las grapas de retención (a compresión o preformadas) deben:
- Ser insolubles en agua
- Ser químicamente neutras con relación a los materiales que estén en contacto con la atmósfera.
- Mantener las características anticorrosivas, eléctricas y mecánicas de conexión, en el intervalo de temperatura previstas para operación de la línea.
- No ser tóxicas.
6.4 TERMINACIÓN SUPERFICIAL
Debe asegurarse que la terminación superficial de los herrajes presente superficie continua, sin fisuras, ni desprendimiento de capas ni superposición de estratos ni sopladuras, etc., debiéndose evitar la presencia de juntas y cantos vivos para evitar los fenómenos de efluvios. Las partes en contacto con el conductor o cable de guardia estarán cuidadosamente terminadas para que en su superficie no aparezcan rebabas o irregularidades.
Las cabezas de pernos, tuercas y otros elementos deben ser redondeadas.
Los herrajes de la cadena, deben ser galvanizados en caliente.
El torque de apriete de los pernos se debe indicar obligatoriamente.
NO se permite el uso de soldadura en los herrajes.
6.5 PROTECCIÓN CONTRA LA CORROSIÓN
Todas las partes de los herrajes relativas a aisladores, cables conductores y cables de guardia, deberán ser resistentes a la corrosión atmosférica, o ser adecuadamente protegidos contra la corrosión , la cual puede producirse durante el transporte, el almacenaje y durante el servicio . Todas las partes férricas que estarán expuestas a la atmósfera en servicio , excepto aquellas fabricadas en acero inoxidable apropiado, deben estar protegidas mediante galvanización en caliente.
El galvanizado debe cumplir con los siguientes parámetros:
| REQUISITOS DE GALVANIZADO | ||||
| ELEMENTO | PROMEDIO | MÍNIMO | ||
| g/m 2 | µm | g/m 2 | µm | |
| Platinas | 458 | 65,4 | 381 | 54,4 |
| Elementos Roscados | 397 | 56,6 | 336 | 48 |
6.6 SUJECIÓN ENTRE LAS PIEZAS
La sujeción entre las piezas se hará mediante bulones (pernos), espárragos, tuercas y arandelas de acero inoxidable o de acero zincado. Las cabezas de los bulones y tuercas deberán ser hexagonales, quedando descartado el uso de tornillos prisioneros.
Los bulones de ajuste estarán provistos de arandelas planas y grower o cualquier otro método de bloqueo que impida su desajuste por vibraciones.
Los pernos y bulones que no sean de ajuste se proveerán de pasadores de aletas (chavetas) de acero inoxidable.
Cuando no se indique lo contrario, las roscas serán métricas Sistema ISO.
Los accesorios de los conductores de línea y de hilos de guarda no deberán emplear partes roscadas sometidas a esfuerzos de tracción.
6.7 ELEMENTOS A COMPRESIÓN
Los elementos de retención de conductores o cable de guardia deberán ser del tipo a compresión, en cuyo caso deberán tener elementos de regulación, o bien grapa de tipo cable pasante, garantizando simultáneamente las características mecánicas y eléctricas para cada uso en particular, aún en estados límites de tensión mecánica y temperatura. Sus extremidades serán cónicas con superficie de contacto adecuado que no provoquen daño a los conductores o cables de guarda.
6.8 DIMENSIONES
Las dimensiones de los herrajes deberán cumplir con lo especificado en las Tablas de Características Técnicas Garantizadas.
6.9 MARCADO
El marcado deberá ser claro e indeleble y deberá cumplir con lo recomendado en la norma IEC 61284. Además deberá incluir los siguientes aspectos:
- Identificación del herraje
- Identificación del fabricante
- Fecha de fabricación (mes y año)
- Rango de diámetros de conductor o códigos de conductor, según se acuerde (cuando aplique).
- Par de apriete de la tornillería (cuando aplique)
6.10 CARACTERÍSTICAS ESPECÍFICAS DE LOS HERRAJES
6.10.1 Características específicas de los herrajes de la cadena
Los herrajes de las cadenas se caracterizarán por la resistencia mecánica a la tracción definidas por su carga de rotura, la cual se especifica en las tablas de características técnicas garantizadas.
TABLA N° 1 VALORES MÍNIMOS DE CARGA DE ROTURA DE LAS GRAPAS Y EMPALMES
| Tipo de herrajes | Porcentaje de la carga mínima de rotura a la tracción del cable especificado | |
| Rotura | Deslizamiento | |
| Grapa de suspensión para conductor o cable de guarda | 60% | 25% |
| Grapa de retención tipo pistola | 80% | 50% |
| Grapa de retención tipo Compresión | 100% | 90% |
| Empalme de compresión del conductor o cable de guarda | 90% | |
6.10.2 Características especificas de las grapas de suspensión
La resistencia mecánica de las grapas de suspensión, se caracterizará por la carga de rotura vertical o de deslizamiento, establecidas en la Tabla N°1 anterior.
Para facilitar la movilidad del cable , las extremidades y los contornos de la grapa deberán tener una curvatura adecuada y no presentar ángulos vivos.
El apriete del cable debe ser circunferencial con el fin de minimizar la concentración de esfuerzos
La grapa debe tener el menor peso posible.
El momento de inercia de la grapa con relación a su eje de suspensión, debe ser lo mínimo posible.
6.10.3 Características específicas de las grapas de Retención
La resistencia mecánica de las grapas de retención, se caracteriza por las cargas de rotura o de deslizamiento definidas en la Tabla N°1 anterior.
Las superficies internas de la grapa de retención tipo compresión, deben presentar hermeticidad al agua después de la compresión.
Para el caso que las grapas de retención tipo compresión, deban instalarse con el empleo de compuestos antioxidantes, el fabricante debe indicar sus características y método de aplicación.
La resistencia eléctrica del tramo comprendido entre los extremos de las grapas de retención tipo compresión, no debe ser superior a la del conductor de la misma longitud.
Todos los pernos de ajuste y pines de acoplamiento, serán de acero galvanizado.
Así mismo, las grapas irán provistas de un ojal auxiliar para el tensionamiento.
6.10.4 Características específicas de los empalmes de Compresión
La resistencia mecánica de los empalmes de compresión, tubo de empalme tipo compresión, conector tubular a compresión, se caracteriza por las cargas de rotura o de deslizamiento definidas en la Tabla N°1.
La superficie interna en los extremos del empalme tipo compresión, debe tener la forma adecuada para evitar el aplastamiento o el corte de los alambres de la capa externa del cable .
Para el caso que los empalmes tipo compresión, deban instalarse con el empleo de compuestos antioxidantes, el fabricante debe indicar sus características y método de aplicación.
Después de la compresión el empalme deberá presentar hermeticidad a la filtración del agua.
La resistencia eléctrica del empalme no deberá ser superior a la del conductor de la misma longitud.
6.10.5 Varillas de armar preformadas
Las preformadas de aleación de aluminio, deberán ofrecer una buena protección del conductor contra la flexión, abrasión y arcos eléctricos, y eventual reparación de hilos rotos del conductor.
Sus dimensiones serán definidas en los anexos según se solicite.
6.10.6 Amortiguadores
El viento da lugar a diversos fenómenos de tipo oscilatorio en las líneas aéreas eléctricas, entre los que destaca la vibración eólica que afecta en mayor o menor medida a todas las líneas y es de frecuencia relativamente elevada, de manera que sin las debidas protecciones da lugar a problemas de fricción-fatiga, incluso roturas, en los propios cables y en los herrajes y apoyos. La vibración eólica se produce por excitación resonante del cable por el viento y por lo tanto su amplitud va a ser aquella que produzca el equilibrio entre la energía introducida por el viento y la disipada por el conductor, controlada por el amortiguamiento del mismo. Añadiendo amortiguadores o anti vibradores al cable se consigue reducir la amplitud de esta vibración y la deformación a la salida de la grapa a valores inferiores a límites prefijados. Para la selección del amortiguador adecuado a cada caso concreto es conveniente realizar un estudio que incluya los siguientes puntos:
- Identificación clara de la línea sobre la que se instalarán los amortiguadores: zona, tensión ,...
- Características del conductor sobre el que se instalarán los amortiguadores: características geométricas y mecánicas.
- Tipos de grapas y de varillas de protección.
- Tense del conductor en el vano medio, sin sobrecargas, a la temperatura media del mes más frío del año.
- Vanos mínimo, medio y máximo.
- Características orográficas, tipo de terreno y vegetación a lo largo de la línea. Información eólica de la zona atravesada por la línea.
- Existencia de vanos especiales y sus características particulares: cruces de lagos, ríos, barrancos, vanos de longitud superior a 700m,...
A partir de estos puntos se realizará un análisis que determinará:
- La necesidad o no del uso de amortiguadores.
- El tipo de amortiguador necesario.
- Distancia óptima de colocación de los amortiguadores y número de éstos en cada vano para que en los distintos vanos no se sobrepasen los límites prefijados de deformación en los alambres del conductor, tanto en la salida de la grapa de suspensión o amarre como en la salida del propio amortiguador. Los amortiguadores utilizados en las Líneas Aéreas de Codensa serán del tipo Stockbridge y se aplicarán en toda la gama de conductores y cables de Tierra .
Para los amortiguadores Stockbridge se efectuarán pruebas para determinar sus características de amortiguamiento. Si la curva difiere de los valores garantizados, los amortiguadores serán rechazados

Tabla A.1.25 Amortiguadores tipo Stockbridge
| CARACTERÍSTICAS TÉCNICAS GARANTIZADAS AMORTIGUADOR | OFERTADO | ||
| N° | DESCRIPCIÓN | ||
| ITEM | CARACTERÍSTICA TÉCNICA GARANTIZADA | UNIDAD | |
| 1 | Fabricante | - | |
| 2 | Normas de diseño, fabricación y pruebas | IEC 61897 | |
| 3 | Características generales | ||
| 3.1 | Apto para trabajar con conductores AAAC y ACSR CABLE 605 MCM | Sí/No | |
| 4 | Características técnicas | ||
| 4.1 | Grapa de sujeción en aleación de aluminio 356 T6, libre de porosidades, grietas, rebabas o aristas cortantes. | Sí/No | |
| 4.2 | La grapa abierta, debe permitir sostener por su propio peso el amortiguador. | Sí/No | |
| 4.3 | Cable mensajero en acero galvanizado. | Sí/No | |
| 4.4 | Contrapesos en hierro nodular, galvanizado en caliente. | Sí/No | |
| 4.5 | Contrapesos con superficies lisas y bordes redondeados. | Sí/No | |
| 4.6 | Cantidad de frecuencias de resonancia. | Unidad | |
| 4.7 | Tornillo y arandela de presión en acero galvanizado o acero inoxidable. | Sí/No | |
| 4.8 | Torque de apriete óptimo del tornillo. (A Indicar por el fabricante) | Lb-ft | |
| 4.9 | Amortiguador libre de defectos o imperfecciones. | Sí/No | |
| 4.10 | Tamaño nominal del amortiguador. | kg | |
| 4.11 | Rango de calibres de conductores para los cuales se especificó el uso del amortiguador. | AWG (mm 2 ) | |
| 4.12 | Distancia “d” para cada tipo de conductor | ||
| 4.13 | Cantidad de Amortiguadores (Por fase en cada extremo) 300-365 365-670 >670 | ||
| 5 | Pruebas según NTC 3524 | Sí/No | |
| 6 | Marcación según E.T. | Sí/No | |
| 7 | Documentación | ||
| 7.1 | Catálogos, planos y recomendaciones de selección e instalación. | Sí/No | |
| 8 | Certificación de sistema de calidad (Norma ISO9001) | Entidad certificadora | |
| Número de certificado | |||
| Fecha de aprobación (Día/Mes/Año) | |||
| Vigencia | |||
| Adjunta el certificado (Si/No) | |||
| 9 | Certificación de producto con norma técnica | Entidad certificadora | |
| Número de certificado | |||
| Fecha de aprobación (Día/Mes/Año) | |||
| Vigencia | |||
| Norma técnica con la cual se certifica | |||
| Adjunta el certificado (Si/No) | |||
| 10 | Certificación de producto con RETIE | Entidad certificadora | |
| Número de certificado | |||
| Fecha de aprobación (Día/Mes/Año) | |||
| Vigencia | |||
| Adjunta el certificado (Si/No) | |||
7. INSPECCIÓN TÉCNICA Y PRUEBAS
7.1 GENERAL
El fabricante deberá efectuar todas las inspecciones y pruebas de rutina y muestreo según se indica en la Norma IEC 61284 y enviar copia de los protocolos de esas inspecciones y pruebas al cliente.
Cuando se indique expresamente en el anexo, el cliente realizará la supervisión de todas la pruebas que se lleven a cabo a los herrajes y al proceso de fabricación, por lo tanto, el representante de la Empresa (Inspector), deberá tener acceso en cualquier momento a inspeccionar el trabajo en proceso de manufactura y a aquellas pruebas que considere recomendables, siempre y cuando esto no ocasione demoras en la producción del material o de las unidades aceptables.
El fabricante adjudicado deberá proveer por su cuenta, facilidades razonables incluyendo herramientas e instrumentos para tales fines, y para la obtención de aquella información que el Inspector requiera respecto del progreso y el modo en que se efectúan los trabajos y los protocolos de los materiales usados.
Si los materiales no satisfacen los requerimientos de esta especificación, el lote de cualquier porción que falle podrá ser rechazada. El hecho de que los materiales o las unidades hayan sido razonablemente inspeccionadas, probadas y aceptadas por el Inspector no liberará al fabricante de su responsabilidad en el caso del descubrimiento posterior de defectos.
Los herrajes, deberán haber completado las pruebas Remesa o Rutina y Muestreo descritas en la norma IEC 61284 antes de su envío al cliente.
Deberá controlarse todos los procesos de maquinado y tratamientos térmicos para que todas las piezas y partes del equipo queden debidamente protegidas contra la corrosión .
7.2 PRUEBAS TIPO
El fabricante deberá poseer ensayos tipo de todos los elementos a suministrar y deberá comprobarlo mediante protocolos emitidos por un laboratorio independiente, copia de los cuales enviará al cliente. Se aceptarán esos protocolos siempre y cuando el diseño de los herrajes y accesorios no haya cambiado.
Cuando sea solicitado en el anexo el fabricante deberá cotizar la realización de los ensayos de tipo solicitados por el cliente. El precio de los ensayos de Tipo deberá ser anexado como parte de la oferta.
En caso de que como resultado de éstos ensayos, los valores garantizados no se cumplan, el cliente no abonará el importe de ensayos de elementos fallidos quedando a cargo del fabricante quien deberá efectuar todas las modificaciones y/o reemplazos de tipo o modelos, de modo de cumplir con los valores garantizados.
El laboratorio debe contar con la aprobación de Codensa.
Los ensayos de tipo se realizarán sobre:
a) Una unidad completa de cada tipo y/o modelo junto con su cadena de aisladores.
b) Una o varias piezas componentes de la unidad de ensayos, y a pedido de Codensa sobre piezas de unidades distintas.
La disposición de los elementos en el uso de cadenas será la establecida en la Norma IEC-60383.
La falla en uno o más ensayos de una unidad implicará el rechazo del modelo .
7.2.1 Ensayos Electrotérmicos
A los conjuntos completos, incluyendo los accesorios que forman las cadenas de aisladores (suspensión, retención, etc.) se realizarán los ensayos indicados, con el objeto de determinar la influencia de dichos accesorios sobre tales cadenas.
En todos los casos las muestras se prepararán de acuerdo con el párrafo de la Norma VDE 0212, correspondiente:
Tensión de descarga a frecuencia industrial en seco y bajo lluvia
Según la metodología establecida en las Normas IEC 60383 e IEC 60060.
Tensión crítica de impulso de 50 (cincuenta) por ciento para las polaridades positivas y negativas
Según Normas IEC 60383 e IEC 60060.
Tensión resistida a los impulsos atmosféricos en seco positivos y negativos, mediante una onda de 1,2/50 uS
Según Normas IEC 61383 e IEC 60060.
7.2.2 Ensayos de Efecto Corona y Radiointerferencias
Para la realización de estos ensayos se deberán seguir los procedimientos y recomendaciones establecidas en el Capítulo 6 de la norma IEC 61284.
7.2.3 Calentamiento
Este ensayo de tipo estará destinado a asegurar el funcionamiento eléctrico durante largo tiempo para los herrajes conductores de corriente. Se deberán seguir los procedimientos y recomendaciones establecidas en el capítulo 13 de la Norma IEC 6128
7.2.4 Ensayo de fijación de contrapesos en amortiguadores
Se aplicará una carga de tracción entre los contrapesos de un amortiguador ensamblado. Se incrementará esta carga hasta alcanzar 5 kN y se mantendrá durante 60 s.
Se incrementará a continuación la carga hasta que uno de los contrapesos se arranque del cable portador.
No se aceptarán movimientos relativos superiores a 1 mm entre cada contrapeso y el cable portador durante los 60 s de aplicación de la carga de 5 kN o previamente.
7.2.5 Ensayo de fijación de la grapa al cable portador
Se aplicará una carga de tracción entre el cable portador y el cuerpo de la grapa. Se incrementará esta carga hasta alcanzar 1,5 kN y se mantendrá durante 60 s. Se incrementará a continuación la carga hasta que la grapa se arranque del cable portador.
No se aceptarán movimientos relativos de la grapa respecto del cable portador superiores a 1 mm durante los 60 s de aplicación de la carga de 1,5 kN o previamente.
7.2.6 Ensayo de comportamiento del amortiguador
Se especificará la variante del ensayo de comportamiento junto con sus respectivos criterios de aceptación de entre las dos siguientes:
- Variante A: El amortiguador se fijará a un excitador controlado mediante un oscilador sinusoidal con salida variable en frecuencia y amplitud. Se ilustrarán los resultados del ensayo como gráficos de la impedancia del amortiguador, el ángulo de fase entre la señal de fuerza y la señal de velocidad en la grapa del amortiguador y la potencia disipada por el amortiguador, las tres gráficas con respecto a la frecuencia.
Como criterio de aceptación de este ensayo se establece que, para todas las frecuencias de resonancia y las potencias disipadas, los amortiguadores deberán cumplir las fórmulas exigidas en la norma IEC 61897.
- Variante B: La evaluación de la eficacia de los amortiguadores se realizará mediante uno de los siguientes métodos, a acordar entre comprador y suministrador, y se realizará en tres muestras:
- Ensayos de laboratorio
Ensayos de campo
Método analítico
Los resultados de este ensayo solo son utilizados como referencia para los ensayos de muestreo, de forma que no hay criterio de aceptación descrito.
7.2.7 Ensayo de fatiga del amortiguador
Se efectuará el ensayo de fatiga del amortiguador a uno de cada tres amortiguadores de los que previamente se han sometido al ensayo de la respuesta del amortiguador, según el apartado 7.2.6.
Cada amortiguador se colocará por medio de su grapa a un vibrador controlado mediante un oscilador sinusoidal con salida variable en frecuencia y amplitud.
Se repetirán los ensayos de respuesta del amortiguador (numeral 7.2.6), de fijación de contrapesos al cable portador (apartado 7.2.4) y de fijación de la grapa al cable portador (apartado 7.2.5) después del ensayo de fatiga.
Los amortiguadores habrán pasado el ensayo si:
- Para cada amortiguador las correspondientes frecuencias de resonancia antes y después del ensayo no difieren entre ellas más del 20%.
- Los valores de la energía de amortiguamiento antes y después del ensayo a las diferentes frecuencias de ensayo no difieren más de un 20%.
- Ningún alambre del cable portador está roto.
- Se satisfacen los criterios de aceptación de los ensayos de fijación de contrapesos al cable portador y de fijación de la grapa al cable portador.
- El par de apriete residual de la grapa no es menor del 50% de su valor original.
7.3 PRUEBAS DE MUESTREO
Se realizarán las pruebas de muestreo definidas en la norma IEC 61284.
7.4 CRITERIOS DE MUESTREO, ACEPTACION Y RECHAZO
El muestreo se realizará acorde a la NTC-ISO 2859-1 utilizando un nivel de inspección I y un nivel de aceptación de 2,5%:
| Tabla inspección visual-dimensional | |||
| Tamaño del lote | Muestra | Aceptado | Rechazado |
| 2 a 8 | 2 | 0 | 1 |
| 9 a 15 | 2 | 0 | 1 |
| 16 a 25 | 3 | 0 | 1 |
| 26 a 50 | 5 | 0 | 1 |
| 51 a 90 | 5 | 0 | 1 |
| 91 a 150 | 8 | 0 | 1 |
| 151 a 280 | 13 | 1 | 2 |
| 281 a 500 | 20 | 1 | 2 |
| 501 a 1200 | 32 | 2 | 3 |
| 1201 a 3200 | 50 | 3 | 4 |
| 3201 a 10000 | 80 | 5 | 6 |
| 10001 a 35000 | 125 | 7 | 8 |
| 35001 a 150000 | 200 | 10 | 11 |
| 150001 a 500000 | 315 | 14 | 15 |
El muestreo se realizará acorde a la NTC-ISO 2859-1 utilizando un nivel de inspección S2 y un nivel de aceptación de 2,5%:
| Tabla inspección ensayos mecánicos | |||
| Tamaño del lote | Muestra | Aceptado | Rechazado |
| 2 a 8 | 2 | 0 | 1 |
| 9 a 15 | 2 | 0 | 1 |
| 16 a 25 | 2 | 0 | 1 |
| 26 a 50 | 3 | 0 | 1 |
| 51 a 90 | 3 | 0 | 1 |
| 91 a 150 | 3 | 0 | 1 |
| 151 a 280 | 5 | 0 | 1 |
| 281 a 500 | 5 | 0 | 1 |
| 501 a 1200 | 5 | 0 | 1 |
| 1201 a 3200 | 8 | 0 | 1 |
| 3201 a 10000 | 8 | 0 | 1 |
| 10001 a 35000 | 8 | 0 | 1 |
| 35001 a 150000 | 13 | 1 | 2 |
| 150001 a 500000 | 13 | 1 | 2 |
7.5 ENSAYOS DE RUTINA
En los precios cotizados deberán incluirse los costos de los ensayos de rutina según IEC 61284 a todos los componentes de los herrajes y que comprenderá por lo menos:
7.5.1 Inspección visual
Se verificará que las piezas estén compuestas por todos los elementos que la integran según los planos aprobados, no debiendo observarse imperfecciones superficiales (grietas, rebabas, grumos, rechupes, etc.) incompatibles con la terminación superficial garantizada.
7.5.2 Control dimensional
Se verificará que las piezas cumplan con las dimensiones y tolerancias indicadas en los planos aprobados y la verificación de los materiales empleados.
7.5.3 Verificación del galvanizado (zincado)
Inspección visual
Se realizara verificaciones del galvanizado por muestreo dependiendo de la cantidad de unidades incluidas en la adquisisción.
Espesor de la capa de zinc.
En los herrajes sometidos a galvanización, para la determinación del espesor de la capa de cinc se utilizará el método magnético, tomando 5 medidas del espesor de la capa de cinc sobre cada muestra . El promedio aritmético de las medidas no debe ser menor que el valor indicado en las características técnicas garantizadas.
Si el inspector de Codensa lo exige, se realizará el ensayo de Preece, para verificar la uniformidad de la capa de cinc según la norma ASTM A-239.
7.5.4 Ensayos no destructivos
Cuando sea solicitado, se deberán considerar las pruebas no destructivas indicadas.
7.5.5 Ensayos Mecánicos
Se consideran las siguientes pruebas:
Ensayos de Resistencia Mecánica para elementos de acople con las cadenas o aisladores polimericos.
Se someten los herrajes previamente galvanizados al 60% de su carga de rotura nominal , durante 1 minuto.
Después de este período, los herrajes deben examinarse, siendo rechazados si se presentan deterioros en el galvanizado, fallas superficiales o evidencias de deformaciones permanentes.
Solo se aceptan las deformaciones resultantes de la acomodación entre superficies de apoyo .
Posteriormente, la carga sobre los herrajes debe aumentarse hasta la rotura.
Los valores deben cumplir con lo exigido en las tablas de características técnicas garantizadas
Verificación de carga de deslizamiento y rotura de las grapas de suspensión, retención y empalmes
- General
Las grapas se ensayan con un tramo de cable ?? a 5 m de longitud, similar al definido para su uso.
El sistema de montaje de la prueba debe ser acordado entre el fabricante y el inspector de Codensa.
Para verificar el deslizamiento se aplica la carga gradualmente hasta alcanzar el valor de carga de deslizamiento de la grapa y se mantienen durante 1 minuto.
Después del ensayo la pieza no debe presentar ninguna deformación.
- Suspensión
Posteriormente se verificará la carga de rotura de las grapas aplicando inicialmente una carga equivalente al 80% de su carga de rotura Nominal durante 1 min. Las grapas se examinan y serán rechazadas en caso de que se presenten deformaciones.
A continuación, la carga sobre la grapa debe aumentarse hasta la rotura. Los valores obtenidos deben cumplir con lo indicado en la Tabla N°1.
- Retención y empalmes tipo compresión o preformadas
La longitud de la grapa o empalme debe medirse antes y después del ensayo , admitiéndose una tolerancia del 2% con relación a la longitud inicial.
Luego de medir el deslizamiento se llevará a cabo el ensayo de rotura si lo exige el Inspector.
- Retención tipo pasante (pistola)
Luego de medir el deslizamiento se llevará a cabo el ensayo de rotura si lo exige el Inspector.
Par de apriete de tornillos y/o bulones
Se aplicará un momento torsor igual al 200% para grapas de suspensión del par de apriete nominal especificado por el fabricante.
La prueba se llevará a cabo de la siguiente manera:
Se colocará en la grapa el conductor para el cual ha sido previsto y al término de la prueba se deberá verificar que:
a) No se manifiesten daños apreciables a simple vista o rotura en el cuerpo de la grapa y en ninguno de los componentes que integran el sistema de fijación.
b) No se produzcan deformaciones tales que impidan el desmontaje del herraje.
La verificación de la ausencia de daños en el material ensayado puede ser efectuada a criterio de Codensa mediante un examen radiográfico o cualquier otro método aceptado por ésta.
7.5.6 Análisis Químico
Se debe presentar un certificado de un laboratorio aprobado por Codensa, de análisis químico para la verificación porcentual de los elementos que puedan causar fragilidades, reducción de la conductividad o corrosión del herraje.
Para los materiales de acero o hierro fundido, el análisis químico debe informar la presencia porcentual de carbono, manganeso, fósforo, azufre.
Para las aleaciones de aluminio debe informar la presencia porcentual de cobre, hierro y Silicio.
Para las aleaciones de cobre, bronce y latón debe informar la presencia porcentual de zinc, fósforo y silicio.
La composición química se considera satisfactoria cuando las cantidades porcentuales de los elementos están de acuerdo con los valores exigidos en las normas.
7.6 PRUEBAS DE ACEPTACIÓN
- Verificación visual acorde al numeral 7.5.1
- Verificación dimensional, acorde al numeral 7.5.2
- Verificación espesor de galvanizado
- Prueba bajo carga de deslizamiento
- Prueba bajo carga de rotura
NOTA: El proveedor deberá realizar la prueba con el cable y muestreo requerido. Si no cuenta con las características técnicas del cable , deberá solicitarlas durante el proceso de licitación.
8. PROVISIÓN BÁSICA
El suministro comprende: La provisión de los herrajes completos, con sus piezas terminadas, pernos, tuercas, etc.
Cuando se soliciten pruebas de recepción en fábrica con presencia de inspectores del cliente, el costo de esos ensayos, incluyendo la provisión del material complementario, equipos, instrumentos y mano de obra necesaria, deberá ser cotizada en forma separada.
9. EMBALAJE Y TRANSPORTE
Todos los herrajes deberán ser embalados para transporte marítimo y terrestre de exportación, preparando los bultos de manera de proteger su contenido de deterioros por manipulaciones, golpes, humedad, ataque salino, robos, etc.
Para embarque y/o transporte el contratista priorizará el sistema de tipo "containers".
Cada cajón deberá ser marcado con un código seleccionado por el fabricante con el propósito de identificar el lote y el tipo de herraje.
Estas marcas deberán ser resistentes a la intemperie y a condiciones anormales durante el transporte y almacenaje.
Deberá incluirse en una tarjeta la siguiente información: número de unidades, tipo de unidades, el nombre del comprador y el número de la orden de compra. Esta tarjeta deberá ubicarse dentro de un bolsillo plástico externo, que resista el clima, el transporte y el manejo.
El conjunto de piezas constituyentes de una unidad que deban ser alojadas y transportadas en forma aislada, deberán ser correctamente identificadas, así como también su ubicación relativa, de manera de facilitar su posterior armado y montaje.
Todas las pequeñas piezas y/o accesorios, tuercas, bulones y arandelas que deban ser entregadas sueltas, deberán embalarse en cajas cerradas y etiquetadas.
Los repuestos deberán ser embalados en forma independiente en contenedores adecuados para ser almacenados por tiempo prolongado, e identificados adecuadamente con la leyenda "sólo repuestos". Deberán ser ubicados individualmente o en kits a ser usados en conjunto, de manera de facilitar su eventual uso y acarreo, de modo tal que repuestos no requeridos, no perturben la extracción de las partes necesarias.
El tipo de embalaje y su identificación deberá ser sometido a la aprobación de los representantes del Cliente antes del despacho desde la fábrica, y podrá ser rechazado en caso de no cumplir con las condiciones especificadas.
10. INFORMACIÓN TÉCNICA
10.1 GENERALIDADES
Todos los documentos relacionados con la propuesta, tales como planos, descripciones técnicas, especificaciones, deberán usar las unidades de medida del sistema métrico decimal.
El idioma a utilizar en todos esos documentos será el español o el portugués según lo que se indique en los documentos de licitación. En forma excepcional se aceptaran catálogos o planos de referencia en inglés.
10.2 INFORMACIÓN PARA LA PROPUESTA
Cada proponente deberá entregar junto con su oferta, la información solicitada en esta especificación y cualquier otra información necesaria que permita al cliente poder seleccionar los accesorios a adquirir.
Deberá incluirse por lo menos la siguiente información:
- Tablas de Características Técnicas Garantizadas debidamente diligenciadas (completas y firmadas).
- Protocolos de ensayos Tipo.
- Plazo de entrega
- Certificados de Calidad
- Planos de detalle de los herrajes incluyendo dimensiones (en sistema métrico) y materiales. (Incluyendo esquemas de corte).
- Listado de referencias, de suministros anteriores de por lo menos 5.000 conjuntos de herrajes para tensiones iguales o superiores a las solicitadas, con un tiempo de servicio superior a 6 años.
- Certificado de por lo menos 5 Empresas, en los cuales se afirme que herrajes similares a los ofertados, han presentado un comportamiento favorable.
- Cronograma general de trabajo que incluya las fases de fabricación, pruebas y entregas previstas.
- Catálogos, folletos y documentos descriptivos de información técnica actualizada sobre las características de los materiales de los herrajes, su tecnología de fabricación, su comportamiento y demás aspectos relevantes.
- Cuando se solicite, el costo de los ensayos de recepción en fábrica, incluyendo la provisión del material complementario, equipos, instrumentos y mano de obra necesaria.
- El oferente adjuntará con su propuesta el certificado de conformidad de producto con norma técnica y con RETIE , expedido por una entidad autorizada por la ONAC.
10.3 INFORMACIÓN PARA APROBACIÓN DEL CLIENTE
En un plazo de 30 días calendario, el fabricante deberá entregar para aprobación del cliente, dos copias en papel y archivo magnético con la siguiente información:
- Cronograma Detallado de las fases de fabricación, inspección , pruebas y entregas previstas.
- Memorias de procedimiento y formatos de los protocolos de pruebas de Remesa y Rutina a realizar.
- Planos de Detalles definitivos, que incluyan dimensiones y forma de armado de los herrajes.
- Listas de empaque
- Instrucciones para el almacenamiento, transporte, montaje y mantenimiento con o sin tensión en idioma Español o Portugués.
- Listado de herramientas especiales para montaje y mantenimiento con o sin tensión .
11. GARANTÍA
El fabricante garantizará que los herrajes que ofrece satisfagan todos los requerimientos de esta Especificación. La garantía para el material ofrecido será de 2 años desde el momento de su instalación o 3 años desde la fecha de entrega del material .
El fabricante deberá señalar en su oferta la aceptación de este tiempo de garantía.
ANEXO 1.
GRÁFICOS Y TABLAS DE CARACTERÍSTICAS TÉCNICAS GARANTIZADAS
Figura A1.1 Cadena de Suspensión Simple (Con Varilla De Armado)
| Item | Concepto | Cantidad |
| 1 | Horquilla-bola en “Y” | 1 |
| 2 | Rótula-ojo | 1 |
| 3 | Grapa de suspensión | 1 |
| 4 | Varilla de armado | 1 |
Tabla A1.1 Cadena de Suspensión Simple (Con Varilla De Armado)
| ITEM | DESCRIPCIÓN | UNIDAD | SOLICITADO | OFRECIDO | OBSERVACIÓN | |
| 1 | Modelo (designación de fábrica) | - | (*) | |||
| 2 | Norma de construcción y ensayos | - | IEC 61284 | (* *) | ||
| 3 | Tensión nominal | kV | 115 | (* *) | ||
| 4 | Conductor | (* *) | ||||
| 4.1 | Tipo | AAAC/ACSR | (* *) | |||
| 4.2 | Calibre | mm 2 /MCM | ||||
| 4.3 | Sección/Diametro | mm | ||||
| 5 | Acoplamiento | Clase 16 según IEC | (* *) | |||
| 6 | Peso herrajes | kg | (*) | |||
| 7 | Carga de rotura conjunto | KN / kg-f | 120 / 12.232 | (* *) | ||
| 8 | Pruebas Tipo | (* *) | ||||
| 9 | Corriente de corto circuito (1 seg) | kA | 14 | (* *) | ||
| 10 | Característica del galvanizado | |||||
| 10.1 | Platinas | Promedio | g/m 2 | 458 | ||
| µm | 65,4 | |||||
| Mínimo | g/m 2 | 381 | ||||
| µm | 54,4 | |||||
| 10.2 | Elementos Roscados | Promedio | g/m 2 | 397 | ||
| µm | 56,6 | |||||
| Mínimo | g/m 2 | 336 | ||||
| µm | 48 | |||||
NOTA: Anexar cuadro de características de los herrajes que componen la cadena
(*) Concepto a indicar por el oferente
(* *) Concepto de cumplimiento obligatorio
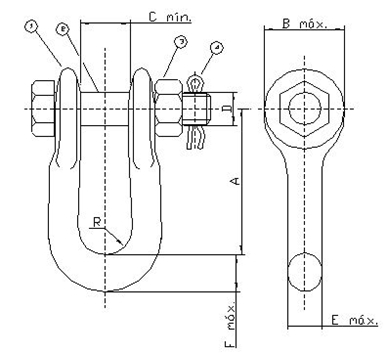
Figura A1.2 Horquilla bola en “Y”
| Item | Concepto |
| 1 | Cuerpo |
| 2 | Bulón |
| 3 | Pasador de seguridad |
| 4 | Tuerca |
Tabla A1.2 Horquilla bola en “Y”
| ITEM | DESCRIPCIÓN | UNIDAD | SOLICITADO | OFRECIDO | OBSERVACIÓN | |
| 1 | Modelo (designación de fábrica) | - | (*) | |||
| 2 | Norma de construcción y ensayos | - | IEC 61284 | (* *) | ||
| - | IEC 60120 | |||||
| 3 | Tensión nominal | kV | 115 | (* *) | ||
| 4 | Acoplamiento | Clase 16 según IEC | (* *) | |||
| 5 | Dimensiones | |||||
| 5.1 | A | mm | 63-67 | (*) | ||
| 5.2 | B | mm | 36 | (*) | ||
| 5.3 | C | mm | 38 | (*) | ||
| 5.4 | D | 5/8" ó M16 | (*) | |||
| 6 | Peso | kg | (*) | |||
| 7 | Carga de rotura conjunto | kN / kg-f | 120 / 12.232 | (* *) | ||
| 8 | Material de fabricación | |||||
| 8.1 | Bulón | Acero galvanizado en caliente | (* *) | |||
| 8.2 | Tuerca | Acero galvanizado en caliente | (* *) | |||
| 8.3 | Cuerpo | Acero forjado galvanizado en caliente | (* *) | |||
| 8.4 | Pasador de seguridad | Latón | (* *) | |||
| 9 | Pruebas Tipo | (* *) | ||||
| 10 | Corriente de corto circuito (1 seg) | kA | 14 | (* *) | ||
| 11 | Característica del galvanizado | |||||
| 11.1 | Platinas | Promedio | g/m 2 | 458 | ||
| µm | 65,4 | |||||
| Mínimo | g/m 2 | 381 | ||||
| µm | 54,4 | |||||
| 11.2 | Elementos Roscados | Promedio | g/m 2 | 397 | ||
| µm | 56,6 | |||||
| Mínimo | g/m 2 | 336 | ||||
| µm | 48 | |||||
(*) Concepto a indicar por el oferente
(* *) Concepto de cumplimiento obligatorio
Figura A1.3 Cadena de suspensión para cable de guarda
| Item | Concepto |
| 1 | Grillete |
| 2 | Grapa de suspensión |
| 3 | Conector bifilar |
| 4 | Conector unifilar |
| 5 | Varilla de armado |
Tabla A1.3 Cadena de suspensión para cable de guarda
| ITEM | DESCRIPCIÒN | UNIDAD | SOLICITADO | OFRECIDO | OBSERVACIÓN | |
| 1 | Modelo (designación de fábrica) | - | (*) | |||
| 2 | Norma de construcción y ensayos | - | IEC 61284 | (* *) | ||
| 3 | Tensión nominal | kV | 115 | (* *) | ||
| 4 | Conductor tipo | - | ACSR | (* *) | ||
| 5 | Conductor Sección / Diámetro | mm | 33,2 MCM /8.03 mm | (* *) | ||
| 6 | Peso herrajes | kg | (*) | |||
| 7 | Carga de rotura conjunto | kN | 70 | (* *) | ||
| 8 | Material de fabricación | |||||
| 8.1 | Grillete | Acero galvanizado en caliente | (* *) | |||
| 8.2 | Grapa de suspensión | Aleación de Al | (* *) | |||
| 8.3 | Varilla de armado | Aluminio | (* *) | |||
| 8.4 | Grapa paralela | Aluminio | (* *) | |||
| 8.5 | Conector unifilar | Acero galvanizado en caliente | (* *) | |||
| 9 | Pruebas Tipo | (* *) | ||||
| 10 | Corriente de corto circuito (1 seg) | kA | 14 | (* *) | ||
| 11 | Característica del galvanizado | |||||
| 11.1 | Platinas | Promedio | g/m 2 | 458 | ||
| µm | 65,4 | |||||
| Mínimo | g/m 2 | 381 | ||||
| µm | 54,4 | |||||
| 11.2 | Elementos Roscados | Promedio | g/m 2 | 397 | ||
| µm | 56,6 | |||||
| Mínimo | g/m 2 | 336 | ||||
| µm | 48 | |||||
NOTA: Anexar cuadro de características de los herrajes que componen la cadena
(*) Concepto a indicar por el oferente
(* *) Concepto de cumplimiento obligatorio
Figura A1.4 Horquilla bola
| Item | Concepto |
| 1 | Cuerpo |
| 2 | Bulón |
| 3 | Tuerca |
| 4 | Pasador de seguridad |
Tabla A1.4 Horquilla bola
| ITEM | DESCRIPCIÓN | UNIDAD | SOLICITADO | OFRECIDO | OBSERVACIÓN | |
| 1 | Modelo (designación de fábrica) | - | (*) | |||
| 2 | Norma de construcción y ensayos | - | IEC 61284 | (* *) | ||
| IEC 60120 | ||||||
| 3 | Tensión nominal | KV | 115 | (* *) | ||
| 4 | Acoplamiento | Clase 16 según IEC | (* *) | |||
| 5 | Dimensiones | |||||
| 5.1 | A | mm | 76 | (*) | ||
| 5.2 | B | mm | 36 | (*) | ||
| 5.3 | C | mm | 22 | (*) | ||
| 5.4 | D | 5/8" ó M16 | (*) | |||
| 5.5 | E | mm | 38 | (*) | ||
| 6 | Peso | kg | (*) | |||
| 7 | Carga de rotura conjunto | kN / kg-f | 120 / 12.232 | (* *) | ||
| 8 | Material de fabricación | |||||
| 8.1 | Bulón | Acero galvanizado en caliente | (* *) | |||
| 8.2 | Tuerca | Acero galvanizado en caliente | (* *) | |||
| 8.3 | Cuerpo | Acero forjado galvanizado en caliente | (* *) | |||
| 8.4 | Pasador de seguridad | Latón | (* *) | |||
| 9 | Pruebas Tipo | (* *) | ||||
| 10 | Corriente de corto circuito (1 seg) | kA | 14 | (* *) | ||
| 11 | Característica del galvanizado | |||||
| 11.1 | Platinas | Promedio | g/m 2 | 458 | ||
| µm | 65,4 | |||||
| Mínimo | g/m 2 | 381 | ||||
| µm | 54,4 | |||||
| 11.2 | Elementos Roscados | Promedio | g/m 2 | 397 | ||
| µm | 56,6 | |||||
| Mínimo | g/m 2 | 336 | ||||
| µm | 48 | |||||
(*) Concepto a indicar por el oferente
(* *) Concepto de cumplimiento obligatorio
Figura A1.5 Horquilla ojo revirado
| Item | Concepto |
| 1 | Cuerpo |
| 2 | Bulón |
| 3 | Tuerca |
| 4 | Pasador de seguridad |
Tabla A1.5 Horquilla ojo revirado
| ITEM | DESCRIPCIÓN | UNIDAD | SOLICITADO | OFRECIDO | OBSERVACIÓN | |
| 1 | Modelo (designación de fábrica) | - | (*) | |||
| 2 | Norma de construcción y ensayos | - | IEC 61284 | (* *) | ||
| 3 | Tensión nominal | kV | 115 | (* *) | ||
| 4 | Dimensiones | |||||
| 4.1 | A | mm | 100 | (*) | ||
| 4.2 | B | mm | 36 | (*) | ||
| 4.3 | C | mm | 19 | (*) | ||
| 4.4 | D | 5/8" ó M16 | (* *) | |||
| 4.5 | d | mm | 18 | (*) | ||
| 4.6 | E | mm | 16 | (*) | ||
| 4.7 | F | mm | 38 | (*) | ||
| 4.8 | G | mm | 20 | (*) | ||
| 5 | Peso | Kg | (*) | |||
| 6 | Carga de rotura conjunto | kN / kg-f | 120 / 12.232 | (* *) | ||
| 7 | Material de fabricación | |||||
| 7.1 | Bulón | Acero galvanizado en caliente | (* *) | |||
| 7.2 | Tuerca | Acero galvanizado en caliente | (* *) | |||
| 7.3 | Cuerpo | Acero forjado galvanizado en caliente | (* *) | |||
| 7.4 | Pasador de seguridad | Latón | (* *) | |||
| 8 | Pruebas Tipo | (* *) | ||||
| 9 | Corriente de corto circuito (1 seg) | KA | 14 | (* *) | ||
| 10 | Característica del galvanizado | |||||
| 10.1 | Platinas | Promedio | g/m 2 | 458 | ||
| µm | 65,4 | |||||
| Mínimo | g/m 2 | 381 | ||||
| µm | 54,4 | |||||
| 10.2 | Elementos Roscados | Promedio | g/m 2 | 397 | ||
| µm | 56,6 | |||||
| Mínimo | g/m 2 | 336 | ||||
| µm | 48 | |||||
(*) Concepto a indicar por el oferente
(* *) Concepto de cumplimiento obligatorio
Figura A1.6 Grillete recto
| Item | Concepto |
| 1 | Cuerpo |
| 2 | Bulón |
| 3 | Tuerca |
| 4 | Pasador de seguridad |
Tabla A1.6 Grillete recto
| ITEM | DESCRIPCIÓN | UNIDAD | SOLICITADO | OFRECIDO | OBSERVACIÓN | |
| 1 | Modelo (designación de fábrica) | - | (*) | |||
| 2 | Norma de construcción y ensayos | - | IEC 61284 | (* *) | ||
| 3 | Tensión nominal | kV | 115 | (* *) | ||
| 4 | Dimensiones | |||||
| 4.1 | A | mm | 70 | (*) | ||
| 4.2 | B | mm | 40 | (*) | ||
| 4.3 | C | mm | 22 | (*) | ||
| 4.4 | D | mm | 16 | (*) | ||
| 4.6 | E | mm | 16 | (*) | ||
| 4.7 | F | mm | 18 | (*) | ||
| 4.8 | R | mm | 18 | (*) | ||
| 5 | Peso | Kg | (*) | |||
| 6 | Carga de rotura conjunto | kN / kg-f | 120 / 12.232 | (* *) | ||
| 7 | Material de fabricación | |||||
| 7.1 | Bulón | Acero galvanizado en caliente | (* *) | |||
| 7.2 | Tuerca | Acero galvanizado en caliente | (* *) | |||
| 7.3 | Cuerpo | Acero forjado galvanizado en caliente | (* *) | |||
| 7.4 | Pasador de seguridad | Latón | (* *) | |||
| 8 | Pruebas Tipo | (* *) | ||||
| 9 | Corriente de corto circuito (1 seg) | kA | 14 | (* *) | ||
| 10 | Característica del galvanizado | |||||
| 10.1 | Platinas | Promedio | g/m 2 | 458 | ||
| µm | 65,4 | |||||
| Mínimo | g/m 2 | 381 | ||||
| µm | 54,4 | |||||
| 10.2 | Elementos Roscados | Promedio | g/m 2 | 397 | ||
| µm | 56,6 | |||||
| Mínimo | g/m 2 | 336 | ||||
| µm | 48 | |||||
(*) Concepto a indicar por el oferente
(* *) Concepto de cumplimiento obligatorio
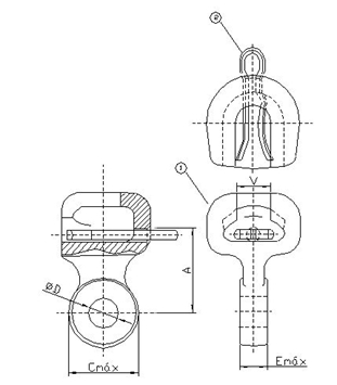
Figura A1.7 Rótula Ojo
| Item | Concepto |
| 1 | Cuerpo |
| 2 | Pasador de seguridad |
Tabla A1.7 Rótula Ojo
| ITEM | DESCRIPCIÓN | UNIDAD | SOLICITADO | OFRECIDO | OBSERVACIÓN | |
| 1 | Modelo (designación de fábrica) | - | (*) | |||
| 2 | Norma de construcción y ensayos | - | IEC 61284 | (* *) | ||
| IEC 60120 | ||||||
| 3 | Tensión nominal | kV | 115 | (* *) | ||
| 4 | Dimensiones | |||||
| 4.1 | A | mm | 60-65 | (*) | ||
| 4.2 | C | mm | 50 | (*) | ||
| 4.3 | D | mm | 18 | (*) | ||
| 4.4 | E | mm | 16-19 | (*) | ||
| 5 | Peso | Kg | (*) | |||
| 6 | Carga de rotura conjunto | kN / kg-f | 120 / 12.232 | (* *) | ||
| 7 | Material de fabricación | |||||
| 7.1 | Cuerpo | Acero forjado galvanizado en caliente | (* *) | |||
| 7.2 | Pasador de seguridad | Latón | (* *) | |||
| 8 | Pruebas Tipo | (* *) | ||||
| 9 | Corriente de corto circuito (1 seg) | kA | 14 | (* *) | ||
| 10 | Característica del galvanizado | |||||
| 10.1 | Platinas | Promedio | g/m 2 | 458 | ||
| µm | 65,4 | |||||
| Mínimo | g/m 2 | 381 | ||||
| µm | 54,4 | |||||
| 10.2 | Elementos Roscados | Promedio | g/m 2 | 397 | ||
| µm | 56,6 | |||||
| Mínimo | g/m 2 | 336 | ||||
| µm | 48 | |||||
(*) Concepto a indicar por el oferente
(* *) Concepto de cumplimiento obligatorio
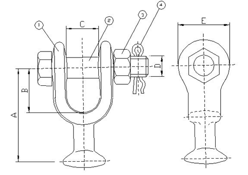
Figura A1.8 Cadena de retención simple con grapa tipo pistola
| Item | Concepto |
| 1 | Horquilla-bola Tipo Y |
| 2 | Rótula-ojo |
| 3 | Grapa tipo pistola (empernada) |
Notas:
El aislador no debe incluirse dentro del suministro
Detalle de la grapa tipo pistola
| Dimensiones básicas (mm) | |
| A | 275 |
| B | 292 |
| C | 26 |
| D | 16 |
| R | 137 |
Tabla A1.8 Cadena de retención simple con grapa tipo pistola
| ITEM | DESCRIPCIÓN | UNIDAD | SOLICITADO | OFRECIDO | OBSERVACIÓN | |
| 1 | Modelo (designación de fábrica) | - | (*) | |||
| 2 | Norma de construcción y ensayos | - | IEC 61284 | (* *) | ||
| 3 | Tensión nominal | kV | 115 | (* *) | ||
| 4 | Conductor tipo | - | 605 MCM | (* *) | ||
| 5 | Conductor Diámetro | mm | 24-25 | (* *) | ||
| 6 | Acoplamiento | Clase 16 según IEC | (* *) | |||
| 7 | Peso herrajes | kg | (*) | |||
| 8 | Carga de rotura conjunto | kN / kg-f | 120 / 12.232 | (* *) | ||
| 9 | Pruebas Tipo | (* *) | ||||
| 10 | Corriente de corto circuito (1 seg) | kA | 14 | (* *) | ||
| 11 | Característica del galvanizado | |||||
| 11.1 | Platinas | Promedio | g/m 2 | 458 | ||
| µm | 65,4 | |||||
| Mínimo | g/m 2 | 381 | ||||
| µm | 54,4 | |||||
| 11.2 | Elementos Roscados | Promedio | g/m 2 | 397 | ||
| µm | 56,6 | |||||
| Mínimo | g/m 2 | 336 | ||||
| µm | 48 | |||||
NOTA: Anexar cuadro de características de los herrajes que componen la cadena
(*) Concepto a indicar por el oferente
(* *) Concepto de cumplimiento obligatorio
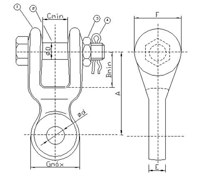
Figura A1.9 Rótula horquilla
| Item | Concepto |
| 1 | Cuerpo |
| 2 | Bulón |
| 3 | Tuerca |
| 4 | Pasador de seguridad |
Tabla A1.9 Rótula Horquilla
| ITEM | DESCRIPCIÓN | UNIDAD | SOLICITADO | OFRECIDO | OBSERVACIÓN | |
| 1 | Modelo (designación de fábrica) | - | (*) | |||
| 2 | Norma de construcción y ensayos | - | IEC 61284 | (* *) | ||
| IEC 60120 | ||||||
| 3 | Tensión nominal | kV | 115 | (* *) | ||
| 4 | Dimensiones | |||||
| 4.1 | A | mm | 64 | (*) | ||
| 4.2 | B | mm | 36 | (*) | ||
| 4.3 | C | mm | 22 | (*) | ||
| 4.4 | D | 5/8” | (*) | |||
| 4.5 | G | mm | 40 | (*) | ||
| 5 | Peso | Kg | (*) | |||
| 6 | Carga de rotura conjunto | kN / kg-f | 120 / 12.232 | (* *) | ||
| 7 | Material de fabricación | |||||
| 7.1 | Cuerpo | Acero forjado galvanizado en caliente | (* *) | |||
| 7.2 | Bulón | Acero galvanizado en caliente | (* *) | |||
| 7.3 | Tuerca | Acero galvanizado en caliente | (* *) | |||
| 7.4 | Pasador de seguridad | Latón | (* *) | |||
| 8 | Pruebas Tipo | (* *) | ||||
| 9 | Corriente de corto circuito (1 seg) | kA | 14 | (* *) | ||
| 10 | Característica del galvanizado | |||||
| 10.1 | Platinas | Promedio | g/m 2 | 458 | ||
| µm | 65,4 | |||||
| Mínimo | g/m 2 | 381 | ||||
| µm | 54,4 | |||||
| 10.2 | Elementos Roscados | Promedio | g/m 2 | 397 | ||
| µm | 56,6 | |||||
| Mínimo | g/m 2 | 336 | ||||
| µm | 48 | |||||
(*) Concepto a indicar por el oferente
(* *) Concepto de cumplimiento obligatorio
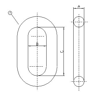
Figura A1.10 Eslabón
| Item | Concepto |
| 1 | Cuerpo |
Tabla A1.10 Eslabón
| ITEM | DESCRIPCIÓN | UNIDAD | SOLICITADO | OFRECIDO | OBSERVACIÓN | |
| 1 | Modelo (designación de fábrica) | - | (*) | |||
| 2 | Norma de construcción y ensayos | - | IEC 61284 | (* *) | ||
| 3 | Tensión nominal | kV | 115 | (* *) | ||
| 4 | Dimensiones | |||||
| 4.1 | A | mm | 16 | (*) | ||
| 4.2 | B | mm | 25-26 | (*) | ||
| 4.3 | C | mm | 76 | (*) | ||
| 5 | Peso | Kg | (*) | |||
| 6 | Carga de rotura conjunto | kN / kg-f | 120 / 12.232 | (* *) | ||
| 7 | Material de fabricación | |||||
| 7.1 | Cuerpo | Acero forjado galvanizado en caliente | (* *) | |||
| 8 | Pruebas Tipo | (* *) | ||||
| 9 | Corriente de corto circuito (1 seg) | kA | 14 | (* *) | ||
| 10 | Característica del galvanizado | |||||
| 10.1 | Platinas | Promedio | g/m 2 | 458 | ||
| µm | 65,4 | |||||
| Mínimo | g/m 2 | 381 | ||||
| µm | 54,4 | |||||
| 10.2 | Elementos Roscados | Promedio | g/m 2 | 397 | ||
| µm | 56,6 | |||||
| Mínimo | g/m 2 | 336 | ||||
| µm | 48 | |||||
(*) Concepto a indicar por el oferente
(* *) Concepto de cumplimiento obligatorio
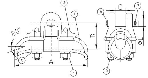
Figura A.1.11 Grapa de suspensión
| Item | Concepto |
| 1 | Cuerpo |
| 2 | Zapata |
| 3 | Tornillo |
| 4 | Tuerca |
| 5 | Arandela |
| 6 | Bulón |
| 7 | Pasador de seguridad |
Tabla A.1.11 Grapa de suspensión
| ITEM | DESCRIPCIÓN | UNIDAD | SOLICITADO | OFRECIDO | OBSERVACIÓN | |
| 1 | Modelo (designación de fábrica) | - | (*) | |||
| 2 | Norma de construcción y ensayos | - | IEC 61284 | (* *) | ||
| 3 | Tensión nominal | kV | 115 | (* *) | ||
| 4 | Conductor | |||||
| 4.1 | Tipo | ACSR/AAAC | Ver cuadro adjunto | (* *) | ||
| 4.2 | Calibre | MCM/AWG/mm2 | (* *) | |||
| 4.3 | Diámetro | mm | (* *) | |||
| 5 | Rango de sujeción de la grapa | mm | (* *) | |||
| 6 | Dimensiones | |||||
| 6.1 | A | mm | (*) | |||
| 6.2 | B | mm | (*) | |||
| 6.3 | C | mm | (*) | |||
| 6.4 | D | mm | (*) | |||
| 7 | Peso | kg | (*) | |||
| 8 | Carga de deslizamiento | kg-f | Ver cuadro adjunto | (* *) | ||
| 9 | Carga de rotura | kg-f | (* *) | |||
| 10 | Tornillos | |||||
| 10.1 | Número de tornillos en U | Un | 2 | (* *) | ||
| 10.2 | Diámetro tornillos | pulg | Ver cuadro adjunto | (* *) | ||
| 10.3 | Par de apriete | N.m | (*) | |||
| 11 | Material de fabricación | |||||
| 11.1 | Cuerpo | Aleación de aluminio | (* *) | |||
| 11.2 | Zapata | Aleación de Al | (* *) | |||
| 11.3 | Tornillo en U | Acero galvanizado en caliente | (* *) | |||
| 11.4 | Tuerca | Acero galvanizado en caliente | (* *) | |||
| 11.5 | Arandela | Acero galvanizado en caliente | (* *) | |||
| 11.6 | Bulón | Acero galvanizado en caliente | (* *) | |||
| 11.7 | Pasador de seguridad | Latón | (* *) | |||
| 12 | Pruebas Tipo | (* *) | ||||
| 13 | Característica del galvanizado | |||||
| 13.1 | Platinas | Promedio | g/m 2 | 458 | ||
| µm | 65,4 | |||||
| Mínimo | g/m 2 | 381 | ||||
| µm | 54,4 | |||||
| 13.2 | Elementos Roscados | Promedio | g/m 2 | 397 | ||
| µm | 56,6 | |||||
| Mínimo | g/m 2 | 336 | ||||
| µm | 48 | |||||
(*) Concepto a indicar por el oferente
(* *) Concepto de cumplimiento obligatorio
| Conductor | ||||
| Tipo | ACSR | ACSR | ACSR | |
| Calibre | 336,4 MCM | 605MCM | 1113 MCM | |
| Diámetro | mm | 18,31 | 24,21/24,8 | 31,98 |
| Diámetro tornillos en U | pulg | 1-feb | 1-feb | 5-ago |
| Carga de deslizamiento mínima | kg-f | 1600 | 2442 | 3385 |
| Carga de rotura mínima | kg-f | 3840 | 5862 | 8124 |
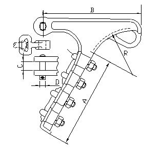
Figura A.1.12 Grapa de amarre (tipo pistola)
| Item | Concepto |
| 1 | Cuerpo |
| 2 | Zapata |
| 3 | Tornillos en U |
| 4 | Tuerca |
| 5 | Arandela presión |
| 6 | Bulón |
| 7 | Arandela plana |
| 8 | Pasador de seguridad |
Tabla A.1.12 Grapa de amarre (tipo pistola)
| ITEM | DESCRIPCIÓN | UNIDAD | SOLICITADO | OFRECIDO | OBSERVACIÓN | |
| 1 | Modelo (designación de fábrica) | - | (*) | |||
| 2 | Norma de construcción y ensayos | - | IEC 61284 | (* *) | ||
| 3 | Tensión nominal | kV | 115 | (* *) | ||
| 4 | Conductor | |||||
| 4.1 | Tipo | ACSR/AAAC | Ver cuadro adjunto | (* *) | ||
| 4.2 | Calibre | MCM/AWG/mm 2 | (* *) | |||
| 4.3 | Diámetro | mm | (* *) | |||
| 5 | Rango de sujeción de la grapa | mm | (* *) | |||
| 6 | Dimensiones | |||||
| 6.1 | A | mm | (*) | |||
| 6.2 | B | mm | (*) | |||
| 6.3 | C | mm | (*) | |||
| 6.4 | D | mm | Ver cuadro adjunto | (*) | ||
| 6.5 | R | mm | ||||
| 7 | Peso | kg | (*) | |||
| 8 | Carga de deslizamiento | kg-f | Ver cuadro adjunto | (* *) | ||
| 9 | Carga de rotura | kg-f | (* *) | |||
| 10 | Tornillos | |||||
| 10.1 | Número de tornillos en U | Un | (* *) | |||
| 10.2 | Diámetro tornillos | pulg | (* *) | |||
| 10.3 | Par de apriete | N.m | (*) | |||
| 11 | Material de fabricación | |||||
| 11.1 | Cuerpo | Aleación de aluminio | (* *) | |||
| 11.2 | Zapata | Aleación de Aluminio | (* *) | |||
| 11.3 | Tornillo en U | Acero galvanizado en caliente | (* *) | |||
| 11.4 | Tuerca | Acero galvanizado en caliente | (* *) | |||
| 11.5 | Arandela presión | Acero galvanizado en caliente | (* *) | |||
| 11.6 | Bulón | Acero galvanizado en caliente | (* *) | |||
| 11.7 | Arandela plana | Acero galvanizado en caliente | ||||
| 11.8 | Pasador de seguridad | Acero inoxidable ó Latón | (* *) | |||
| 12 | Pruebas Tipo | (* *) | ||||
| 13 | Característica del galvanizado | |||||
| 13.1 | Platinas | Promedio | g/m 2 | 458 | ||
| µm | 65,4 | |||||
| Mínimo | g/m 2 | 381 | ||||
| µm | 54,4 | |||||
| 13.2 | Elementos Roscados | Promedio | g/m 2 | 397 | ||
| µm | 56,6 | |||||
| Mínimo | g/m 2 | 336 | ||||
| µm | 48 | |||||
(*) Concepto a indicar por el oferente
(* *) Concepto de cumplimiento obligatorio
| Conductor | ||||
| Tipo | ACSR | ACSR | ACSR | |
| Calibre | 336,4 MCM | 605MCM | 1113 MCM | |
| Diámetro | mm | 18-19 | 24-25 | 31-32 |
| Dimensión D | pulg | 5/8" | 3/4" | 3/4" |
| Carga de deslizamiento mínima | kg-f | 3200 | 4885 | 6770 |
| Carga de rotura mínima | kg-f | 5120 | 7816 | 10832 |
Figura A.1.13 Yugo triangular
| Item | Concepto |
| 1 | Cuerpo |
Tabla A.1.13 Yugo triangular
| ITEM | DESCRIPCIÓN | UNIDAD | SOLICITADO | OFRECIDO | OBSERVACIÓN | |
| 1 | Modelo (designación de fábrica) | - | (*) | |||
| 2 | Norma de construcción y ensayos | - | IEC 61284 | (* *) | ||
| 3 | Tensión nominal | kV | 115 | (* *) | ||
| 4 | Dimensiones | |||||
| 4.1 | A | mm | 450 | (*) | ||
| 4.2 | B | mm | 16 | (*) | ||
| 4.3 | C | mm | 19 | (*) | ||
| 4.4 | D | mm | 17.5 | (*) | ||
| 4.5 | E | mm | 35 | (*) | ||
| 4.6 | F | mm | 95 | (*) | ||
| 4.7 | G | mm | 25 | (*) | ||
| 5 | Peso | kg | (*) | |||
| 6 | Carga de rotura conjunto | kN / kg-f | 120 / 12.232 | (* *) | ||
| 7 | Material de fabricación | |||||
| 7.1 | Cuerpo | Acero forjado galvanizado en caliente | (* *) | |||
| 8 | Pruebas Tipo | (* *) | ||||
| 9 | Corriente de corto circuito (1 seg) | kA | 14 | (* *) | ||
| 10 | Característica del galvanizado | |||||
| 10.1 | Platinas | Promedio | g/m 2 | 458 | ||
| µm | 65,4 | |||||
| Mínimo | g/m 2 | 381 | ||||
| µm | 54,4 | |||||
| 10.2 | Elementos Roscados | Promedio | g/m 2 | 397 | ||
| µm | 56,6 | |||||
| Mínimo | g/m 2 | 336 | ||||
| µm | 48 | |||||
(*) Concepto a indicar por el oferente
(* *) Concepto de cumplimiento obligatorio
Figura A.1.14 Cadena de retención tipo compresión

Tabla A.1.14 Cadena de retención tipo compresión
| ITEM | DESCRIPCIÓN | UNIDAD | SOLICITADO | OFRECIDO | |
| 1 | Modelo (designación de fábrica) | - | |||
| 2 | Norma de construcción y ensayos | - | IEC 61284 | ||
| 3 | Tensión nominal | kV | 115 | ||
| 4 | Conductor | ||||
| 4.1 | Tipo | AAAC/ACSR | |||
| 4.2 | Calibre | mm 2 /MCM | |||
| 4.3 | Sección/Diametro | mm | |||
| 5 | Acoplamiento | Clase 16 según IEC | |||
| 6 | Peso herrajes | kg | |||
| 7 | Carga de rotura conjunto | kN / kg-f | 120 / 12.232 | ||
| 8 | Pruebas Tipo | ||||
| 9 | Corriente de corto circuito (1 seg) | kA | 14 | ||
| 10 | Característica del galvanizado | ||||
| 10.1 | Platinas | Promedio | g/m 2 | 458 | |
| µm | 65,4 | ||||
| Mínimo | g/m 2 | 381 | |||
| µm | 54,4 | ||||
| 10.2 | Elementos Roscados | Promedio | g/m 2 | 397 | |
| µm | 56,6 | ||||
| Mínimo | g/m 2 | 336 | |||
| µm | 48 | ||||
NOTA: Anexar cuadro de características de los herrajes que componen la cadena
(*) Concepto a indicar por el oferente
(* *) Concepto de cumplimiento obligatorio
Figura A.1.15 Cadena de retención simple para cable doble

Figura A.1.16 Varillas de armado

Las varillas de armado tienen como función principal evitar daños en el conductor en el cual van instaladas, debidos a compresión, flexión, abrasión y eléctricos. Son capaces de reparar daños producidos en las capas exteriores del conductor. Se utilizan en conjunto con las grapas de suspensión.
Tabla A.1.16 Varillas de armado
| ITEM | DESCRIPCION | UNIDAD | SOLICITADO | OFRECIDO | OBSERVACIÓN |
| 1 | Modelo (designación de fábrica) | - | (*) | ||
| 2 | tensión nominal | KV | 115 | (* *) | |
| 3 | Rango conductor (diametro min-max) | mm | (* *) | ||
| 4 | Diametro varillas | mm | (*) | ||
| 5 | Longitud | (*) | |||
| 6 | Numero de varillas | UNIDAD | (*) | ||
| 7 | Peso | kg | (*) | ||
| 8 | Material de fabricación | Aleación de aluminio. | (* *) |
NOTA: Anexar cuadro de características de los herrajes que componen la cadena
(*) Concepto a indicar por el oferente
(* *) Concepto de cumplimiento obligatorio
Figura A.1.17 Empalmes de compresión para cable ACSR
Tabla A.1.17 Empalmes de compresión para cable ACSR
| ITEM | DESCRIPCION | UNIDAD | SOLICITADO | OFRECIDO | OBSERVACIÓN |
| 1 | Modelo (designación de fábrica) | - | (*) | ||
| 2 | tensión nominal | KV | 115 | (* *) | |
| 3 | Rango conductor (diametro min-max) | mm | (* *) | ||
| 4 | Diametro | mm | (*) | ||
| 5 | Longitud | (*) | |||
| 6 | Peso | kg | (*) | ||
| 7 | Material de fabricación | Aleación de aluminio. | (* *) |
NOTA: Anexar cuadro de características de los herrajes que componen la cadena
(*) Concepto a indicar por el oferente
(* *) Concepto de cumplimiento obligatorio
Figura A.1.18 Grapa de compresión para cable ACSR


Tabla A.1.18 Grapa de compresión para cable ACSR
| ITEM | DESCRIPCIÓN | UNIDAD | SOLICITADO | OFRECIDO | OBSERVACIÓN | |
| 1 | Modelo (designación de fábrica) | - | (*) | |||
| 2 | Norma de construcción y ensayos | - | IEC 61284 | (* *) | ||
| 3 | Tensión nominal | kV | 115 | (* *) | ||
| 4 | Conductor | (* *) | ||||
| 4.1 | Tipo | ACSR/AAAC | Ver cuadro adjunto | (* *) | ||
| 4.2 | Calibre | MCM/AWG/mm 2 | (* *) | |||
| 4.3 | Diámetro | mm | (* *) | |||
| 5 | Rango de sujeción de la grapa | mm | (* *) | |||
| 6 | Dimensiones | |||||
| 6.1 | A | mm | (*) | |||
| 6.2 | B | mm | (*) | |||
| 6.3 | C | mm | (*) | |||
| 6.4 | D | mm | (*) | |||
| 6.5 | E | mm | (*) | |||
| 6.6 | F | mm | (*) | |||
| 6.7 | G | mm | (*) | |||
| 7 | Peso | kg | (*) | |||
| 8 | Carga de rotura | kg-f | Ver cuadro adjunto | (* *) | ||
| 9 | Material de fabircación | |||||
| 9,1 | Cuerpo | Aleación de aluminio | (* *) | |||
| 9,2 | Embolo | Acero forjado galvanizado en caliente | (* *) | |||
| 9,3 | Derivación | Aleación de aluminio | (* *) | |||
| 9,4 | Tornillería | Acero galvanizado en caliente | (* *) | |||
| 10 | Tipo Pala | A ó B | (*) | |||
| 11 | Tipo embolo | Horquilla/ojo | (*) | |||
| 12 | Pruebas tipo | Acero galvanizado en caliente | (* *) | |||
| 13 | Característica del galvanizado | |||||
| 13.1 | Platinas | Promedio | g/m 2 | 458 | ||
| µm | 65,4 | |||||
| Mínimo | g/m 2 | 381 | ||||
| µm | 54,4 | |||||
| 13.2 | Elementos Roscados | Promedio | g/m 2 | 397 | ||
| µm | 56,6 | |||||
| Mínimo | g/m 2 | 336 | ||||
| µm | 48 | |||||
(*) Concepto a indicar por el oferente
(* *) Concepto de cumplimiento obligatorio
| Conductor | Un | PATRIDGE | LINNET | PEACOCK | BLUEJAY |
| Tipo | ACSR | ACSR | ACSR | ACSR | |
| Calibre | 266,8 MCM | 336,4 MCM | 605MCM | 1113 MCM | |
| Diámetro | mm | 16-17 | 18-19 | 24-25 | 31-32 |
| Numero de alambres | C/U | (26/7) | (26/7) | (24/7) | 45/ |
| Carga de deslizamiento mínima | kg-f | 4613 | 5760 | 8794 | 12186 |
| Carga de rotura mínima | kg-f | 5126 | 6400 | 9771 | 13540 |
Figura A.1.19 Grapa de compresión para cable AAAC


Tabla A.1.19 Grapa de compresión para cable AAAC
| ITEM | DESCRIPCIÓN | UNIDAD | SOLICITADO | OFRECIDO | OBSERVACIÓN | |
| 1 | Modelo (designación de fábrica) | - | (*) | |||
| 2 | Norma de construcción y ensayos | - | IEC 61284 | (* *) | ||
| 3 | Tensión nominal | kV | 115 | (* *) | ||
| 4 | Conductor | (* *) | ||||
| 4.1 | Tipo | ACSR/AAAC | Ver cuadro adjunto | (* *) | ||
| 4.2 | Calibre | MCM/AWG/mm 2 | (* *) | |||
| 4.3 | Diámetro | mm | (* *) | |||
| 5 | Rango de sujeción de la grapa | mm | (* *) | |||
| 6 | Dimensiones | |||||
| 6.1 | A | mm | (*) | |||
| 6.2 | B | mm | (*) | |||
| 6.3 | C | mm | (*) | |||
| 6.4 | D | mm | (*) | |||
| 6.5 | E | mm | (*) | |||
| 6.6 | F | mm | (*) | |||
| 6.7 | G | mm | (*) | |||
| 7 | Peso | kg | (*) | |||
| 8 | Carga de rotura | kg-f | Ver cuadro adjunto | (* *) | ||
| 9 | Material de fabircación | |||||
| 9,1 | Cuerpo | Aleación de aluminio | (* *) | |||
| 9,2 | Embolo | Acero forjado galvanizado en caliente | (* *) | |||
| 9,3 | Derivación | Aleación de aluminio | (* *) | |||
| 9,4 | Tornillería | Acero galvanizado en caliente | (* *) | |||
| 9,5 | Pasador | Acero inoxidable | (* *) | |||
| 10 | Tipo Pala | A ó B | (*) | |||
| 11 | Tipo embolo | Horquilla/ojo | (*) | |||
| 12 | Pruebas tipo | Acero galvanizado en caliente | (* *) | |||
| 13 | Característica del galvanizado | |||||
| 13.1 | Platinas | Promedio | g/m 2 | 458 | ||
| µm | 65,4 | |||||
| Mínimo | g/m 2 | 381 | ||||
| µm | 54,4 | |||||
| 13.2 | Elementos Roscados | Promedio | g/m 2 | 397 | ||
| µm | 56,6 | |||||
| Mínimo | g/m 2 | 336 | ||||
| µm | 48 | |||||
(*) Concepto a indicar por el oferente
(* *) Concepto de cumplimiento obligatorio
Figura A.1.20 Cadena de retención para cable de guarda

Figura A.1.21 Grapa de retención con derivación en “T”

Figura A.1.22 Empalme a compresión para conductor AAAC

Tabla A.1.22 Empalme a compresión para conductor AAAC
| ITEM | DESCRIPCION | UNIDAD | SOLICITADO | OFRECIDO | OBSERVACIÓN |
| 1 | Modelo (designación de fábrica) | - | (*) | ||
| 2 | tensión nominal | KV | 115 | (* *) | |
| 3 | Rango conductor (diámetro min-max) | mm | (* *) | ||
| 4 | Diámetro | mm | (*) | ||
| 5 | Longitud | (*) | |||
| 6 | Peso | kg | (*) | ||
| 7 | Material de fabricación | Aluminio. | (* *) |
Figura A.1.23 Camisa de reparación para conductor

Figura A.1.24 Camisa de reparación para cable de guarda


ANEXO 2.
HERRAJES DE FIBRA OPTICA
FIGURA A.2.1 CONJUNTO DE RETENCIÓN PARA CABLE OPGW DE 24 HILOS (Diámetro 14-15 mm) SIN AMORTIGUADORES

Componentes del conjunto
| Item | Descripción | Cantidad |
| 1 | Grillete recto | 2 |
| 2 | Alargadera | 1 |
| 3 | Guaradacabos | 1 |
| 4 | Empalme de protección | 1 |
| 5 | Grapa de retención | 1 |
| 6 | Grapa de conexión Torre | 1 |
| 7 | Grapa de conexión Paralela | 1 |
TABLA A.2.1 CONJUNTO DE RETENCIÓN PARA CABLE OPGW DE 24 HILOS (Diámetro 14-15 mm) SIN AMORTIGUADORES
| ÍTEM | DESCRIPCIÓN | UNIDAD | SOLICITADO | OFERTADO | |
| 1 | Fabricante | ||||
| 2 | Referencia/Modelo | ||||
| 3 | Elementos que componen el conjunto | A informar por el fabricante | |||
| 4 | Material | ||||
| 4,1 | Grapa de retención | A informar por el fabricante | |||
| 4,2 | Grapa de conexión paralela y a la torre | A informar por el fabricante | |||
| 4,3 | Empalme protección | A informar por el fabricante | |||
| 4,4 | Alargadera y grillete | A informar por el fabricante | |||
| 5 | Rango diámetros para cable OPGW | mm | 14-15 | ||
| 6 | Grillete | ||||
| 6,1 | Referencia | A informar por el fabricante | |||
| 6,2 | Carga de rotura | daN | 12500 | ||
| 7 | Característica del galvanizado | ||||
| 7.1 | Platinas | Promedio | g/m 2 | 458 | |
| µm | 65,4 | ||||
| Mínimo | g/m 2 | 381 | |||
| µm | 54,4 | ||||
| 7.2 | Elementos Roscados | Promedio | g/m 2 | 397 | |
| µm | 56,6 | ||||
| Mínimo | g/m 2 | 336 | |||
| µm | 48 | ||||
FIGURA A.2.2 CONJUNTO DE SUSPENSIÓN PARA CABLE OPGW DE 24 HILOS (Diámetro 14-15 mm) SIN AMORTIGUADORES

Componentes del conjunto
| Item | Descripción | Cantidad |
| 1 | Grillete recto | 1 |
| 2A | Eslabón Revirado | 1 |
| 2B | Eslabón plano | 1 |
| 3 | Grapa de suspensión armada | 1 |
| 4 | Manguito de neopreno | 1 |
| 5 | Varillas de armado | 1 |
| 6 | Grapa conexión a torre | 1 |
| 7 | Grapa conexión paralela | 1 |
TABLA A2.2 CONJUNTO DE SUSPENSIÓN PARA CABLE OPGW DE 24 HILOS (Diámetro 14-15 mm) SIN AMORTIGUADORES
| ÍTEM | DESCRIPCIÓN | UNIDAD | SOLICITADO | OFERTADO | |
| 1 | Fabricante | ||||
| 2 | Referencia/Modelo | ||||
| 3 | Elementos que componen el conjunto | A informar por el fabricante | |||
| 4 | Material | ||||
| 4,1 | Grapa de suspensón | A informar por el fabricante | |||
| 4,2 | Grapa de conexión paralela y a la torre | A informar por el fabricante | |||
| 4,3 | Varillas de armado | A informar por el fabricante | |||
| 4,4 | Eslabonesy grillete | A informar por el fabricante | |||
| 5 | Rango diámetros para cable OPGW | mm | 14-15 | ||
| 6 | Grillete | ||||
| 6,1 | Referencia | A informar por el fabricante | |||
| 6,2 | Carga de rotura | daN | 12500 | ||
| 7 | Grapa de suspensión | ||||
| 7,1 | Referencia | A informar por el fabricante | |||
| 7,2 | Carga de rotura | kN | 75 | ||
| 8 | Varillas de armado | ||||
| 8,1 | Referencia | A informar por el fabricante | |||
| 8,2 | Longitud | mm | 1800 | ||
| 9 | Característica del galvanizado | ||||
| 9.1 | Platinas | Promedio | g/m 2 | 458 | |
| µm | 65,4 | ||||
| Mínimo | g/m 2 | 381 | |||
| µm | 54,4 | ||||
| 9.2 | Elementos Roscados | Promedio | g/m 2 | 397 | |
| µm | 56,6 | ||||
| Mínimo | g/m 2 | 336 | |||
| µm | 48 | ||||
FIGURA A.2.3 CONJUNTO DE RETENCIÓN PARA CABLE ADSS DE 24 HILOS (Diámetro 17 mm)

Componentes del conjunto
| Item | Descripción | Cantidad |
| 1 | Grillete recto | 2 |
| 2 | Tirante (300 mm) | 1 |
| 3 | Guaradacabos | 1 |
| 4 | Grapa de retención | 1 |
| 5 | Empalme de protección | 1 |
TABLA A.2.3 CONJUNTO DE RETENCIÓN PARA CABLE ADSS DE 24 HILOS (Diámetro 17 mm)
| ÍTEM | DESCRIPCIÓN | UNIDAD | SOLICITADO | OFERTADO | |
| 1 | Fabricante | ||||
| 2 | Referencia/Modelo | ||||
| 3 | Elementos que componen el conjunto | A informar por el fabricante | |||
| 4 | Material | ||||
| 4,1 | Grillete,guardacabos | A informar por el fabricante | |||
| 4,2 | Grapa de retención | A informar por el fabricante | |||
| 4,3 | Tirante | A informar por el fabricante | |||
| 4,4 | Empalme de protección | A informar por el fabricante | |||
| 5 | Rango diámetros para cable ADSS | mm | 16,5-17,5 | ||
| 6 | Grillete | ||||
| 6,1 | Referencia | A informar por el fabricante | |||
| 6,2 | Carga de rotura | daN | 12500 | ||
| 7 | Característica del galvanizado | ||||
| 7.1 | Platinas | Promedio | g/m 2 | 458 | |
| µm | 65,4 | ||||
| Mínimo | g/m 2 | 381 | |||
| µm | 54,4 | ||||
| 7.2 | Elementos Roscados | Promedio | g/m 2 | 397 | |
| µm | 56,6 | ||||
| Mínimo | g/m 2 | 336 | |||
| µm | 48 | ||||
FIGURA A.2.4 CONJUNTO DE SUSPENSIÓN PARA CABLE ADSS DE 24 HILOS (Diámetro 17 mm) SIN AMORTIGUADORES

Componentes del conjunto
| Item | Descripción | Cantidad |
| 1 | Grillete recto | 1 |
| 2 | Eslabón Revirado | 1 |
| 3 | Grapa de suspensión armada | 1 |
| 4 | Manguito de neopreno | 1 |
| 5 | Varillas de armado | 1 |
TABLA A.2.4 CONJUNTO DE SUSPENSIÓN PARA CABLE ADSS DE 24 HILOS (Diámetro 17 mm) SIN AMORTIGUADORES
| ÍTEM | DESCRIPCIÓN | UNIDAD | SOLICITADO | OFERTADO | |
| 1 | Fabricante | ||||
| 2 | Referencia/Modelo | ||||
| 3 | Elementos que componen el conjunto | A informar por el fabricante (elemento, cantidad y referencia) | |||
| 4 | Material | ||||
| 4,1 | Grillete, eslabón | A informar por el fabricante | |||
| 4,2 | Grapa de suspensión | A informar por el fabricante | |||
| 4,3 | Varillas de armado | A informar por el fabricante | |||
| 5 | Rango diámetros para cable ADSS | mm | 16,5-17,5 | ||
| 6 | Grillete | ||||
| 6,1 | Referencia | A informar por el fabricante | |||
| 6,2 | Carga de rotura | daN | 12500 | ||
| 7 | Grapa de suspensión | ||||
| 7,1 | Referencia | A informar por el fabricante | |||
| 7,2 | Carga de rotura | kN | 85 | ||
| 8 | Varillas de armado | ||||
| 8,1 | Referencia | A informar por el fabricante | |||
| 8,2 | Longitud | mm | 1400 | ||
| 9 | Característica del galvanizado | ||||
| 9.1 | Platinas | Promedio | g/m 2 | 458 | |
| µm | 65,4 | ||||
| Mínimo | g/m 2 | 381 | |||
| µm | 54,4 | ||||
| 9.2 | Elementos Roscados | Promedio | g/m 2 | 397 | |
| µm | 56,6 | ||||
| Mínimo | g/m 2 | 336 | |||
| µm | 48 | ||||
FIGURA A.2.5 AMORTIGUADOR PARA CABLE ADSS DE 24 HILOS (Diámetro 17 mm)

Componentes del conjunto
| Item | Descripción | Cantidad |
| 1 | Contrapeso 1 | 1 |
| 2 | Contrapeso 2 | 1 |
| 3 | Varillas de fijación | 3 |
| 4 | Cuerpo de grapa | 1 |
| 5 | Cable portor | 1 |
| 6 | Varillas de protección |
TABLA A.2.5 AMORTIGUADOR PARA CABLE ADSS DE 24 HILOS (Diámetro 17 mm)
| ÍTEM | DESCRIPCIÓN | UNIDAD | SOLICITADO | OFERTADO | |
| 1 | Fabricante | ||||
| 2 | Referencia/Modelo | ||||
| 3 | Elementos que componen el conjunto | A informar por el fabricante (elemento,cantidad y referencia) | |||
| 4 | Material | ||||
| 4,1 | Contrapesos,cable portor | A informar por el fabricante | |||
| 4,2 | Varillas de armado | A informar por el fabricante | |||
| 4,3 | Varillas de fijación | A informar por el fabricante | |||
| 4,4 | Cuerpo de la grapa | A informar por el fabricante | |||
| 5 | Rango diámetros para cable ADSS | mm | 16,5-17,5 | ||
| 6 | Longitud de varillas de armado | mm | A informar por el fabricante | ||
| 7 | Característica del galvanizado | ||||
| 7.1 | Platinas | Promedio | g/m 2 | 458 | |
| µm | 65,4 | ||||
| Mínimo | g/m 2 | 381 | |||
| µm | 54,4 | ||||
| 7.2 | Elementos Roscados | Promedio | g/m 2 | 397 | |
| µm | 56,6 | ||||
| Mínimo | g/m 2 | 336 | |||
| µm | 48 | ||||
FIGURA A.2.6 AMORTIGUADOR PARA CABLE OPGW DE 24 HILOS (Diámetro 14-15 mm)

Componentes del conjunto
| Item | Descripción | Cantidad |
| 1 | Cuerpo de grapa | 1 |
| 2 | Tornillo hexagonal | 1 |
| 3 | Tuerca | 1 |
| 4 | Contrapeso | 1 |
| 5 | Contrapeso | 1 |
| 6 | Cable portor | 1 |
TABLA A.2.6 AMORTIGUADOR PARA CABLE OPGW DE 24 HILOS (Diámetro 14-15 mm)
| ÍTEM | DESCRIPCIÓN | UNIDAD | SOLICITADO | OFERTADO | |
| 1 | Fabricante | ||||
| 2 | Referencia/Modelo | ||||
| 3 | Elementos que componen el conjunto | A informar por el fabricante (elemento,cantidad y referencia) | |||
| 4 | Material | ||||
| 4,1 | Contrapesos,cable portor | A informar por el fabricante | |||
| 4,2 | Varillas de armado | A informar por el fabricante | |||
| 4,3 | Varillas de fijacion | A informar por el fabricante | |||
| 4,4 | Cuerpo de la grapa | A informar por el fabricante | |||
| 5 | Rango diámetros para cable ADSS | mm | 14-15 | ||
| 6 | Longitud de varillas de armado | mm | A informar por el fabricante | ||
| 7 | Característica del galvanizado | ||||
| 7.1 | Platinas | Promedio | g/m 2 | 458 | |
| µm | 65,4 | ||||
| Mínimo | g/m 2 | 381 | |||
| µm | 54,4 | ||||
| 7.2 | Elementos Roscados | Promedio | g/m 2 | 397 | |
| µm | 56,6 | ||||
| Mínimo | g/m 2 | 336 | |||
| µm | 48 | ||||
FIGURA A.2.7 PERNO DE OJO CON TUERCA – 5/8”

TABLA A.2.7 PERNO DE OJO CON TUERCA – 5/8”
| Ítem | Descripción | Unidad | Solicitado | Ofertado |
| 1 | Fabricante | |||
| 2 | Referencia/Modelo | |||
| 3 | Material | Acero galvanizado caliente | ||
| 4 | Carga a la rotura | kN | 70 | |
| 5 | Dimensiones | A informar por el fabricante |
ANEXO 3.
ELEMENTOS EN COBRE
FIGURA A3.1 CONECTOR FLEXIBLE DE COBRE TIPO TRENZA

CARACTERÍSTICAS ESPECIALES:
- Longitud de la trenza (L) = 600 mm.
- capacidad nominal = 1600 Amperios.
DETALLES CONSTRUCTIVOS:
- Conectores Flexibles tipo trenza enmallada
- Perforaciones en terminales de 14mm con interdistancia entre centros de 40mm
- L1=B=80 mm y espesor S (mínimo) de 14,5mm
- Material a Emplear:
- Conector = Trenza de Cobre estañado
- Terminal = Cobre electro-plateado
- Características Electrotérmicas: Las densidades de corriente máximas admisibles para las trenzas serán:
- Densidad de corriente de contacto : 0,22 A/mm2
- Densidad de corriente de conducción: 1,8 A/mm2
Nota: Se denomina corriente de contacto a la que circula a través de las Superficies de contacto geométrico entre dos o más elementos conductores.
TABLA A3.1 CONECTOR FLEXIBLE DE COBRE TIPO TRENZA
| Ítem | Descripción | Unidad | Solicitado | Ofertado |
| 1 | Fabricante | |||
| 2 | Referencia/Modelo | |||
| 3 | Dimensiones según figura A3,1 | |||
| 3,1 | L | mm | 600 | |
| 3,2 | L1 | mm | 80 | |
| 3,3 | B | mm | 80 | |
| 3,4 | S(espesor) | mm | A informar por el fabricante | |
| 4 | Material | |||
| 4,1 | Trenza | Cobre estañado | ||
| 4,2 | Terminales | Cobre electroplateado | ||
| 5 | Capacidad corriente nominal | A | 1600 |
TABLA A.3.2 TUBERÍA DE COBRE PARA USO ELÉCTRICO SCHEDULE 80
| Ítem | Descripción | Unidad | Solicitado | Ofertado |
| 1 | Fabricante | |||
| 2 | Norma | ASTM B-188 | ||
| 3 | Dimensiones | |||
| 3,1 | Schedule | 80 | ||
| 3,2 | Tamaño Nominal IPS | pulg | 3 ?/? | |
| 3,3 | Diametro exterior | mm | 73,025 | |
| 3,4 | Diametro Interior | mm | 58,801 | |
| 3,5 | Espesor | mm | 7,112 | |
| 4 | CARACTERISTICAS FISICAS y MECANICAS | |||
| 4,1 | Intensidad admisible a T30°C | A | 1975 | |
| 4,2 | Resistencia a la traccion | KSI | indicar | |
| 4,3 | Coeficiente de dilatación. | exp-6mm/°C | indicar | |
| 4,4 | Conductividad electrica | (%IACS) | indicar | |
| 4,5 | Peso | kg/cm | indicar | |
| 4,6 | Longitud Tubo | m | 6 | |
| 4,7 | Cantidad de tubos | und | 3 | |
| 5 | Certificado fabricante y garantia d ematerial | presentar |
ANEXO 4.
EMPALME OPGW
FIGURA A4.1 PLANO CRUCETA EMPALME OPGW SOPORTE MONTANTE

FIGURA A4.2 PLANO EMPALME FIBRA OPTICA24 HILOS

Tabla A4,1 Caja de Empalme para OPGW
| ITEM | DESCRIPCION | UNIDAD | SOLICITADO | OFRECIDO | OBSERVACION |
| 1 | Casco de alta 6.5", sin puesta a tierra | Un | 1 | (*) | |
| 2 | Fondo del casco de 6.5" | Un | 1 | (*) | |
| 3 | Cabeza 6.5", 2 secciones | Un | 2 | (*) | |
| 4 | Barra en casos de empalme 6.5" | Un | 1 | (*) | |
| 5 | Conjunto barra de manejo 6.5" | Un | 1 | (*) | |
| 6 | Barra de tiro cem-6.5" | Un | 1 | (*) | |
| 7 | Tuerca zinc 1/2" | Un | 1 | (*) | |
| 8 | Arandela de la válvula de aire | Un | 1 | (*) | |
| 9 | Brida de la válvula de aire | Un | 1 | (*) | |
| 10 | Anillo 1/2" | Un | 1 | (*) | |
| 14 | Soporte de montaje de caja | Un | 1 | (*) | |
| 15 | Soporte de montaje a torre | Un | 2 | (*) | |
| 16 | Tubo de transporte | Un | 1 | (*) |
(*) Concepto a indicar por el oferente
(* *) Concepto de cumplimiento obligatorio
DATOS ADICIONALES
Revisión #
3
Fecha de entrada en vigencia
Actividad de los usuarios
Para hacer comentarios debe iniciar sesión o registrarse aquí