ET901 Caja para un medidor monofasico con tapa extraíble
- Contenido
1. OBJETO
Establecer las condiciones que deben satisfacer las cajas para un medidor monofásico con tapa extraíble, las cuales deben poseer excelentes características técnicas de desempeño, durabilidad y calidad para cumplir las condiciones actuales de operación en los sistemas de distribución de energía.
2. ALCANCE
La presente especificación se aplicará a todas las cajas para un medidor monofásico con tapa extraíble que adquiera Enel Colombia.
3. CONDICIONES DE SERVICIO
Las cajas para un medidor monofásico serán utilizadas en el sistema de baja tensión del área de concesión de Enel Colombia, bajo las siguientes condiciones:
| CARACTERÍSTICAS AMBIENTALES | |
| a. Altura sobre el nivel del mar | 2 640 m |
| b. Ambiente | Tropical |
| c. Humedad | Mayor al 90 % |
| d. Temperatura máxima y mínima | 45 ºC y - 5 ºC respectivamente. |
| e. Temperatura promedio | 14 ºC. |
| f. Instalación | Empotrada |
| CARACTERÍSTICAS ELÉCTRICAS | |
| a. Tensión Nominal del sistema | 120/208 V. |
| b. Tensión máxima | 600 V |
| c. Disposición del sistema | Bifásico trifilar (2 Fases + Neutro) |
| Monofásico bifilar (1 Fase + Neutro) | |
| d. Frecuencia del sistema | 60 Hz |
4. SISTEMA DE UNIDADES
En todos los documentos técnicos se deben expresar las cantidades numéricas en unidades del sistema Internacional (S.I.). Si se usan catálogos, folletos o planos, en sistemas diferentes de unidades, deben hacerse las conversiones respectivas.
5. NORMAS DE FABRICACIÓN Y PRUEBAS
| NORMA | DESCRIPCIÓN |
| ASTM B117 | Prueba de Cámara Salina |
| ASTM D14000 | Medición de espesores de recubrimiento |
| IEC 29 | Degrees of protection provided by enclosures. |
| IEC 144 | Degrees of protection of enclosures for low voltage switchgear and control gear”. |
| ISO 2859-1 | Muestreo para inspección . |
| NTC 2154 | Bloques de Terminales para uso industrial. |
| NTC 3279 | Grados de protección dados por encerramiento de equipo eléctrico código IP. |
| NTC 3916 | Método de ensayo para la resistencia a la tracción de recubrimientos, utilizando probadores portátiles de adherencia. |
| UL 486A | Wire connectors and soldering lugs for use with cooper conductors |
| UL 1059 | Terminal Blocks |
| NCT 5991 | Envases y embalajes. requisitos de los envases y embalajes valorizables mediante compostaje y biodegradación. Programa de ensayo y criterios de evaluación para la aceptación final del envase o embalaje |
| ASTM D6400-04 | Standard Specification for Compostable Plastics |
| NTC-IEC 62262 | Grados de protección proporcionados por los encerramientos de equipos eléctricos contra los impactos mecánicos externos (código ik) |
Pueden emplearse otras normas internacionalmente reconocidas equivalentes o superiores a las aquí señaladas, siempre y cuando se ajusten a lo solicitado en la presente Especificación Técnica .
Las normas citadas en la presente especificación (o cualquier otra que llegare a ser aceptada por Enel Colombia.) se refieren a su última revisión.
6. REQUERIMIENTOS TÉCNICOS PARTICULARES
6.1 Características Generales
Las cajas para un medidor monofásico con tapa extraíble requeridas por Enel Colombia. deben cumplir con las siguientes condiciones:
a. Ser construida con materiales de la mejor calidad debiéndose descartar el empleo de materiales alterables por la humedad, radiación solar y otras condiciones ambientales desfavorables.
b. Ser autosoportable, compacta, liviana y con una estructura completamente rígida e indeformable, sin aristas, bordes ni esquinas vivas, agudas o cortantes.
c. La posición de trabajo de la caja será vertical, para facilitar la lectura de los medidores.
d. Si se fabrica en lámina de acero SAE 1010 o similar (autorizada por Enel Colombia) debe ser construida en forma embutida., los materiales sometidos a estudio deben ser mecanizables, es decir, que se puedan limar, cortar, agujerear y frezar sin presentar sobrecalentamiento.
e. El calibre de la lámina sin pintura debe ser como mínimo calibre 20 (0.912 mm) y en caso de que el cuerpo y la tapa sean fabricados en material polimérico el espesor mínimo es de 3mm.
f. El material polimérico usado en la construcción del cuerpo, transparencia de seguridad de la tapa y en los soportes portabornera, debe tener las siguientes propiedades según aplique:
- Autoextinguible,
- No higroscópico,
- Alta resistencia al impacto,
- No deben presentar deformación ni cristalización por temperatura,
- Resistencia al ataque de químicos usados en la industria de la construcción, especialmente el alcalino debido al cemento.
- Protección UV, sin que la parte se decolore u opaque ni se pierdan propiedades químicas y mecánicas al estar a la intemperie.
- Rigidez dieléctrica.
- La transparencia de seguridad de la tapa deberá ser especialmente resistente a las ralladuras.
g. La caja debe tener un índice de hermeticidad IP44 de acuerdo a la norma IEC 529, y con grado de protección contra choques IK 10 ( 20,0. julios).
h. La caja debe estar compuesta por el cuerpo y una tapa, la cual deberá poseer todos los accesorios necesarios y suficientes para su correcta utilización, funcionamiento y fácil transporte.
i. Deben permitir el montaje de un interruptor termomagnético bipolar o uno monopolar de sobreponer con tornillos, o montaje en riel DIN y/o fijación tipo enchufable.
j. Aptas para ser semiempotradas en paredes de mampostería de domicilios ó para instalación en poste con alimentación monofásica bifilar (F + N) o bifásico trifilar (F + F + N) desde las redes de distribución secundaria con los siguientes objetivos:
- Alojar y facilitar la instalación de un medidor monofásico o bifásico (bifilar o trifilar) y un interruptor termomagnético monopolar o bipolar, de forma que el acceso a las conexiones sea exclusivo para el personal autorizado por Enel Colombia.
- Facilitar la lectura del medidor, las revisiones de la instalación y demás trabajos.
- Facilitar los procesos de corte y reconexión del servicio a los usuarios ocasionalmente morosos, desde la caja para medidor.
- Soportar la maniobra adecuada tanto de la conexión a la red secundaria, a los interruptores y a las instalaciones internas del domicilio.
- Proporcionar al usuario acceso únicamente a las palanquillas de operación de los interruptores.
k. Cuando aplique, la sujeción al poste de concreto podrá efectuarse con una cinta de acero inoxidable de 1/2" (Band it).
l. Demostrar la ausencia de las siguientes sustancias: Retardantes de llama bromados, el Ácido Perfluorooctano Sulfónico (PFOS) y sus sales, Fluoruro de Perfluorooctano Sulfonilo (PFOSF) y el Pentaclorobenceno (PeCB). Debe ser demostrado mediante ficha técnica .
6.2 Características geométricas y de construcción
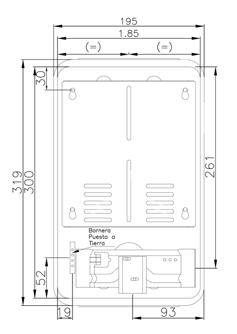
La caja será de la forma y dimensiones que se muestran en las figuras anexas, teniendo en cuenta:
| DIMENSIONES GENERALES | |||
| ÍTEM | CUERPO | TAPA | CAJA |
| Sin pestañas | Sin pestañas | ||
| Ancho [mm] | 180 | 178 | 195 |
| Alto [mm] | 281 | 290 | 304 |
| Profundidad [mm] | 75 | 75 | 150 |
6.2.1 Cuerpo
El cuerpo de la caja debe poseer perforaciones para tubos metálicos, con las siguientes características:
| PERFORACIONES PRETROQUELADAS | |||
| ÍTEM | DIÁMETRO Pretroquelado | DIÁMETRO TUBO | CANTIDAD Pretroquelados |
| Cara superior de la caja | Concéntricos: | ¾” | 2 |
| 28 mm | |||
| 35 mm | 1" | ||
| Cara inferior de la caja | 23 mm | ½” | Para puesta a tierra |
| Concéntricos: | 1" | ||
| 35 mm | 1 | ||
| Cara lateral derecha e izquierda, en la parte inferior | Concéntricos: | ¾” | 1 por cara. Cara derecha 1", cara izquierda ¾” |
| 28 mm | |||
| 35mm | 1" | ||
Nota: El diámetro concéntrico aplica solo para las cajas metálicas.
En la parte inferior de la cara posterior de la caja se ubicará el terminal de tierra , dándole una altura suficiente para que sobresalga y facilite la conexión de la caja a la red.
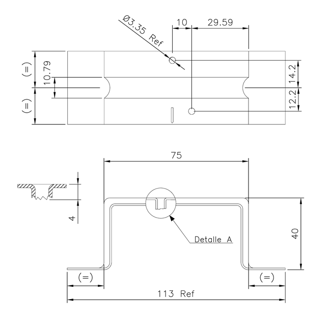
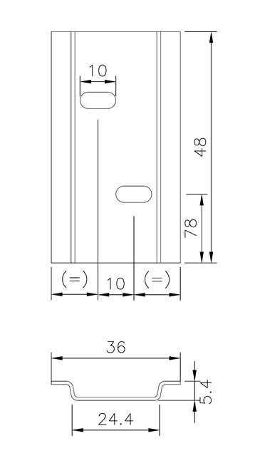
Adicionalmente se ubicará un soporte interruptor a 25 mm desde la base inferior de la caja con una altura de 40 mm al que se ensamblará el riel interruptor con una altura de 5.4 mm por medio de tornillos, para permitir el montaje de un interruptor termomagnético bipolar o uno monopolar. Los soportes deben estar concéntricos con la caja de acceso al interruptor ubicada en la tapa, de forma tal, que la palanca de accionamiento de cualquiera de los tipos de interruptor nombrados en el literal j de características generales pueda operar desde el compartimiento y permita la apertura y cierre de la puerta sin que se accione dicha palanca.
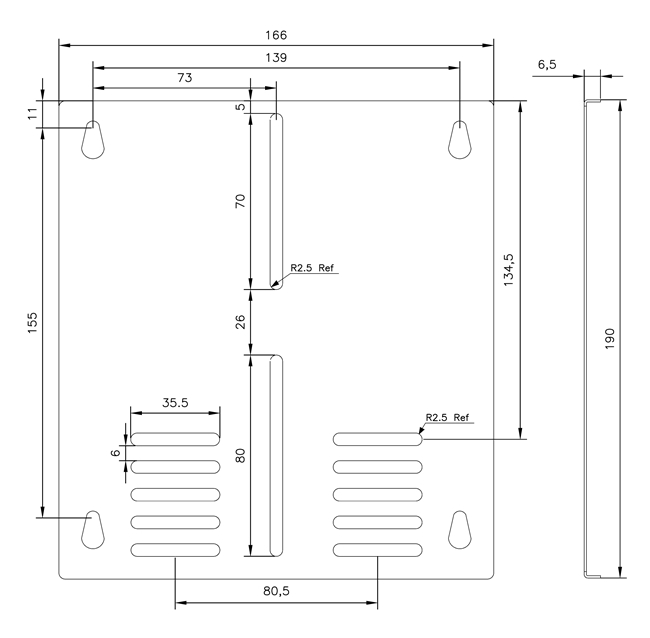
Adicionalmente, se encuentra una bandeja monofásica de dimensiones 166x190 mm, instaladas al cuerpo de la caja sobre cuatro soportes o pines de sujeción. Para permitir el ensamble del medidor a la bandeja, cada bandeja tiene ensamblado un juego de: tres tornillos, tres tuercas zincadas, tres arandelas de presión, tres arandelas embutidas para tornillo N°8 - 32UNC x 5/8 longitud. Todos los componentes deben estar zincados.
6.2.2 Tapa
En el área frontal de la tapa, se ubica una ventana de inspección con un marco de 107 x 107 mm y un visor en vidrio templado (IK8) con un espesor de 5 mm mínimo, con zona libre después del marco de 82 x 82 mm (tolerancia +/- 15mm). El marco y el visor únicamente se podrán desensamblar desde el interior de la caja (ver numeral 6.1 f y figura 8). Se debe permitir el desmonte del visor, para el cambio de este.
En la parte inferior de la tapa se ubica la ventana de acceso al interruptor . Para limitar la apertura o acceso no autorizado al interruptor , en la tapa corrediza se debe ensamblar con soldadura un buje de diámetro interno de 7mm y longitud de 13mm mínimo para el uso de un candado. La soldadura aplicada para dicho ensamble debe asegurar la adherencia de toda la superficie de contacto del buje a la tapa corrediza para garantizar que no se presente corrosión entre dichas áreas y una correcta funcionalidad.
La tapa tendrá un orificio de 22 mm, para ensamblar los bujes del sistema de seguridad a la tapa con un anillo seeger para exteriores. A su vez, el buje debe permitir el ensamble de un perno de cabeza triangular RW ¼” y del sello de seguridad de Enel Colombia. con una perforación de 1,3mm. Tanto el perno cabeza triangular como la llave para accionarlo, serán suministrados por el fabricante para garantizar su cierre y deberán ser reemplazados por un perno de seguridad antifraude suministrado por Enel Colombia.
La caja debe ser fabricada con un marco alrededor de la tapa con una pestaña, de forma que permita el ajuste y cierre con el cuerpo, evitando el ingreso de agua al interior de la caja, las intervenciones y el acceso no autorizado o fraudulento de los usuarios o extraños.
6.2.3 Bornera de puesta a tierra
El interior de la caja debe contener una bornera de puesta a tierra para aterrizar el neutro , la caja y el medidor, así como los conductores de continuidad eléctrica y el electrodo de puesta a tierra. Deberá tener una capacidad no inferior de 50 A y tener la disposición de alojar conductores de calibre No.10AWG hasta 8AWG; para lo cual tendrá cuatro orificios en las partes laterales y cuatro en su parte superior. La sujeción de los conductores que pasan a través de la bornera por los orificios laterales deberá hacerse mediante tornillos de punta redondeada colocados a 90° de la perforación; esto asegurará una mayor superficie de contacto entre los conductores y la bornera. Esta bornera se debe sujetar a la carcasa mediante dos tornillos soldados a la cara posterior de la caja. El material de la bornera debe ser cobre o aleación de cobre.
La corriente especificada para la bornera corresponde a su capacidad nominal y para la ejecución de las pruebas requeridas en el numeral se deberán aplicar las corrientes especificadas en las normas de referencia para el conductor de mayor calibre a ser instalado y cuando sea requerido, la prueba se ejecutará con los conductores máximo, mínimo e intermedio, usados en la instalación de la bornera con sus correspondientes corrientes de ensayo .
6.2.4 Sistema compresión conductor
El sistema elegido para comprimir el conductor debe garantizar su correcta sujeción sin que se presenten:
a. Desconexiones accidentales de la alimentación secundaria o de las acometidas.
b. Daños al conductor como rotura o el trozado de alguno de los hilos.
c. Anomalías por esfuerzos mecánicos y eléctricos y térmicos que generen fallas en la sujeción o conexión.
6.3 Proceso de pintura
La lámina de acero utilizada en la construcción de las cajas debe someterse a un tratamiento de limpieza, el cual debe garantizar que las superficies estén libres de grasas, óxidos o cualquier elemento extraño, se debe aplicar una pintura de color gris RAL serie 70, similar al RAL 7032, resistente a los rayos ultravioleta.
Para procesos de recubrimiento con pintura líquida, luego del proceso de limpieza y fosfato, se debe aplicar una base de pintura epóxica con un espesor en las áreas interior y exterior de 50 µm, luego se debe aplicar un recubrimiento de pintura poliéster o acrílica con un espesor mínimo en el área exterior de 50 µm y en el área interior de 25 µm. El total de la capa de recubrimiento será mínimo de 100 µm en el área exterior y 70 µm en el área interior de recubrimiento.
Para procesos de recubrimiento con pintura electrostática en polvo, luego del proceso de limpieza y fosfato, se debe aplicar un recubrimiento de pintura epoxipoliéster. El total de la capa de recubrimiento será mínimo de 65 µm en el área exterior y de 50 µm en el área interior de recubrimiento.
6.4 Identificación
La caja tendrá grabado en alto relieve:
a. Inscripción en letras mayúsculas que diga “USO EXCLUSIVO DE Enel Colombia” en la parte frontal de la tapa de la caja.
b. Logotipo o nombre del fabricante, el tamaño de la letra será de 6mm mínimo.
c. Logotipo o nombre del comercializador si aplica
d. Símbolo de puesta a tierra en la parte posterior del cuerpo de la caja, correspondiente a cada bornera.
e. La tapa corrediza del interruptor tendrá marcada en su parte inferior la leyenda “CLIENTE".
f. Para las cajas en material polimérico debe marcarse con el Código de Identificación correspondiente a la materia prima, según codificación internacional.” Sociedad de la Industria de Plásticos (SPI)”;

*Grafico tomado de: https://www.vertederocero.com/tipos-de-plasticos-y-sus-numeros/
*En caso de corresponder al grupo #7 “Other”, se debe indicar sus componentes.
En la parte inferior derecha de la misma tendrá una placa especificando como mínimo: Nombre, teléfono y ciudad donde se ubica el fabricante, datos técnicos, fecha de fabricación, lote , serie de fabricación, número y fecha del certificado de conformidad de producto con norma técnica y RETIE.
Adicionalmente debe incluirse el símbolo de riesgo eléctrico con las mínimas dimensiones indicadas en el art. 11.2.2 y art. 11.3 del RETIE .
7. PRUEBAS
Las cajas de medidores deben cumplir con:
| VALIDACIONES / PRUEBAS A REALIZAR | TIPOS DE PRUEBAS | ||
| Tipo / Homologación | Rutina / Fabricación | Aceptación / Recepción | |
| 7.1. Certificados de materiales. | x | x | |
| 7.2. Propiedades materiales poliméricos. | x | x | |
| 7.3. Inspección dimensional, | x | x | x |
| 7.4. Inspección visual y funcional: cierre - apertura de la tapa. | x | x | x |
| 7.5 Inspección funcional | x | x | x |
| 7.6. Prueba contra impacto (código IK). | x | x | |
| 7.7. Ensayo de grado de protección (código IP). | x | x | |
| 7.8. Ensayo de autoextinción (sólo aplica para caja polimérica). | x | ||
| 7.9. Ensayo de resistencia a variaciones de temperatura (sólo aplica para caja polimérica) | x | ||
| 7.10. Ensayo de resistencia a la penetración de una bolilla (sólo aplica para caja polimérica) | x | ||
| 7.11. Ensayo de envejecimiento climático. (aplica a caja polimérica) | x | ||
| 7.12. Resistencia a la corrosión (sólo aplica para caja metálica) | x | ||
| 7.13. Espesor de pintura (sólo aplica para caja metálica) | x | x | x |
| 7.14. Ensayo de adherencia por tracción a pintura (sólo aplica para caja metálica) | x | x | x |
| 7.15. Análisis químico a borneras. | x | ||
| 7.16. Cámara de amoniaco a borneras. | x | ||
| 7.17. Corto circuito a bornera de puesta a tierra . | x | ||
| 7.18. Calentamiento estático a bornera de puesta a tierra . | x | ||
| 7.19. Ensayo de tracción a borneras. | x | ||
| 7.20. Ensayo de seguridad de montaje a borneras | x | ||
| 7.21. Ensayo de ensamble a borneras. | x | ||
7.1 Certificados de materiales
Deben presentarse los resultados de los siguientes análisis químicos:
a. Certificado de análisis químico de la lámina metálica o del material sintético del fabricante (subproveedor).
b. Certificado de análisis químico y de propiedades del material polimérico.
c. Certificado del tipo de pintura del fabricante (subproveedor).
d. Certificado del tipo de recubrimiento de las borneras (subproveedor) - si aplica.
e. Composición química de la bornera.
7.2 Propiedades materiales poliméricos
Las cajas cuyo cuerpo y puerta estén fabricados en materiales de naturaleza polimérica o equivalente a este deben poseer las siguientes características:
a. Resistencia a la tracción 612 kg/cm2
b. Resistencia a la flexión de 730 kg/cm2,
c. Resistencia a la rotura 856 kg/cm2.
d. Dureza Brinell de R-scale 120.
e. Auto extinguible (V2).
f. No higroscópico
g. No degradación.
7.3 Inspección Dimensional
La verificación de las dimensiones se hará con los instrumentos de medida que den la aproximación requerida (cinta metálica con divisiones de 1 mm para longitudes y calibrador para los diámetros y espesores). El tamaño de la muestra deberá estar de acuerdo con la Tabla 1.
Se verificará con base a:
- Esquemas indicados en las figuras anexas a la presente especificación.
- Planos entregados por el fabricante y aprobados por Enel Colombia.
Las tolerancias generales son:
a. Para la tapa y la base: ±20 mm,
b. Perno, Buje, platina y llave del sistema de seguridad : ±0.5 mm.
7.4 Inspección Visual
Se verificarán:
a. Las marcaciones descritas en el numeral 6.4
b. La buena terminación de todos los elementos constitutivos de la tapa y sus accesorios.
c. La ausencia de grietas, sopladuras, poros, exfoliaduras, ampolladuras, raspaduras u otros defectos.
7.5 Inspección funcional
Se verificará el correcto cierre y apertura de la tapa al cuerpo, el adecuado funcionamiento del dispositivo de cierre (incluyendo cambio de tornillo y el agarre de los anillos para exteriores - seeger), ensamble y desensamble de la tapa al soporte borneras de Fase cumpliendo el requerimiento de que sea imperdible.
7.6 Prueba contra impacto (Código IK)
El ensamble del cuerpo y la puerta deben ser resistentes al impacto de un martillo pendular de 5kg a 20 julios. Luego del impacto, la caja debe conservar su grado de protección IP manteniendo su funcionalidad en la apertura y cierre de la puerta. Adicionalmente, no se deben presentar roturas en el lente ni en el marco y el conjunto debe permanecer ensamblado. Se verificará de acuerdo a la NTC-IEC 62262
7.7 Ensayo de grado de protección (Código IP)
El índice de hermeticidad para las cajas será IP44, este grado de protección se verificará de acuerdo a la norma NTC 3279.
7.8 Ensayo de autoextinción
Este ensayo deberá realizarse en dos unidades de diferentes muestras y será ejecutado de acuerdo a lo descrito en la norma HN60E01 apartado 6 o a la norma ANSI/ASTM 635.
El ensayo no será satisfactorio si no se consume completamente el material , no continúa quemándose el material más de 5 segundos después de retirado el alambre del dispositivo de ensayo y si no presenta desprendimiento de gotas inflamadas o partículas incandescentes.
7.9 Ensayo de resistencia a variaciones de temperatura (resistencia a la estufa)
Se debe realizar sobre la caja completa y armada. La temperatura deberá se elevada a 80°C ± 2°C, durante el ensayo el material no deberá sufrir ninguna deformación que afecte el correcto funcionamiento posterior.
7.10 Ensayo de resistencia a la penetración de una bolilla
Deberá realizarse sobre el cuerpo de la caja y de la puerta siguiendo las modalidades indicadas en la norma HN 60-E-01, apartado 5.1. Durante el ensayo la temperatura de la estufa será mantenida a 80°C ± 2°C. Al finalizar la ejecución del ensayo el diámetro de la impronta producida por la bolilla no debe ser superior a 2mm.
7.11 Ensayo de envejecimiento climático
Este ensayo se efectuará sobre dos cajas o dos puertas; una de ellas debió haberse sometido con antelación al ensayo de resistencia a la estufa. El ensayo se efectuará siguiendo la metodología señalada en la norma ASTM G26, aplicando el método 1 durante 600 horas.
Al término de las 600 horas no deben presentarse degradación, grietas, oclusiones, ampolladuras y otros defectos que provoquen la rotura y las dos muestras deberán someterse nuevamente al ensayo de resistencia a choques mecánicos (código IK10)
7.12 Resistencia a la corrosión
Las muestras deben ser nuevas y libres de grasa, aceite, polvo y otras impurezas. A dichas muestras se les hacen dos incisiones, de 0.5mm de espesor, en forma de cruz que llegue hasta el substrato.
El ensayo de corrosión se realizará de acuerdo con la norma ASTM B 117 (Prueba de Cámara Salina) bajo las siguientes condiciones: Temperatura= 35°C, ph= 6,5-7,2 y concentración de cloruro de sodio al 5% durante 400 horas. Tiempo al que se verificará:
a. La progresión de la corrosión en la incisión debe ser inferior a 2mm.
b. No deben presentar trazas de corrosión ni burbujas.
c. El recubrimiento debe permanecer adherido a la capa de pintura conservando su color.
d. Los cierres y medios de acceso deben funcionar normalmente, esto, cuando se someta una caja a cámara salina.
7.13 Espesor de la pintura
El espesor de pintura debe medirse con un medidor de espesores debidamente calibrado según la norma ASTM D 14000 y el espesor mínimo debe estar de acuerdo con el numeral 6.3
Para la medición de los espesores de recubrimiento se deben tener en cuenta las siguientes definiciones:
a. Lectura del espesor: Medida que muestra el medidor de espesores, al colocar una vez el censor sobre la pieza a medir.
b. Medida del espesor: Promedios de 3 lecturas de espesor tomadas a una distancia aproximada de 2,5 cm.
7.14 Ensayo de adherencia por tracción a pintura.
Todas las capas de pintura deben garantizar una adherencia mínima de 400 libras/pulg2. La adherencia será evaluada según Norma ASTM D 4541.
7.15 Análisis químico a borneras
Se debe determinar la composición química de la bornera bien sea de cobre, aleación de cobre, según norma DIN 1709 o su equivalente. Para las borneras de cobre o aleación de cobre cuya composición química en zinc exceda el 15%, se aplicará el ensayo de cámara de amoniaco del numeral 8.11.
7.16 Cámara de amoniaco a borneras
Las borneras de cobre o aleación de cobre y cuyo porcentaje de zinc sea superior al 15% no deben mostrar evidencia de fisuras luego de someterlas a la cámara de amoniaco con un aumento de 25X. Según norma UL 486A.
7.17 Corto circuito a bornera de puesta a tierra
Se debe ensayar la bornera con el conductor de calibre máximo de uso especificado en el numeral 6.2.3.1 de esta especificación.
Para determinar el cumplimiento de este ensayo , se debe seguir la secuencia de actividades especificadas en la UL1059 con las corrientes y mediciones establecidas para borneras de tipo comercial o industrial.
7.18 Calentamiento estático a bornera de puesta a tierra
Se debe ensayar la bornera con el conductor de calibre máximo de uso especificado en el numeral 6.2.3.2/3 de esta especificación.
Para determinar el cumplimiento de este ensayo , se debe seguir la secuencia de actividades especificadas en la NTC2154 para el calibre del conductor especificado.
7.19 Ensayo de tracción a borneras
Se aplicará a la bornera una fuerza de tracción correspondiente a la sección trasversal del conductor, según valores establecidos en la NTC 2154, sin que el conductor se salga de la bornera ni la bornera se desprenda de la lámina.
7.20 Ensayo de seguridad de montaje a borneras
Se monta una bornera sobre una placa de acero o un riel suministrado por el fabricante, a cada lado de la bornera se fija un pin de acero de longitud y diámetro establecidos en la NTC 2154. Se aplica gradualmente la fuerza indicada a una distancia de 100 mm del centro de la fijación, una vez en cada dirección, alternadamente sobre cada lado de la bornera.
No se permiten golpes para aplicar la fuerza, una vez que se ha terminado el ensayo no se deben presentar deterioros en la bornera, ni soltarse algunos de los medios de montaje de la misma.
7.21 Ensayo de ensamble a borneras
De acuerdo con la norma NTC 2154, se monta una bornera sobre una placa de acero o un riel suministrado por el fabricante, se inserta el conductor y se aprietan los tornillos de fijación al 110% del torque especificado por el fabricante. Luego se deben aflojar los tornillos de fijación e insertar nuevos conductores apretándolos al 110% del torque, se repite el ensayo hasta completar 5 montajes usando las mismas borneras.
Este procedimiento se debe efectuar para el conductor de mayor diámetro y el de menor diámetro; en ninguno de los dos casos debe presentarse deterioro de los tornillos, de la bornera ni del conductor.
8. MUESTREO
Para las pruebas de aceptación se realizará muestreo acorde a las siguientes tablas:
TABLA 1.PLAN DE MUESTREO PARA INSPECCIÓN VISUAL Y DIMENSIONAL (NIVEL DE INSPECCIÓN II, NAC = 2,5%)
(NORMA NTC-ISO 2859-1 TABLA1 - TABLA 2A)
| TAMAÑO DEL LOTE | TAMAÑO DE LA MUESTRA | NUMERO PERMITIDO DE DEFECTUOSOS | NUMERO DEFECTUOSOS PARA RECHAZO |
| 2 a 8 | A = 2 | 0 | 1 |
| 9 a 15 | B = 3 | 0 | 1 |
| 16 a 25 | C = 5 | 0 | 1 |
| 26 a 50 | D = 8 | 1 | 2 |
| 51 a 90 | E = 13 | 1 | 2 |
| 91 a 150 | F = 20 | 1 | 2 |
| 151 a 280 | G = 32 | 2 | 3 |
| 281 a 500 | H = 50 | 3 | 4 |
| 501 a 1200 | J = 80 | 5 | 6 |
| 1201 a 3200 | K =125 | 7 | 8 |
| 3201 a 10000 | L =200 | 10 | 11 |
TABLA 2. PLAN DE MUESTREO PARA LOS ENSAYOS MECÁNICOS (NIVEL DE INSPECCIÓN ESPECIAL S-3, NAC = 2,5%)
(NORMA NTC-ISO 2859-1 TABLA1 - TABLA 2A)
| TAMAÑO DEL LOTE | TAMAÑO DE LA MUESTRA | NUMERO PERMITIDO DE DEFECTUOSOS | NUMERO DEFECTUOSOS PARA RECHAZO |
| 2 a 8 | A = 2 | 0 | 1 |
| 9 a 15 | A = 2 | 0 | 1 |
| 16 a 25 | B = 3 | 0 | 1 |
| 26 a 50 | B = 3 | 0 | 1 |
| 51 a 90 | C = 5 | 1 | 2 |
| 91 a 150 | C = 5 | 1 | 2 |
| 151 a 280 | D = 8 | 1 | 2 |
| 281 a 500 | D = 8 | 1 | 2 |
| 501 a 1200 | E = 13 | 1 | 2 |
| 1201 a 3200 | E = 13 | 1 | 2 |
| 3201 a 10000 | F = 20 | 1 | 2 |
9. EMPAQUE
Toda caja para medidor debe ir completa y cerrada, debe protegerse contra rayaduras y daños dentro del transporte, para esto cada una debe embalarse en una caja de cartón grueso, en cuyo exterior debe indicarse en forma impresa el “nombre del fabricante”, propiedad de “Enel Colombia.”, descripción del producto “Caja para un medidor monofásico con tapa extraíble”, número de contrato, orden de compra y código de inventario Enel Colombia.
Para el transporte debe embalarse en estibas con un número de unidades no mayor a 90 unidades por estiba y la estiba recubierta y sellada con material plástico, sobre el cual se adherirá una etiqueta de por lo menos 30 x 30 cm que indique que no se puede almacenar más de dos estibas en sentido vertical.
Los materiales usados para el empaque (Cartón, Plástico, Icopor, etc) deben contener como mínimo un 40% de material reciclado pos consumo o pos industrial, lo cual se demostrará conforme a lo dispuesto en la ficha técnica del producto .
Adicionalmente los plásticos usados deben ser biodegradables en un porcentaje igual o superior al 30% según lo indicado en las normas NTC-5991-2014, ASTM D6400-04, UNE-EN-ISO 13432:2000-11, DINV54900-2. De la misma manera el proveedor debe asegurar que los materiales plásticos requeridos para el empaque no deben contener sustancias de interés ambiental en su composición como Zinc (Zn), Cobre (Cu), Níquel (Ni), Cadmio (Cd), Plomo (Pb), Mercurio (Hg), Cromo (Cr), Arsénico (As) y Cobalto (Co).
Los requisitos deberán ser demostrables con una ficha técnica del material utilizado.
10. GARANTÍA DE FÁBRICA
Enel Colombia requiere como mínimo, un período de garantía de fábrica de veinticuatro (24) meses, a partir de la entrega de los bienes.
11. CERTIFICADOS DE CONFORMIDAD
El oferente adjuntará con su propuesta el certificado de conformidad de producto con norma técnica y RETIE , expedido por una entidad autorizada por el Organismo Nacional de Acreditación de Colombia-ONAC.
12. PRESENTACIÓN DE LAS OFERTAS
El oferente deberá presentar su oferta técnica con la siguiente información:
- ANEXO 1: planillas de características técnicas garantizadas, la cual deberá ser diligenciada completamente y presentada en formato Excel, firmada.
- EXCEPCIONES TÉCNICAS: apartado en el cual se deben relacionar las excepciones de carácter exclusivamente técnico de la oferta, respecto a los bienes solicitados. Si la oferta no presenta excepción, se indicaría expresamente en el mismo “NO HAY EXCEPCIONES”
- PROTOCOLO DE PRUEBAS: relación de los ensayos realizados a la caja y a sus accesorios de acuerdo con lo indicado en el apartado 7 de la presente especificación. En estos protocolos se deberán anotar las fechas de fabricación y de realización de las pruebas, para permitir la verificación de las características técnicas garantizadas.
- CERTIFICACIONES: Certificación del sistema de calidad y de producto con norma técnica y RETIE .
- EVIDENCIA TÉCNICA : relación de clientes, evidencia de su capacidad técnica y experiencias relacionadas con los materiales y/o equipos cotizados.
- GARANTÍA: carta de garantía de los bienes cotizados.
- NORMAS: normas técnicas aplicables a los bienes cotizados.
- CATÁLOGOS: catálogos originales completos y actualizados del fabricante, que correspondan a los bienes cotizados.
- INFORMACIÓN ADICIONAL: información adicional que se considere aporta explicación al diseño de la caja (dibujos, detalles, dimensiones y pesos de los materiales ofertados), así como las instrucciones de instalación, características de operación y mantenimiento .
En caso que se requiera se podrán exigir muestras de cada una de las referencias ofertadas sin cargo a devolución, con cada una de las características técnicas, solicitadas y mencionadas en la presente especificación.
Enel Colombia. podrá descartar ofertas que no cumplan con las anteriores disposiciones, sin expresión de causa ni obligación de compensación















ANEXO 1.
CARACTERÍSTICAS TÉCNICAS GARANTIZADAS
| CAJA PARA UN MEDIDOR MONOFÁSICO CON TAPA EXTRAÍBLE | ||||
| N° | ELEMENTO | CARACTERÍSTICA | OFERTADO | |
| 1 | Proponente | País de fabricación | ||
| Fabricante | ||||
| Representante del fabricante | ||||
| 2 | Normas | Fabricación y pruebas | ||
| 3 | Características eléctricas | Tensión nominal [V] | ||
| 4 | Componentes Cuenta con: | Una bandeja portamedidor (si/no) | ||
| Un visor en vidrio templado (si/no) | ||||
| Una bornera de Puesta a tierra (si/no) | ||||
| Diámetro y número de pretroquelados En la parte superior En la parte inferior En la parte lateral | ||||
| Por la bandeja se entrega ensamblado un juego de 3 tornillos zincados, 3 tuercas zincadas, 3 arandelas de presión zincadas para tornillo, 3 arandelas planas zincadas para tornillo | ||||
| 1 tornillo cabeza triangular RW 1/4" (si/no) | ||||
| 1 buje en zamack para sistema de seguridad (si/no) | ||||
| Llave para tornillo cabeza triangular (si/no) | ||||
| 5 | Acabado | Sin grietas, sopladuras, poros, exfoliaduras, ampolladuras, raspaduras u otros defectos | ||
| 6 | Marcación | Logo: Terminal de puesta a tierra y riesgo eléctrico | ||
| Texto: "USO EXCLUSIVO Enel Colombia" y “CLIENTE” | ||||
| Placa con datos técnicos e información del Fabricante | ||||
| y todas las marcaciones indicadas en capítulo. 6.4 | ||||
| 7 | Materiales | Tipo de lámina | ||
| Tipo de pintura x tipo de aplicación (liquida o electrostática) | ||||
| Tipo de pintura x composición química | ||||
| Especificación color pintura | ||||
| Material de la ventana de inspección | ||||
| Material del marco de la ventana de inspección | ||||
| Material cuerpo y tapa (en caso de que no sea metálica) | ||||
| Composición química de la bornera | ||||
| Composición química del sistema de seguridad (buje y tornillo) | ||||
| 8 | Dimensionales | Tamaño de la caja | Total sin bordes (ancho x alto x profundidad) | |
| Cuerpo (ancho x alto x profundidad) | ||||
| Tapa (ancho x alto x profundidad) | ||||
| Calibre de la lámina sin pintura. | Cuerpo | |||
| Tapa | ||||
| Bandeja Portamedidor | ||||
| Espesor Ventana de Inspección | ||||
| Espesor de recubrimiento (total) | Exterior | |||
| Interior | ||||
| Dimensiones Bornera | ||||
| Diámetro del alojamiento para el conductor que aloja la bornera de tierra (AWG) | ||||
| Distancia entre centros perforaciones de anclaje de la bandeja portamedidor | ||||
| 9 | Empaque | Cumple con lo solicitado en el numeral 9 (Presentan ficha técnica del material utilizado) (si/no) | ||
| 10 | Certificado Sistema de calidad (Norma ISO9001) | Entidad certificadora | ||
| Número de certificado | ||||
| Fecha de aprobación (Día/Mes/Año) | ||||
| Vigencia | ||||
| Adjunta el certificado (Si/No) | ||||
| 11 | Certificación de producto con norma técnica | Entidad certificadora | ||
| Número de certificado | ||||
| Fecha de aprobación (Día/Mes/Año) | ||||
| Vigencia | ||||
| Adjunta el certificado (Si/No) | ||||
| 12 | Certificación de producto con RETIE | Entidad certificadora | ||
| Número de certificado | ||||
| Fecha de aprobación (Día/Mes/Año) | ||||
| Vigencia | ||||
| Adjunta el certificado (Si/No) | ||||
| 13 | Desviaciones presentadas | |||
| 14 | Garantía | |||
DATOS ADICIONALES
Revisión #
6
Fecha de entrada en vigencia
Actividad de los usuarios
Para hacer comentarios debe iniciar sesión o registrarse aquí