ET617 Adaptadores terminales para ductos de pvc

  • Contenido

1. REQUISITOS GENERALES

1.1 Condiciones de servicio

Los adaptadores terminales de que trata esta especificación serán instalados en las llegadas a cajas metálicas para sujetar el ducto a la caja y evitar daños en los conductores.

1.1.1 Condiciones ambientales

- Altura sobre el nivel del mar: 2640 m
- Humedad relativa: 90%
- Temperatura ambiente máxima: 27 °C
- Temperatura ambiente mínima: -5 °C
- Temperatura ambiente promedio: 14 °C

1.1.2 Características eléctricas del sistema

- Tensión nominal máxima: 208 /120 V – 120 /240 V

1.1.3 Condiciones de instalación

- Uso dentro de edificaciones y en concreto

1.2 Adaptadores terminales normalizados

Los adaptadores terminales deberán ser de poli(cloruro de vinilo) (PVC) rígido aptos para ductos livianos y pesados.

Los adaptadores terminales pueden ser de:

- 1/2"
- 3/4"
- 1"
- 1” ¼
- 1” ½
- 2”

1.3 Normas de fabricación y pruebas

El adaptador, debe estar de acuerdo con los requerimientos de la última revisión de las siguientes normas (donde sean aplicables):

• ICONTEC NTC 979 – Plásticos. Tubos y curvas de poli(cloruro de vinilo) (PVC) rígido para alojar y proteger conductores eléctricos aislados
• ICONTEC NTC 369 – Especificaciones para compuestos rígidos de polímeros de cloruro de vinilo (PVC, CPVC y copolímeros)
• ICONTEC NTC 576 – Cementos solventes para tubos y accesorios de PVC
• ICONTEC NTC 595 – Plásticos. Determinación de las propiedades de tensión
• ICONTEC NTC 1125 – Plásticos. Determinación de la resistencia al impacto de tubos y accesorios termoplásticos por medio de una baliza (peso en caída)
• ICONTEC NTC-ISO 2859-1 – Procedimientos de muestreo para inspección por atributos. Parte 1. Planes de muestreo determinados por el nivel aceptable de calidad (NAC) para inspección lote a lote .
• ICONTEC NTC-ISO 2859-2 – Procedimientos de muestreo para inspección por atributos. Parte 3. Planes de muestreo determinados para la calidad límite para la inspección de un lote aislado
• ICONTEC NTC-ISO 2859-3 – Procedimientos de muestreo para inspección por atributos. Parte 3. Procedimientos de muestreo intermitentes
• ICONTEC NTC 2983 – Plásticos. Determinación del grado de ablandamiento de tubería de poli(cloruro de vinilo) (PVC) extruído y accesorios moldeados por inmersión en acetona
• ICONTEC NTC 3254 – Plásticos. Determinación de las características de carga exterior de tubería plástica por medio de platos paralelos
• ICONTEC NTC 3358 – Plásticos. Determinación de las dimensiones de tubería y accesorios termoplásticos
• ICONTEC NTC-ISO 3951 – Procedimientos de muestreo y gráficos de inspección por variables para porcentaje no conforme.

2. REQUISITOS TÉCNICOS PARTICULARES

El adaptador terminal deberá cumplir con las características y ensayos dadas en la norma ICONTEC NTC 979, y con las características generales dadas en las Tablas No. 1 y No. 2.

2.1 Marcación de los adaptadores

Los adaptadores deberán llevar estampado, como mínimo, de forma legible en el que aparezcan las siguientes indicaciones:

- La sigla PVC
- El diámetro nominal del adaptador en mm y en pulgadas
- Nombre del fabricante o la marca de fábrica
- Fecha de fabricación (mes, año) o identificación del lote de fabricación
- Enel Colombia S.A. ESP

Tabla No. 1
Tamaño nominal de los adaptadores terminales
Tamaño Nominal Tipo Código SAP
pulgadas Fi(mm)
½” 21,34 PVC
¾" 26,67 PVC
1" 33,4 PVC
1” ¼ 42,16 PVC
1” ½ 48,26 PVC
2 60,32 PVC

CARACTERÍSTICAS DE FABRICACIÓN

Los adaptadores deben ser aptos para utilización en las condiciones de servicio estipuladas en el numeral 1.1. de la presente especificación, y deberán cumplir con las características que se especifican a continuación:



Tabla No. 2
Requisitos generales de los adaptadores terminales
Adaptador Terminal
Material Poli(cluroro de vinilo) rígido
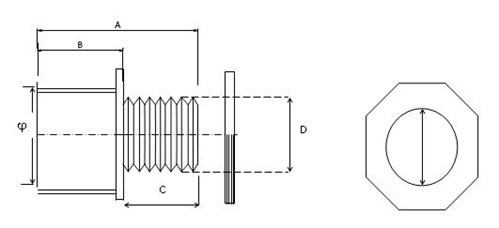
Diámetro nominal Longitud mínima de A en mm Longitud mínima de B en mm Longitud mínima de C en mm
Pulgadas mm Promedio Promedio mm
1/2 21 31,6 17 14,6
3/4 26 32,9 18,26 14,7
1 33 39,8 22,23 17,6
1,1/4 42 41,6 23,83 17,8
1,1/2 48 45,6 27,79 17,9
2 60 47,5 29,36 18,2

2.2 Requisitos generales

El material de los adaptadores deberá ser homogéneo a través de la pared, y uniforme en color, opacidad y densidad.

Las superficies interna y externa deberán ser uniformes y a simple vista estar excentas de grietas, fisuras, perforaciones o incrustaciones de material extraño.

El adaptador deberá proveerse con la tuerca la cual deberá tener las mismas características de fabricación del cuerpo del adaptador terminal. La tuerca debe rocar en el en macho del adaptador, de tal manera que no se presente ningúna dificultad en el enroscado.

2.3 Requisitos específicos

Las dimensiones de los adaptadores, de los terminales, deberán cumplir con los requisitos establecidos en las tablas No. 1 y No. 2.

Los adaptadores terminales no deberán presentar evidencias de escamado o desprendimiento de las paredes en la superficie interior ni exterior, cuando sean sometidos al ensayo de calidad de extrusión, de acuerdo con la norma ICONTEC NTC 2983.

Los adaptadores terminales deberán cumplir con los requisitos de inflamabilidad, de acuerdo con la norma ICONTEC NTC 979.

Los adaptadores terminales deberán cumplir con los requisitos de resistencia a la tensión , de acuerdo con las normas ICONTEC NTC 979 e ICONTEC NTC 595.

3. ENSAYOS

Las pruebas y recepción de los adaptadores terminales serán efectuadas por representantes de Enel Colombia S.A. E.S.P, realizándose las pruebas en las instalaciones del fabricante quien deberá asumir su costo y proporcionar el material , los equipos y el personal necesario para tal fin.

Las pruebas podrán ser repetidas en laboratorios oficiales o particulares reconocidos por Enel Colombia S.A. E.S.P. Distribuidora de Energía de Bogotá, la que a su vez se reservará el derecho de realizar una inspección previamente durante el proceso de fabricación, para lo cual el fabricante deberá suministrar los medios necesarios para facilitar la misma.

Los ensayos deberán realizarse en las condiciones de ensayo y de acondicionamiento de muestras descritas en la norma ICONTEC NTC 979.

Para la selección del plan de muestreo se utilizará la norma ICONTEC NTC-ISO 2859, partes 1,2 y 3 o la norma ICONTEC NTC-ISO 3951. Se recomienda el plan de muestreo de la tabla No. 6, para un NAC=4%, nivel de inspección S3.

Tabla No. 3
Tamaño de la muestra y criterio de aceptación
Tamaño del lote Tamaño de la muestra Número de no conformes
Aceptación Rechazo
0 - 150 3 0 1
151 - 3200 13 1 2
3201 o más 20 2 3

DATOS ADICIONALES
Revisión #

0

Fecha de entrada en vigencia

HERRAMIENTAS
RELACIONADAS

Actividad de los usuarios

Estado del comentario