ET444 Herrajes utilizados en red compacta
- Contenido
1. OBJETO
Esta especificación técnica tiene por objeto establecer las características, los requisitos técnicos y los ensayos que deben cumplir los herrajes para red compacta.2. ALCANCE
Esta especificación técnica se aplicará para todos los herrajes utilizados en red compacta que adquiera Enel Colombia.3. CONDICIONES GENERALES.
3.1 CONDICIONES AMBIENTALES
Estos dispositivos serán utilizados en el sistema de distribución de energía del área de operación de Enel Colombia, bajo las siguientes condiciones:| CARACTERÍSTICAS AMBIENTALES | |
| Altura sobre el nivel del mar | 2 700 m.s.n.m |
| Ambiente | Tropical |
| Humedad | Mayor al 90 % |
| Temperatura máxima y mínima | 45 ºC y - 5 ºC respectivamente. |
3.2 CONDICIONES ELÉCTRICAS
| CARACTERÍSTICAS ELÉCTRICAS | |
| Tensión Nominal del sistema | 34.5 kV –13.2 kV – 11.4 kV |
| Frecuencia del sistema | 60 Hz |
| Disposición del sistema | Trifásico trifilar (3 Fases) |
4. CONDICIONES DE SERVICIO
Existen varios tipos de herrajes para red compacta, que varían según su uso como se indica a continuación:Soporte angular: Se utiliza en cualquier estructura en ángulo (tipo 1 a tipo 4).
Soporte de final de circuito : Generalmente se utilizan en construcciones finales de circuito. (Tipo 5)
Soporte para derivaciones a transformador: Se utiliza para facilitar las derivaciones al transformador reduciendo el esfuerzo de los bujes del transformador (tipo 6).
A excepción de los herrajes tipos 3 y 5, los demás soportes deben ser entregados con tres extensiones para doble aislador (ver figura 6) instalada con tornillo de acero de 5/8” X 3” en cada una de las perforaciones. Este herraje adicional se usa para instalar dos aisladores de pin para cada fase.
5. SISTEMAS DE UNIDADES
En todos los documentos técnicos se deben expresar las cantidades numéricas en unidades del sistema Internacional (S.I.). Si se usan catálogos, folletos o planos, en sistemas diferentes de unidades, deben hacerse las conversiones respectivas.6. NORMAS RELACIONADAS
| NORMA | DESCRIPCIÓN | |
| NTC | 2616 | HERRAJES Y ACCESORIOS PARA REDES Y LÍNEAS AÉREAS DE DISTRIBUCIÓN DE ENERGÍA ELÉCTRICA. CRUCETAS, DIAGONALES Y BAYONETAS METÁLICAS |
Pueden emplearse otras normas internacionalmente reconocidas equivalentes o superiores a las aquí señaladas, siempre y cuando se ajusten a lo solicitado en la presente especificación técnica.
Las normas citadas en la presente especificación (o cualquier otra que llegare a ser aceptada por Enel Colombia) se refieren a su última revisión.
7. REQUERIMIENTOS TÉCNICOS PARTICULARES
Los herrajes para líneas semiaisladas aéreas de media tensión estarán construidos con materiales de la mejor calidad para ese fin, debiéndose descartar el empleo de materiales alterables por la humedad, radiación solar y otras condiciones ambientales desfavorables.Estos materiales estarán libres de grietas, cavidades, sopladuras, defectos superficiales o internos y de toda otra falla que pudiera afectar su correcto funcionamiento.
7.1 GEOMÉTRICOS
Los herrajes para líneas aéreas semiaisladas de media tensión serán de la forma y dimensiones que se muestran en las figuras de la 1 a la 7.Los soportes están constituidos por perfiles en ángulo de 2” X 2” X 3/16”, en U de 3” x 1 ½” y platinas de 1 ½” X 3/16”, 1” X 1/8” y 2” X 3/8”. Estos perfiles son de acero de alta calidad que cumpla con la norma NTC 422; si el herraje es estampado en frío, el acero debe ser de bajo silicio o sea menor de 0,05% (A34 - SAE1010 ó SAE1020) o en su defecto, deberá ser estampado en caliente.
Los soportes 2 y 4 llevan pie de amigo o refuerzos en platina de mínimo 1” X 1/8” y 1 ½” X 3/16” según como se indica en las figuras, pero se puede aumentar el número de los refuerzos o incluirlos en el soporte 1 para cumplir con los esfuerzos mecánicos solicitados. Al incluir refuerzos adicionales se debe verificar que no afecten la funcionalidad de los herrajes.
Los tornillos o pernos, tuercas y arandelas deberán estar de acuerdo con las normas que disponga Enel Colombia para tal fin o en su defecto con las normas NTC 858; deberán tener un recubrimiento para evitar la corrosión.
7.2 QUÍMICOS
Los perfiles deben cumplir con los requisitos de la tabla 1:Tabla 1
| REQUISITOS QUÍMICOS | ||
| ELEMENTO | SAE 1010 | SAE 1020 |
| % Carbono | 0,08 a 0,13 | 0,18 a 0,22 |
| % Fósforo, máx. | 0,05 | 0,05 |
| % Azufre, máx | 0,05 | 0,05 |
| % Manganeso | 0,3 a 0,6 | 0,3 a 0,6 |
| % Silicio, máx | 0,05 | 0,05 |
7.3 DOBLADO EN CALIENTE
Si se requiere realizar este proceso la temperatura máxima permitida es de 650ºC. El fabricante debe garantizar ésta temperatura sobre el perfil; se recomienda el uso de tizas térmicas de 620ºC y de 650ºC.7.4 REQUISITOS MECÁNICOS
Los herrajes deben cumplir satisfactoriamente con los requisitos de resistencia estipulados para cada tipo de soporte.7.5 REQUISITOS DEL RECUBRIMIENTO
Para el recubrimiento se acepta el galvanizado por inmersión en caliente y como alternativa el recubrimiento órgano metálico por micro capas. La determinación del tipo de recubrimiento lo realizara Enel Colombia en el proceso de licitación.7.5.1 Galvanizado por inmersión en caliente.
Si se usa este procedimiento los herrajes serán totalmente galvanizadas por inmersión en caliente y deberán cumplir con lo especificado en la Norma ICONTEC 2076, ademas deben estar libres de burbujas, áreas sin revestimiento, depósitos de escoria, escoriaciones o cualquier otra imperfección.La capa de material de cinc utilizado será de calidad especial según norma NTC 2076 (tabla 2).
Tabla 2
| COMPOSICIÓN QUIMICA DEL CINC ( % ) | ||||
| GRADO | Plomo máx. | Hierro máx. | Cadmio máx. | Cinc, mín. |
| Especial | 0,03 | 0,02 | 0,02 | 99,90 |
Tabla 3
| REQUISITOS DE GALVANIZADO | ||||
| ELEMENTO | PROMEDIO | MINIMO | ||
| g/m 2 | µ m | g/m 2 | µ m | |
| Platinas o Láminas | 458 | 65,4 | 381 | 54,4 |
| Elementos Roscados | 397 | 56,6 | 336 | 48 |
Tabla 4 REQUISITOS DE GALVANIZADO PARA ZONAS CONTAMINADAS
| APLICACIÓN | PROMEDIO | MINIMO |
| gr/m 2 | gr/m 2 | |
| Elementos ferrosos | 825 | 750 |
7.5.2 Recubrimiento Órgano Metálico
El recubrimiento órgano metálico se realiza a base de zinc y aluminio, por micro capas de acuerdo con la especificación ET470 .7.6 REQUISITOS DEL ACABADO
Los perfiles deben ser de una sola pieza, libres de soldaduras, libres de deformaciones, fisura, aristas cortantes, y defectos de laminación. No se permiten dobleces ni rebabas en las zonas de corte, perforadas o punzadas. El recubrimiento debe estar libre de burbujas, depósitos de escorias, manchas negras, excoriaciones y/u otro tipo de inclusiones.8. CRITERIOS DE ACEPTACIÓN O RECHAZO
Si el número de elementos defectuosos es menor o igual al correspondiente número de defectuosos definidos a continuación, se deberá considerar que el lote cumple con los requisitos técnicos exigidos por Enel Colombia, en caso contrario, el lote se rechazará.Inspección Visual y Dimensional
De acuerdo a la tabla a continuación.
| Tabla inspección visual y dimensional | |||
| Tamaño del lote | Muestra | Aceptado | Rechazado |
| 2 a 8 | 2 | 0 | 1 |
| 9 a 15 | 2 | 0 | 1 |
| 16 a 25 | 2 | 0 | 1 |
| 26 a 50 | 3 | 0 | 1 |
| 51 a 90 | 5 | 1 | 2 |
| 91 a 150 | 8 | 1 | 2 |
| 151 a 280 | 13 | 1 | 2 |
| 281 a 500 | 20 | 2 | 3 |
| 501 a 1200 | 32 | 3 | 4 |
| 1201 a 3200 | 50 | 5 | 6 |
| 3201 a 10000 | 80 | 6 | 7 |
| 10001 a 35000 | 125 | 8 | 9 |
| 35001 a 150000 | 200 | 10 | 11 |
| 150001 a 500000 | 315 | 10 | 11 |
Ensayos mecánicos
De acuerdo a la tabla a continuación.
| Tabla inspección visual y dimensional | |||
| Tamaño del lote | Muestra | Aceptado | Rechazado |
| 2 a 8 | 2 | 0 | 1 |
| 9 a 15 | 2 | 0 | 1 |
| 16 a 25 | 2 | 0 | 1 |
| 26 a 50 | 2 | 0 | 1 |
| 51 a 90 | 2 | 0 | 1 |
| 91 a 150 | 2 | 0 | 1 |
| 151 a 280 | 3 | 0 | 1 |
| 281 a 500 | 3 | 0 | 1 |
| 501 a 1200 | 5 | 1 | 2 |
| 1201 a 3200 | 6 | 1 | 2 |
| 3201 a 10000 | 8 | 1 | 2 |
| 10001 a 35000 | 8 | 1 | 2 |
| 35001 a 150000 | 13 | 1 | 2 |
| 150001 a 500000 | 13 | 1 | 2 |
9. PRUEBAS
9.1 PRUEBAS TIPO
9.1.1 Prueba Dimensional
La verificación de las dimensiones se hará con los instrumentos de medida que den la aproximación requerida (cinta metálica con divisiones de 1 mm para longitudes y calibrador para los diámetros y espesores). El tamaño de la muestra deberá estar de acuerdo con la tabla de dimensiones para cada tipo de soporte.9.1.2 Análisis Químico
Se efectuará el análisis químico de acuerdo a lo requerido en el numeral 5.2 y las normas NTC 23 y 180 (carbono), NTC 27 (azufre), NTC 181 (fósforo), NTC 24 o 25 (manganeso), NTC 26 o 28 (silicio) o en su defecto se aceptará un certificado de calidad de los materiales empleados, emitido por un laboratorio reconocido y aprobado por Enel Colombia. El análisis químico puede ser realizado en un espectrómetro calibrado con los patrones correspondientes.9.1.3 Prueba Mecánica
Como se menciona anteriormente, los soportes deberán cumplir con los requisitos de resistencia a la rotura y soportar los esfuerzos mecánicos especificados para cada tipo.9.1.4 Prueba del recubrimiento
Para elementos galvanizados, esta prueba se hará de acuerdo a la norma NTC 2076. Para los elementos de fijación - tornillos, tuercas, arandelas se harán las pruebas de acuerdo a la NTC 3241 con los siguientes requisitos establecidos en la tabla Nº 7.tabla 7 PRUEBA DE GALVANIZADO
| ELEMENTO | NÚMERO DE INMERSIONES |
| Ángulos, Platinas | 6 |
| Tornillos, Parte no roscada | 6 |
| Parte roscada | 4 |
| Arandelas | 4 |
La prueba de espesor de recubrimiento se efectuará mediante la utilización de un ecómetro debidamente calibrado.
9.2 PRUEBAS DE RECEPCIÓN
Las pruebas de recepción son:- Inspección visual
- Verificación dimensional
- Verificación certificados de calidad
- Verificación espesor de galvanizado
- Ensayo de tracción
10. EMPAQUE, ROTULADO Y MARCACIÓN
10.1 EMPAQUE
Los herrajes para sistemas compactos se empacarán en estibas de tal manera que no sufran durante el transporte, manipulación y almacenamiento.10.2 ROTULADO
En cada estiba se colocará un rótulo con la siguiente información.*Descripción del contenido con su referencia.
*Nombre y razón social del proveedor.
*País de origen.
*Cantidad de elementos.
*Peso unitario, peso total bruto y neto.
*Número de contrato o pedido.
*Fecha de entrega.
*Código de Almacén ( SAP).
10.3 MARCACIÓN
El material debe cumplir la siguiente marcación en bajo o en alto relieve. No se acepta pintura ni calcomanía.- Logo del fabricante
- Lote
- Enel Colombia
- Mes y año de fabricación
- Rango de uso
11. GRÁFICOS Y DIMENSIONES
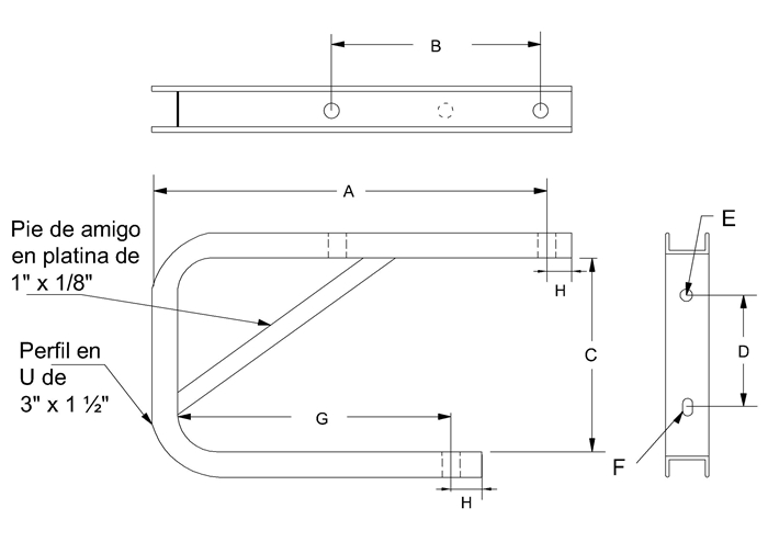
Figura 1. Soporte angular tipo 1 - 15 kV Uso: Para ángulos hasta 90º
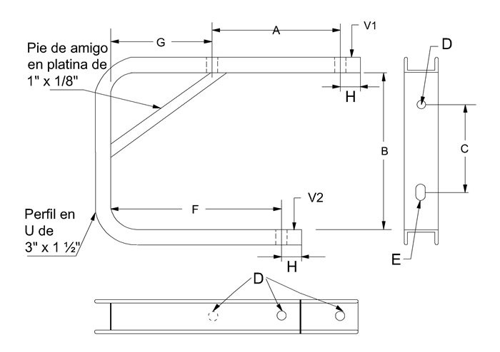
Figura 2. Soporte angular tipo 2 - 34.5 kV Uso: Para ángulos hasta 90º
Tabla 8 Dimensiones soportes tipo 1 y 2
| Símbolo / Código | Tipo | Dimensiones mínimas | Fuerza min. (kgf) | ||||||||
| A | B | C | ØD | E | F | G | H | V1 | V2 | ||
| [mm] | [mm] | [mm] | [mm] | [mm] | [mm] | ||||||
| S117 / 6788632 | 1 | 292 | 368 | 203 | 7/8” | 7/8” x 1 ½ “ | 305 | 194 | 35 | 304 | 270 |
| S118 /6790084 | 2 | 343 | 520 | 397 | 260 | 309 | 350 | ||||
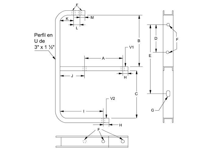
Figura 3. Soporte angular tipo 3 – 15 kV Uso: En ángulos hasta 60º int
Tabla 9 Dimensiones soportes tipo 3
| Símb. | Dimensiones mínimas | Fuerza min. (kgf) | |||||||||||||
| A | B | C | D | E | ØF | G | H | I | J | K | L | M | V1 | V2 | |
| [mm] | [mm] | [mm] | [mm] | [mm] | [mm] | [mm] | [mm] | [mm] | [mm] | [mm] | |||||
| S119 | 292 | 394 | 368 | 216 | 533 | 7/8” | 7/8” x 1 ½ “ | 35 | 337 | 191 | 168 | 38 | 25 | 362 | 454 |
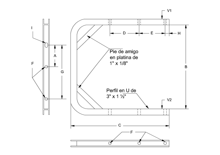
Figura 4. Soporte angular tipo 4 – 15 kV Uso: Doble circuito en ángulo
Tabla 10 Dimensiones soportes tipo 4
| Símbolo | Dimensiones mínimas | Fuerza min. (kgf) | ||||||||
| A [mm] | B [mm] | C [mm] | D [mm] | E [mm] | ØF | G [mm] | H [mm] | I | V1/V2 | |
| S120 | 203 | 813 | 883 | 254 | 254 | 7/8” | 559 | 35 | 7/8” x 1 ½ “ | 680 |
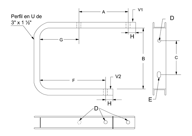
Figura 5. Soporte para final de circuito tipo 5 – 15 y 35kV
Tabla 11 Dimensiones soportes tipo 5
| Símbolo / Código | Dimensiones | Fuerza min. (kgf) | ||||||||
| A [mm] | B [mm] | C [mm] | ØD | E [mm] | F [mm] | G [mm] | H [mm] | I | V1 | |
| s121 / 6788631 | 146 | 60 | 781 | 7/8” | 356 | 203 | 337 | 35 | 7/8” x 1 ½ “ | 454 |
Figura 6. Soporte para derivaciones a transformador tipo 6
tabla 12 Dimensiones soportes tipo 6
| Símbolo / Código | Dimensiones | |||||||
| A [mm] | B [mm] | C [mm] | D [mm] | ØE | F | G [mm] | H [mm] | |
| S122 / 6790085 | 978 | 660 | 457 | 203 | 7/8” | 7/8” x 1 ½ “ | 648 | 35 |
Figura 7. Extensión para doble aislador
Tabla 13 Dimensiones extensión para doble aislador
| Dimensiones | Fuerza min. (kg) | |||||
| A [mm] | ØB | ØC | D [mm] | E [mm] | F [mm] | V1 |
| 80 | 17 | 22 | 254 | 25 | 7 | 794 |
ANEXO 1. CARACTERÍSTICAS TÉCNICAS GARANTIZADAS SOPORTE 1 Y 2
| N° | DESCRIPCIÓN | OFERTADO | ||
| 1 | Proponente | Fabricante | ||
| País de fabricación | ||||
| Representante del fabricante | ||||
| 2 | Normas | Fabricación y pruebas | ||
| 3 | Material de fabricación | |||
| 4 | Dimensión del perfil en U | |||
| 5 | Dimensión de la platina de extensión para doble aislador | |||
| 6 | Dimensión de la platina para pie de amigo o refuerzo | |||
| 7 | Dimensiones del cuerpo del soporte | A (mm) | ||
| B (mm) | ||||
| C (mm) | ||||
| ØD (pulg) | ||||
| E (XX x XX pulg) | ||||
| F (mm) | ||||
| G (mm) | ||||
| H (mm) | ||||
| 8 | Dimensiones de extensión para doble aislador | A (mm) | ||
| ØB (mm) | ||||
| ØC (mm) | ||||
| D (mm) | ||||
| E (mm) | ||||
| F (mm) | ||||
| 9 | Dimensión de tornillo de acero para fijar extensiones para doble aislador | |||
| 10 | Cantidad de tornillo de acero a entregar por soporte | |||
| 11 | Cantidad de extensión para doble aislador a entregar por soporte | |||
| 12 | Esfuerzo mecánico mínimo soportado | V1 | ||
| V2 | ||||
| 13 | Recubrimiento | Galvanizado | Tipo (Describir) | |
| Espesor (min/prom, µm) | ||||
| Órgano Metálico | Grado de corrosión (indicar alto / medio acorde con ET470 ) | |||
| Espesor capa ( µm) | ||||
| Horas mínimas de SST- Salt Spray Test | ||||
| Cumple con los ensayos indicados en la ET470 | ||||
| 14 | Ensayos | Prueba dimensional | ||
| Prueba química | ||||
| Prueba de recubrimiento (espesor y adherencia) | ||||
| Ensayo mecánico | ||||
| Están incluidas dentro del precio del material (Si/No) | ||||
| A realizar en fabrica (Describir) | ||||
| 15 | Cumple con la marcación solicitada (Si/No, describir) | |||
| 16 | Desviaciones presentadas | |||
| 17 | Garantía | |||
| RESULTADO DE EVALUACIÓN TÉCNICA | ||||
| 18 | Certificado Sistema de calidad (Norma ISO9001) | Entidad certificadora | ||
| Número de certificado | ||||
| Fecha de aprobación (Día/Mes/Año) | ||||
| Vigencia | ||||
| Adjunta el certificado (Si/No) | ||||
| 19 | Certificación de producto con norma técnica | Entidad certificadora | ||
| Número de certificado | ||||
| Fecha de aprobación (Día/Mes/Año) | ||||
| Vigencia | ||||
| Norma técnica con la cual se certifica | ||||
| Adjunta el certificado (Si/No) | ||||
| 20 | Certificación de producto con RETIE | Entidad certificadora | ||
| Número de certificado | ||||
| Fecha de aprobación (Día/Mes/Año) | ||||
| Vigencia | ||||
| Adjunta el certificado (Si/No) | ||||
| RESULTADO DE EVALUACIÓN REGULATORIA | ||||
| 21 | Observaciones | |||
ANEXO 2. CARACTERÍSTICAS TÉCNICAS GARANTIZADAS SOPORTE 3
| N° | DESCRIPCIÓN | OFERTADO | ||
| 1 | Proponente | Fabricante | ||
| País de fabricación | ||||
| Representante del fabricante | ||||
| 2 | Normas | Fabricación y pruebas | ||
| 3 | Material de fabricación | |||
| 4 | Dimensión del perfil en U | |||
| 5 | Dimensiones del cuerpo del soporte | A (mm) | ||
| B (mm) | ||||
| C (mm) | ||||
| D (mm) | ||||
| E (mm) | ||||
| ØF (pulg) | ||||
| G (XX x XX pulg) | ||||
| H (mm) | ||||
| I (mm) | ||||
| J (mm) | ||||
| K (mm) | ||||
| L (mm) | ||||
| M (mm) | ||||
| 6 | Esfuerzo mecánico mínimo soportado | V1 | ||
| V2 | ||||
| 7 | Recubrimiento | Galvanizado | Tipo (Describir) | |
| Espesor (min/prom, µm) | ||||
| Órgano Metálico | Grado de corrosión (indicar alto / medio acorde con ET470 ) | |||
| Espesor capa ( µm) | ||||
| Horas mínimas de SST- Salt Spray Test | ||||
| Cumple con los ensayos indicados en la ET470 | ||||
| 8 | Ensayos | Prueba dimensional | ||
| Prueba química | ||||
| Prueba de recubrimiento (espesor y adherencia) | ||||
| Ensayo mecánico | ||||
| Están incluidas dentro del precio del material (Si/No) | ||||
| A realizar en fabrica (Describir) | ||||
| 9 | Cumple con la marcación solicitada (Si/No, describir) | |||
| 10 | Desviaciones presentadas | |||
| 11 | Garantía | |||
| RESULTADO DE EVALUACIÓN TÉCNICA | ||||
| 12 | Certificado Sistema de calidad (Norma ISO9001) | Entidad certificadora | ||
| Número de certificado | ||||
| Fecha de aprobación (Día/Mes/Año) | ||||
| Vigencia | ||||
| Adjunta el certificado (Si/No) | ||||
| 13 | Certificación de producto con norma técnica | Entidad certificadora | ||
| Número de certificado | ||||
| Fecha de aprobación (Día/Mes/Año) | ||||
| Vigencia | ||||
| Norma técnica con la cual se certifica | ||||
| Adjunta el certificado (Si/No) | ||||
| 14 | Certificación de producto con RETIE | Entidad certificadora | ||
| Número de certificado | ||||
| Fecha de aprobación (Día/Mes/Año) | ||||
| Vigencia | ||||
| Adjunta el certificado (Si/No) | ||||
| RESULTADO DE EVALUACIÓN REGULATORIA | ||||
| 15 | Observaciones | |||
ANEXO 3. CARACTERÍSTICAS TÉCNICAS GARANTIZADAS SOPORTE 4
| N° | DESCRIPCIÓN | OFERTADO | ||
| 1 | Proponente | Fabricante | ||
| País de fabricación | ||||
| Representante del fabricante | ||||
| 2 | Normas | Fabricación y pruebas | ||
| 3 | Material de fabricación | |||
| 4 | Dimensión del perfil en U | |||
| 5 | Dimensión de la platina de extensión para doble aislador | |||
| 6 | Dimensión de la platina para pie de amigo o refuerzo | |||
| 7 | Dimensiones del cuerpo del soporte | A (mm) | ||
| B (mm) | ||||
| C (mm) | ||||
| D (mm) | ||||
| E (mm) | ||||
| ØF (pulg) | ||||
| G (mm) | ||||
| H (mm) | ||||
| I (XX x XX pulg) | ||||
| 8 | Dimensiones de extensión para doble aislador | A (mm) | ||
| ØB (mm) | ||||
| ØC (mm) | ||||
| D (mm) | ||||
| E (mm) | ||||
| F (mm) | ||||
| 9 | Dimensión de tornillo de acero para fijar extensiones para doble aislador | |||
| 10 | Cantidad de tornillo de acero a entregar por soporte | |||
| 11 | Cantidad de extensión para doble aislador a entregar por soporte | |||
| 12 | Esfuerzo mecánico mínimo soportado | V1 | ||
| V2 | ||||
| 13 | Recubrimiento | Galvanizado | Tipo (Describir) | |
| Espesor (min/prom, µm) | ||||
| Órgano Metálico | Grado de corrosión (indicar alto / medio acorde con ET470 ) | |||
| Espesor capa ( µm) | ||||
| Horas mínimas de SST- Salt Spray Test | ||||
| Cumple con los ensayos indicados en la ET470 | ||||
| 14 | Ensayos | Prueba dimensional | ||
| Prueba química | ||||
| Prueba de recubrimiento (espesor y adherencia) | ||||
| Ensayo mecánico | ||||
| Están incluidas dentro del precio del material (Si/No) | ||||
| A realizar en fabrica (Describir) | ||||
| 15 | Cumple con la marcación solicitada (Si/No, describir) | |||
| 16 | Desviaciones presentadas | |||
| 17 | Garantía | |||
| RESULTADO DE EVALUACIÓN TÉCNICA | ||||
| 18 | Certificado Sistema de calidad (Norma ISO9001) | Entidad certificadora | ||
| Número de certificado | ||||
| Fecha de aprobación (Día/Mes/Año) | ||||
| Vigencia | ||||
| Adjunta el certificado (Si/No) | ||||
| 19 | Certificación de producto con norma técnica | Entidad certificadora | ||
| Número de certificado | ||||
| Fecha de aprobación (Día/Mes/Año) | ||||
| Vigencia | ||||
| Norma técnica con la cual se certifica | ||||
| Adjunta el certificado (Si/No) | ||||
| 20 | Certificación de producto con RETIE | Entidad certificadora | ||
| Número de certificado | ||||
| Fecha de aprobación (Día/Mes/Año) | ||||
| Vigencia | ||||
| Adjunta el certificado (Si/No) | ||||
| RESULTADO DE EVALUACIÓN REGULATORIA | ||||
| 21 | Observaciones | |||
ANEXO 4. CARACTERÍSTICAS TÉCNICAS GARANTIZADAS SOPORTE 5
| N° | DESCRIPCIÓN | OFERTADO | ||
| 1 | Proponente | Fabricante | ||
| País de fabricación | ||||
| Representante del fabricante | ||||
| 2 | Normas | Fabricación y pruebas | ||
| 3 | Material de fabricación | |||
| 4 | Dimensión del perfil en U | |||
| 5 | Dimensión del perfil en ángulo | |||
| 6 | Dimensiones del cuerpo del soporte | A (mm) | ||
| B (mm) | ||||
| C (mm) | ||||
| ØD (pulg) | ||||
| E (mm) | ||||
| F (mm) | ||||
| G (mm) | ||||
| H (mm) | ||||
| I (XX x XX pulg) | ||||
| 7 | Esfuerzo mecánico mínimo soportado | V1 | ||
| 8 | Recubrimiento | Galvanizado | Tipo (Describir) | |
| Espesor (min/prom, µm) | ||||
| Órgano Metálico | Grado de corrosión (indicar alto / medio acorde con ET470 ) | |||
| Espesor capa ( µm) | ||||
| Horas mínimas de SST- Salt Spray Test | ||||
| Cumple con los ensayos indicados en la ET470 | ||||
| 9 | Ensayos | Prueba dimensional | ||
| Prueba química | ||||
| Prueba de recubrimiento (espesor y adherencia) | ||||
| Ensayo mecánico | ||||
| Están incluidas dentro del precio del material (Si/No) | ||||
| A realizar en fabrica (Describir) | ||||
| 10 | Cumple con la marcación solicitada (Si/No, describir) | |||
| 11 | Desviaciones presentadas | |||
| 12 | Garantía | |||
| RESULTADO DE EVALUACIÓN TÉCNICA | ||||
| 13 | Certificado Sistema de calidad (Norma ISO9001) | Entidad certificadora | ||
| Número de certificado | ||||
| Fecha de aprobación (Día/Mes/Año) | ||||
| Vigencia | ||||
| Adjunta el certificado (Si/No) | ||||
| 14 | Certificación de producto con norma técnica | Entidad certificadora | ||
| Número de certificado | ||||
| Fecha de aprobación (Día/Mes/Año) | ||||
| Vigencia | ||||
| Norma técnica con la cual se certifica | ||||
| Adjunta el certificado (Si/No) | ||||
| 15 | Certificación de producto con RETIE | Entidad certificadora | ||
| Número de certificado | ||||
| Fecha de aprobación (Día/Mes/Año) | ||||
| Vigencia | ||||
| Adjunta el certificado (Si/No) | ||||
| RESULTADO DE EVALUACIÓN REGULATORIA | ||||
| 16 | Observaciones | |||
ANEXO 5. CARACTERÍSTICAS TÉCNICAS GARANTIZADAS SOPORTE 6
| N° | DESCRIPCIÓN | OFERTADO | ||
| 1 | Proponente | Fabricante | ||
| País de fabricación | ||||
| Representante del fabricante | ||||
| 2 | Normas | Fabricación y pruebas | ||
| 3 | Material de fabricación | |||
| 4 | Dimensión del perfil en U | |||
| 5 | Dimensión de la platina de extensión para doble aislador | |||
| 6 | Dimensión de la platina para pie de amigo o refuerzo | |||
| 7 | Dimensiones del cuerpo del soporte | A (mm) | ||
| B (mm) | ||||
| C (mm) | ||||
| D (mm) | ||||
| ØE (pulg) | ||||
| F (XX x XX pulg) | ||||
| G (mm) | ||||
| H (mm) | ||||
| 8 | Dimensiones de extensión para doble aislador | A (mm) | ||
| ØB (mm) | ||||
| ØC (mm) | ||||
| D (mm) | ||||
| E (mm) | ||||
| F (mm) | ||||
| 9 | Dimensión de tornillo de acero para fijar extensiones para doble aislador | |||
| 10 | Cantidad de tornillo de acero a entregar por soporte | |||
| 11 | Cantidad de extensión para doble aislador a entregar por soporte | |||
| 12 | Recubrimiento | Galvanizado | Tipo (Describir) | |
| Espesor (min/prom, µm) | ||||
| Órgano Metálico | Grado de corrosión (indicar alto / medio acorde con ET470 ) | |||
| Espesor capa ( µm) | ||||
| Horas mínimas de SST- Salt Spray Test | ||||
| Cumple con los ensayos indicados en la ET470 | ||||
| 13 | Ensayos | Prueba dimensional | ||
| Prueba química | ||||
| Prueba de recubrimiento (espesor y adherencia) | ||||
| Ensayo mecánico | ||||
| Están incluidas dentro del precio del material (Si/No) | ||||
| A realizar en fabrica (Describir) | ||||
| 14 | Cumple con la marcación solicitada (Si/No, describir) | |||
| 15 | Desviaciones presentadas | |||
| 16 | Garantía | |||
| RESULTADO DE EVALUACIÓN TÉCNICA | ||||
| 17 | Certificado Sistema de calidad (Norma ISO9001) | Entidad certificadora | ||
| Número de certificado | ||||
| Fecha de aprobación (Día/Mes/Año) | ||||
| Vigencia | ||||
| Adjunta el certificado (Si/No) | ||||
| 18 | Certificación de producto con norma técnica | Entidad certificadora | ||
| Número de certificado | ||||
| Fecha de aprobación (Día/Mes/Año) | ||||
| Vigencia | ||||
| Norma técnica con la cual se certifica | ||||
| Adjunta el certificado (Si/No) | ||||
| 19 | Certificación de producto con RETIE | Entidad certificadora | ||
| Número de certificado | ||||
| Fecha de aprobación (Día/Mes/Año) | ||||
| Vigencia | ||||
| Adjunta el certificado (Si/No) | ||||
| RESULTADO DE EVALUACIÓN REGULATORIA | ||||
| 20 | Observaciones | |||
DATOS ADICIONALES
Revisión #
4
Fecha de entrada en vigencia
Actividad de los usuarios
Para hacer comentarios debe iniciar sesión o registrarse aquí