ET431 Abrazadera de una salida de 1 ½” x ¼”
- Contenido
1. OBJETO
Esta especificación técnica tiene por objeto establecer las características y requisitos técnicos que deben cumplir y los ensayos a los cuales deben ser sometidos las abrazaderas de dos salidas que solicitará ENEL Colombia, para el sistema eléctrico de distribución.2. ALCANCE
Esta especificación técnica se aplicará en todas las abrazaderas de 1 ½” X ¼” de una salida que adquiera ENEL Colombia.3. SERVICIO
Estos herrajes se usan para montar y/o fijar otros elementos a postes y son de servicio continuo en el sistema de media y baja tensión del área de concesión de ENEL Colombia, bajo las siguientes condiciones:| CARACTERÍSTICAS AMBIENTALES | |
| Altura sobre el nivel del mar | 2700 msnm |
| Ambiente | Tropical |
| Humedad | Mayor al 90 % |
| Temperatura máxima y mínima | 45 ºC y - 5 ºC respectivamente. |
| Instalación | Sobre puesta en poste |
4. SISTEMA DE UNIDADES
En todos los documentos técnicos se deben expresar las cantidades numéricas en unidades del sistema Internacional (S.I.). Si se usan catálogos, folletos o planos, en sistemas diferentes de unidades, deben hacerse las conversiones respectivas.5. NORMAS DE FABRICACIÓN Y PRUEBAS
| NORMA | DESCRIPCIÓN |
| NTC 2076 | Electricidad . Galvanizado por inmersión en caliente para herrajes y perfiles estructurales de hierro y acero. |
| NTC 2618 | Tornillos y tuercas de acero recubiertos con cinc para construcción de líneas aéreas. |
| NTC 2663 | Electrotecnia . Abrazaderas o collarines. |
Pueden emplearse otras normas internacionalmente reconocidas equivalentes o superiores a las aquí señaladas, siempre y cuando se ajusten a lo solicitado en la presente especificación técnica .
Las normas citadas en la presente especificación (o cualquier otra que llegare a ser aceptada por ENEL Colombia se refieren a su última revisión
6. REQUISITOS TÉCNICOS PARTICULARES
Son elementos de características geométricas y mecánicas tales que les permiten adaptarse a las limitaciones impuestas por otros elementos y por los postes.Las abrazaderas de 1 ½” X ¼” de dos salidas deben estar formadas por dos elementos en forma circunferencial con pestañas, las platinas deben ser de alta calidad y cumplir la NTC 2663.
Los tornillos o pernos, tuercas y arandelas deben cumplir la NTC 2618.
Las abrazaderas, tornillos, tuercas y arandelas deben tener un recubrimiento para evitar la corrosión .
6.1 GEOMÉTRICOS.
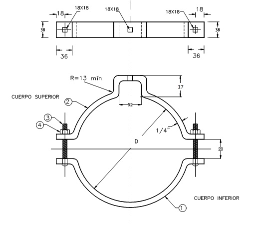
La platina utilizada será de 1 ½” X ¼” (38,1 X 6,35mm) y la forma y dimensiones se muestran en la figura 1.6.2 QUÍMICOS.
Las platinas deben cumplir con los siguientes requisitos de la tabla 1:| Composición química de las platinas | |
| Elemento | |
| % Carbono, máximo | 0,25 |
| % Fósforo, máximo | 0,05 |
| % Azufre, máximo | 0,05 |
Si la abrazadera es estampada en frío el acero no debe presentar un contenido mayor del 0,1 % de silicio.
6.3 MECÁNICOS
Las platinas utilizadas para la fabricación de las abrazaderas de una salida deben tener los siguientes requisitos mínimos:• Resistencia a la tracción mínima 340 MPa
• Límite mínimo de fluencia mínima 180 MPa
• % de alargamiento en 50 mm 30
Doblado en caliente
La temperatura máxima permitida es de 650 grados centígrados. El fabricante debe garantizar ésta temperatura sobre la platina; se recomienda el uso de tiza térmica de 620 grados y de 650 grados centígrados.
6.4 REQUISITOS DEL RECUBRIMIENTO
Para el recubrimiento se acepta el galvanizado por inmersión en caliente.Las abrazaderas serán totalmente galvanizadas por inmersión en caliente y deberán cumplir con las especificaciones técnicas de la norma NTC 2076 y deben estar libres de burbujas, áreas sin revestimiento, depósitos de escoria, manchas negras y cualquier otro tipo de inclusiones o imperfecciones.
La capa de material de cinc utilizado será de calidad especial según norma NTC 2076 (tabla 2).
| COMPOSICIÓN QUIMICA DEL CINC ( % ) | ||||
| GRADO | Plomo máx. | Hierro máx. | Cadmio máx. | Cinc, mín. |
| Especial | 0,03 | 0,02 | 0,02 | 99,9 |
Las platinas se galvanizan con clase B-2 y los elementos roscados con clase C según Norma NTC 2076 (tabla 3).
| REQUISITOS DE GALVANIZADO | ||||
| ELEMENTO | PROMEDIO | MINIMO | ||
| g/m2 | mm | g/m2 | mm | |
| Platinas | 458 | 65,4 | 381 | 54,4 |
| Elementos Roscados | 397 | 56,6 | 336 | 48 |
6.5 REQUISITOS DEL ACABADO
Los perfiles deben ser de una sola pieza, libres de soldaduras, libres de deformaciones, fisura, aristas cortantes, y defectos de laminación. No se permiten dobleces ni rebabas en las zonas de corte, perforadas o punzadas. El recubrimiento debe estar libre de burbujas, depósitos de escorias, manchas negras, excoriaciones y/u otro tipo de inclusiones.
7. CRITERIOS DE ACEPTACIÓN O RECHAZO
Si el número de elementos defectuosos es menor o igual al correspondiente número de defectuosos definidos a continuación, se deberá considerar que el lote cumple con los requisitos técnicos exigidos por ENEL Colombia, en caso contrario, el lote se rechazará.Inspección Visual y Dimensional
De acuerdo a la tabla a continuación.
| Tabla inspección visual y dimensional | |||
| Tamaño del lote | Muestra | Aceptado | Rechazado |
| 2 a 8 | 2 | 0 | 1 |
| 9 a 15 | 2 | 0 | 1 |
| 16 a 25 | 2 | 0 | 1 |
| 26 a 50 | 3 | 0 | 1 |
| 51 a 90 | 5 | 1 | 2 |
| 91 a 150 | 8 | 1 | 2 |
| 151 a 280 | 13 | 1 | 2 |
| 281 a 500 | 20 | 2 | 3 |
| 501 a 1200 | 32 | 3 | 4 |
| 1201 a 3200 | 50 | 5 | 6 |
| 3201 a 10000 | 80 | 6 | 7 |
| 10001 a 35000 | 125 | 8 | 9 |
| 35001 a 150000 | 200 | 10 | 11 |
| 150001 a 500000 | 315 | 10 | 11 |
Ensayos mecánicos
De acuerdo a la tabla a continuación.
| Tabla inspección visual y dimensional | |||
| Tamaño del lote | Muestra | Aceptado | Rechazado |
| 2 a 8 | 2 | 0 | 1 |
| 9 a 15 | 2 | 0 | 1 |
| 16 a 25 | 2 | 0 | 1 |
| 26 a 50 | 2 | 0 | 1 |
| 51 a 90 | 2 | 0 | 1 |
| 91 a 150 | 2 | 0 | 1 |
| 151 a 280 | 3 | 0 | 1 |
| 281 a 500 | 3 | 0 | 1 |
| 501 a 1200 | 5 | 1 | 2 |
| 1201 a 3200 | 6 | 1 | 2 |
| 3201 a 10000 | 8 | 1 | 2 |
| 10001 a 35000 | 8 | 1 | 2 |
| 35001 a 150000 | 13 | 1 | 2 |
| 150001 a 500000 | 13 | 1 | 2 |
8. PRUEBAS
8.1 PRUEBAS TIPO
8.1.1 Prueba dimensional
La verificación de las dimensiones se hará con los instrumentos de medida que den la aproximación requerida (cinta metálica con divisiones de 1 mm para longitudes y calibrador para los diámetros y espesores). El tamaño de la muestra deberá estar de acuerdo con la tabla 48.1.2 Análisis químicio
Se efectuará el análisis químico de acuerdo a lo requerido en el numeral 6.2 y las normas NTC 23 y 180 (carbono), NTC 27 (azufre), NTC 181 (fósforo), NTC 24 o 25 (manganeso), NTC 26 o 28 (silicio) o en su defecto se aceptará un certificado de calidad de los materiales empleados, emitido por un laboratorio reconocido y aprobado por Enel Colombia. El análisis químico puede ser realizado en un espectrómetro calibrado con los patrones correspondientes.8.1.3 Prueba mecánica
8.1.3.1 Ensayo de tracción y de flexión.Las abrazaderas deben poder soportar una carga mínima de 40 kN (4080 kg-f) según el montaje de ensayos mostrados en la figura 2 sin que se presenten agrietamientos o roturas. Mantener la carga por un minuto. Llevar a carga de rotura con un valor mínimo de 58,8 kN (6000 kg-f).
8.1.3.2 Ensayo de doblamiento
Las platinas deben ser sometidas a doblamiento de 180º sin que se presente agrietamiento del acero en la parte exterior, según norma NTC 1.
8.1.3.3 Ensayo de Desdoblamiento
Como prueba de rutina se debe efectuar un enderezamiento a 30º en los dobleces donde van alojados los tornillos sin que se presente ningún agrietamiento.
8.1.4 Prueba de recubrimiento
Para elementos galvanizados, esta prueba se hará de acuerdo a la norma NTC 2076. Para los elementos de fijación - tornillos, tuercas, arandelas se harán las pruebas de acuerdo a la NTC 3241 con los siguientes requisitos establecidos en la tabla Nº 6.8.2 PRUEBAS DE RECEPCIÓN
Las pruebas de recepción son:- Inspección visual
- Verificación dimensional
- Verificación certificados de calidad
- Verificación espesor de galvanizado
- Ensayo de tracción
9. EMPAQUE, ROTULADO Y MARCACIÓN
9.1 EMPAQUE
Las abrazaderas se empacarán de tal manera que no sufran durante el transporte, manipulación y almacenamiento. Los tornillos irán engrasados, con sus tuercas y arandelas instaladas y a su vez instalados en las abrazaderas.9.2 ROTULADO
En cada caja se colocará un rótulo con la siguiente información:- Especificación del contenido con su referencia.
- Nombre y razón social del proveedor.
- País de origen.
- Cantidad de elementos.
- Peso unitario, peso total bruto y neto.
- Palabra ENEL
- Número de contrato o pedido.
- Fecha de entrega.
- Código de almacén.
9.3 MARCACIÓN
El material debe cumplir la siguiente marcación en bajo o en alto relieve. No se acepta pintura ni calcomanía.• Logo del fabricante
• Lote
• ENEL
• Mes y año de fabricación
• Rango de uso o diámetro
10. GARANTÍA DE FÁBRICA
ENEL Colombia requiere como mínimo, un período de garantía de fábrica de cuarenta y ocho (48) meses, a partir de la entrega de los bienes.
FIGURA 1. DIMENSIONES Y COMPONENTES
| Notas | 4 | 2 | Tuerca Hexagonal m5 |
| Recubrimiento con galvanizado por inmersión en caliente | 3 | 2 | Tornillo Carruaje Tipo 1-t4 |
| 2 | 1 | Cuerpo superior | |
| Dimensiones en milímetrosy pulgadas | 1 | 1 | Cuerpo inferior |
| Tolerancias medidas +/- 5% | No | CANTIDAD | DESCRIPCIÓN |
| ELEMENTOS QUE SE SUMINISTRAN | |||
| Aplicación | |||
| Soporte de diagonales para estructuras de MT | SÍMBOLO | ABRAZADERA | D (mm) |
| Z7 | TIPO N°2 | 140 | |
| Z8 | TIPO N°3 | 180 | |
| Z9 | TIPO N°4 | 200 | |
| Z10 | TIPO N°5 | 250 | |
| TIPO N°6 | 300 | ||
| TIPO N°7 | 350 | ||
| TIPO N°8 | 400 | ||
FIGURA 2. ENSAYO DE TRACCIÓN
ANEXO 1. CARACTERÍSTICAS TÉCNICAS GARANTIZADAS
| N° | DESCRIPCIÓN | OFERTADO | ||
| 1 | Proponente | Fabricante | ||
| País de fabricación | ||||
| Representante del fabricante | ||||
| 2 | Normas | Fabricación y pruebas | ||
| 3 | Material de fabricación | |||
| 4 | Diámetro de la abrazadera con una salida armada D (mm) | |||
| 5 | Elemento con salida (cuerpo superior) | Espesor de la platina (pulg) | ||
| Ancho de la platina (pulg) | ||||
| Longitud de los dobleces donde van alojados los tornillos (mm) | ||||
| Tamaño de los agujeros cuadrados (mm x mm) | ||||
| Cumple con la posición de los agujeros indicada en la figura 1 (si/no) | ||||
| Longitud de la salida (mm) | ||||
| Altura de la salida (mm) | ||||
| Radios de curvatura mayores a 13mm (si/no) | ||||
| 6 | Elemento sin salida (cuerpo inferior) | Espesor de la platina (pulg) | ||
| Ancho de la platina (pulg) | ||||
| Longitud de los dobleces donde van alojados los tornillos (mm) | ||||
| Tamaño de los agujeros circulares ø (mm.) | ||||
| Cumple con la posición de los agujeros indicada en la figura 1 (si/no) | ||||
| 7 | Tornillos carruaje | Diámetro de la cabeza | ||
| Lado del cuadrante | ||||
| Altura del cuadrante | ||||
| Longitud del tornillo | ||||
| Diámetro de la rosca | ||||
| Cantidad de tornillos | ||||
| 8 | Tuerca | Altura de la tuerca (pulg) | ||
| Diámetro de la rosca (pulg) | ||||
| Distancia entre caras (pulg) | ||||
| Cantidad de tuercas | ||||
| 9 | Tipo de ajuste entre tuerca y tornillo | |||
| 10 | Resistencia a la tracción Kg/mm² (MN/m²) | |||
| 11 | Límite mínimo de fluencia: Kg/mm² (MN/m²) | |||
| 12 | Elongación % en 50mm (2pulg.) | |||
| 13 | Recubrimiento | Galvanizado | Tipo (Describir) | |
| Espesor (min/prom, µm) | ||||
| Órgano Metálico | Grado de corrosión (indicar alto / medio acorde con ET470) | |||
| Espesor capa ( µm) | ||||
| Horas mínimas de SST- Salt Spray Test | ||||
| Cumple con los ensayos indicados en la ET470 | ||||
| 14 | Pruebas / Ensayo | Prueba dimensional | ||
| Prueba química | ||||
| Prueba de recubrimiento (espesor y adherencia) | ||||
| Ensayo de tracción | ||||
| Ensayo de doblamiento | ||||
| Ensayo de desdoblamiento | ||||
| Están incluidas dentro del precio del material (Si/No) | ||||
| A realizar en fabrica (Describir) | ||||
| 15 | Desviaciones presentadas | |||
| 16 | Garantía (meses) | |||
| RESULTADO DE EVALUACIÓN TÉCNICA | ||||
| 17 | Certificado Sistema de calidad | Entidad certificadora | ||
| (Norma ISO9001) | Número de certificado | |||
| Fecha de aprobación (Día/Mes/Año) | ||||
| Vigencia | ||||
| Adjunta el certificado (Si/No) | ||||
| 18 | Certificación de producto con norma técnica | Entidad certificadora | ||
| Número de certificado | ||||
| Fecha de aprobación (Día/Mes/Año) | ||||
| Vigencia | ||||
| norma técnica con la cual se certifica | ||||
| Adjunta el certificado (Si/No) | ||||
| 19 | Certificación de producto con RETIE | Entidad certificadora | ||
| Número de certificado | ||||
| Fecha de aprobación (Día/Mes/Año) | ||||
| Vigencia | ||||
| Adjunta el certificado (Si/No) | ||||
| * RESULTADO DE EVALUACIÓN REGULATORIA* | ||||
| 20 | Observaciones | |||
DATOS ADICIONALES
Revisión #
6
Fecha de entrada en vigencia
Actividad de los usuarios
Para hacer comentarios debe iniciar sesión o registrarse aquí