ET241 Tapas y marcos para cajas de inspección tipo vehicular
- Contenido
1. OBJETO
Establecer las características, requisitos y ensayos técnicos que deben cumplir las tapas y marcos para cajas de inspección en vías vehiculares en el sistema subterráneo de distribución y alumbrado público, con sistema de seguridad .
2. ALCANCE
Esta especificación técnica se aplicará en todas las tapas y marcos para cajas de inspección en vías vehiculares el sistema subterráneo de distribución y alumbrado público que adquiera Enel Colombia S.A. ESP con sistema de seguridad .
3. CONDICIONES DE SERVICIO
3.1 Condiciones Ambientales
Las tapas y marcos para cajas de inspección en el sistema de distribución y alumbrado público serán empleados a la intemperie bajo las siguientes condiciones:
| CARACTERÍSTICAS AMBIENTALES | |
| a. Altura sobre el nivel del mar | 600 a 2 900 m |
| b. Ambiente | Tropical |
| c. Humedad | Mayor al 90 % |
| d. Temperatura máxima y mínima | 45 ºC y - 5 ºC respectivamente. |
| e. Polución | Alta con productos de la combustión y altamente contaminada por otros agentes. |
3.2 Condiciones Eléctricas
3.3 Condiciones de Servicio y Lugar de Instalación
Las tapas y marcos para cajas de inspección en vías vehiculares en redes subterráneas serán instalados, en cualquier zona del área de cobertura de Enel Colombia S.A.
Los suelos donde son instalados podrán ser terrenos de relleno, arenosos, rocosos, arcillosos semiduros, con una capa de profundidad variable de humus, abarcando químicamente suelos desde ácidos a alcalinos y desde oxidantes a reductores con gran variedad en la cantidad y tipo de sales solubles.
4. SISTEMAS DE UNIDADES
En todos los documentos técnicos se deben expresar las cantidades numéricas en unidades del sistema Internacional. Si se usan catálogos, folletos o planos, en sistemas diferentes de unidades, deben hacerse las conversiones respectivas.
5. NORMAS Y ESPECIFICACIONES TÉCNICAS.
Las tapas deberán cumplir con la última revisión de las siguientes normas:
| NORMA | DESCRIPCIÓN |
| NTC 1 | Ensayo de doblamiento para productos metálicos |
| NTC 2 | Siderurgia. Ensayo de tracción para materiales metálicos. Método de ensayo a temperatura ambiente. |
| NTC 121 | Especificación de desempeño para cemento hidráulico |
| NTC 174 | Concretos. Especificaciones de los agregados para concreto |
| NTC 673 | Concretos. Ensayo de resistencia a la compresión de especímenes cilíndricos de concreto. |
| NTC 1299 | Concretos. Aditivos químicos para concreto. |
| NTC 1362 | Cemento portland blanco. |
| NTC 2289 | Barras corrugadas y lisas de acero de baja aleación, para refuerzo de concreto |
| NTC-ISO 2859-1 | Procedimientos de muestreo para inspección por atributos. Parte 1: planes de muestreo determinados por el nivel aceptable de calidad -NAC- para inspección lote a lote. |
| NTC 4040 | Soldadura. Procedimiento de soldadura para el acero de refuerzo. |
| NSR-10 | Código Colombiano de Construcciones Sismo Resistentes. |
| A.W.S D 12.1 | (A.C.I 318) - Prácticas recomendables para soldar acero de refuerzo, insertos metálicos y conexiones, en construcciones de concreto reforzado. |
| ASTM A615/A615M | Especificación Normalizada para Barras de Acero al Carbono Lisas y Corrugadas para Refuerzo de Concreto |
| ANSI/ASME B1.1 | Unified Inch Screw Threads |
Pueden emplearse otras normas internacionalmente reconocidas equivalentes o superiores a las aquí señaladas, siempre y cuando se ajusten a lo solicitado en la presente Especificación Técnica .
6. DEFINICIONES
Se establecen las siguientes definiciones para efectos de esta especificación Técnica :
- ADITIVO
Material diferente del cemento, agregados o agua que se añade al concreto, antes o durante la mezcla, para modificar una o varias de sus propiedades sin perjudicar su durabilidad, ni su capacidad para resistir esfuerzos. (NSR-10)
- AGREGADOS
Conjunto de partículas inertes, naturales o artificiales, tales como areana, grava, triturado, etc., que al mezclarse con el material cementante hidráulico y el agua, producen el concreto. (NSR-10)
- CONCRETO
Mezcla homogénea de material cementante, agregados inertes y agua, con o sin aditivos. (NSR-10)
- CONCRETO REFORZADO
Material constituido por concreto que tiene un refuerzo consistente en barras de acero corrugado, estribos transversales o mallas electro soldadas, colocadas principalmente en las zonas de tracción, en cuantías superiores a las mínimas especificadas en los Capítulos C.1 a C.21, (NSR-10) bajo la hipótesis de compatibilidad de deformaciones entre los materiales. (NSR-10)
- CURADO DEL CONCRETO
Tratamiento que se le da al concreto, una vez vaciado, para impedir la rápida evaporación del agua de amasado, suavizando la retracción y evitando el agrietamiento de la superficie.
- REFUERZO
Acero en una de las tres formas siguientes, colocado para absorber esfuerzos de tracción, compresión, de corte o de torsión en conjunto con el concreto:
(a) Grupo de barras corrugado que cumple las normas NTC 2289 (ASTM A706) o ASTM A615/A615M.
(b) Mallas electrosoldadas.
(c) Alambres o cables de alta resistencia destinados principalmente al concreto preesforzado. (NSR-10)
- SISTEMA DE SEGURIDAD
Sistema instalado en la tapa que evita que la tapa sea retirada por personas no autorizadas por Enel Colombia S.A. ESP
- VARILLA CORRUGADA
Varilla de acero con el núcleo de sección circular, en cuya superficie lleva unos resaltes, que tienen por objeto aumentar la adherencia entre el concreto y el acero.
- VIBRADO
Sistema de compactación del concreto mediante aparatos vibratorios de alta frecuencia que tiene por objeto disminuir la porosidad del concreto, distribuir uniformemente los áridos y obligar a que la mezcla cubra toda la superficie interior de la formaleta.
7. REQUERIMIENTOS TÉCNICOS PARTICULARES
Las tapas y marcos para cajas de inspección en vías vehiculares en el sistema de distribución y alumbrado público estará construido con materiales con la mejor calidad para ese fin, debiéndose descartar el empleo de materiales alterables por la humedad, radiación solar y otras condiciones ambientales desfavorables.
Se construirán en forma fundida y soldada y varilla de acero SAE 1010, SAE 1020, A36, A37 ó similar debidamente autorizada por Enel Colombia S.A.
Las tapas y marcos debe ser autosoportable, rígidos y no debe presentar desajustes durante su transporte e instalación.
7.1 Parámetros Geométricos
Las tapas y marcos para el sistema de distribución y alumbrado público serán de la forma y dimensiones que se muestran en las figuras 2, 3, 5 y 6.
7.1.1 Marco
Las dimensiones del marco para la tapa de diámetro de 63 cm están en la figura 2 y para la tapa de diámetro de 67 cm están la figura 5.
El material utilizado en el marco será fundición de hierro nodular o Fundición de hierro gris.
La superficie horizontal de contacto con la tapa deberá ser maquinada en torno no presentando una variación en su horizontalidad superior a 0,05 mm.
El marco será de una sola pieza de fundición.
Tendrá un letrero que incluya la identificación del fabricante (nombre o logotipo).
7.1.2 Tapa
Las dimensiones de la tapa de diámetro de 63 cm están en la figura 3 y las de diámetro de 67 cm están en la figura 6.
El material utilizado en la tapa será fundición de hierro nodular o fundición de hierro gris, refuerzos de varilla corrugada de acero ½” y el concreto debe ser mínimo de 4000 PSI (280 Kg/cm 2 ).
La superficie horizontal de contacto con el marco deberá ser maquinada en torno no presentando una variación en su horizontalidad superior a 0,05 mm
La fundición de la tapa será de una sola pieza de fundición.
En el aro fundido tendrá un letrero que diga “Propiedad de Enel Colombia – PELIGRO ALTA TENSIÓN – identificación del fabricante (nombre o logotipo)”.
Todas las soldaduras de la tapa deben efectuarse con soldaduras AWS 6010 y/o AWS 7018 hasta lograr una penetración total, de acuerdo a NTC 4040 y siguiendo las siguientes recomendaciones:
- En todas las uniones de la varilla con la fundición y con las mismas varillas deben estar soldadas con un área de por lo menos el diámetro de la varilla;
- Todos los cruces de varillas deben ir soldados;
- Todas las soldaduras deben estar libres de defectos tales como escoria atrapada, poros etc.
- Toda la escoria de soldadura debe ser retirada antes de fundir el concreto.
Todas las tapas deben tener una placa de identificación según figura 4.
7.2 Resistencia a la Compresión del Concreto
La resistencia mínima a la compresión para el concreto, debe ser de 280 kg/cm 2 (4000 psi). Esta resistencia se debe verificar mediante ensayos de laboratorio de los cilindros tomados de varias bachadas, de acuerdo con la norma NTC 673.
En cuanto a la calidad del concreto, se deben seguir los procedimientos establecidos en el capítulo C del Reglamento Colombiano de Construcción Sismo Resistente (Decreto 926 de 2010).
Con la debida anticipación, el fabricante debe presentar a consideración de Enel Colombia S.A. ESP, el diseño de la mezcla que va a utilizar. Enel Colombia S.A. ESP podrá exigir ensayos de prueba de la mezcla utilizada.
Para concretos que utilicen aditivos plastificantes, las mezclas se deberán diseñar utilizando el aditivo y de acuerdo con los ensayos de laboratorio que se deben realizar.
Las pruebas de asentamiento se realizarán cuando Enel Colombia S.A. ESP así lo exija. Los asentamientos resultantes deben coincidir con los especificados en el diseño de la mezcla.
Se realizarán ensayos de cilindros, con edades de 7, 14 y 28 días, calculando por proyección para las 2 primeras, la resistencia que tendrá el concreto a los 28 días.
La resistencia promedio de los ensayos de los cilindros debe ser superior o por lo menos igual a la especificada en el diseño más 85kg/cm 2 .
El costo de todos los ensayos de laboratorio, ordenados por Enel Colombia S.A. ESP, para el control de calidad del concreto, correrá por cuenta del fabricante.
7.3 Acero de Refuerzo Principal
El acero de refuerzo utilizado en la fabricación de las tapas, debe cumplir con las normas NTC 2289 ó ASTM A615/A615M.
Las varillas de acero estructural deben tener esfuerzo nominal de fluencia mínimo de 60000 psi.
Bajo responsabilidad del fabricante se aceptará el torsionamiento del acero.
8. FABRICACIÓN DE LAS TAPAS
Se pueden fabricar con el uso de uno de los sistemas existentes, siempre y cuando se cumpla con las especificaciones que se establecen en esta norma.
En ningún caso se aceptarán las tapas amasadas y compactadas a mano.
8.1 Vaciado del Concreto
Al vaciar el concreto, se debe hacer lo más cerca a ésta, con el fin de evitar la disgregación de los materiales.
El concreto se debe vaciar inmediatamente después de su amasado.
8.2 Soldaduras
El proveedor debe confirmar el tipo de material portante que usara en las soldaduras.
En las uniones soldadas deben realizarse pases de soldadura E-6010 con suficiente amperaje para obtener máxima penetración entre las piezas; también deben realizarse pases sucesivos de soldadura E-7018 para alcanzar una altura mínima de refuerzo de 1/8”.
Todas las soldaduras deben ser libres de defectos tales como escorias, inclusiones, poros, etc., y de la misma forma deben cumplir la norma NTC 4040.
8.3 Características químicas
Las platinas y partes metálicas deben cumplir con las siguientes características:
| CARACTERÍSTICAS QUÍMICAS DE FUNDICIONES | ||
| ELEMENTO | ACERO | FUNDICIÓN NODULAR |
| % Carbono | 0,08 a 0,22 | 3,2 a 4,1 |
| % Fósforo, máx. | 0,05 | 0,1 |
| % Azufre, máx. | 0,05 | 0,03 |
| % Manganeso | 0,3 a 0,6 | 0,8 |
| Nota : Se pueden usar equivalentes con la previa autorización de Enel Colombia S.A. ESP | ||
8.4 Sistemas de seguridad
8.4.1 Sistema de Seguridad por cadena
Las tapas deben tener un sistema de Seguridad con el fin de evitar que esta sea retirada de su sitio consistente en una cadena soldada a la tapa y que se ancla a la estructura de concreto de la cámara como se indica en las figuras 1 y 3.
8.4.2 Sistemas Adicional de Seguridad
Las tapas, según requerimiento de Codensa, pueden ser solicitadas con un sistema adicional de Seguridad que debe cumplir con los siguientes requisitos.
- El sistema adicional debe estar diseñado y construidos con elementos que no deterioren en condiciones ambientales de uso; por lo tanto no podrá tener elementos roscados galvanizados ya que las roscas internas no tienen galvanizado y se deterioran fácilmente con las condiciones de uso.
- El sistema adicional debe tener un sistema tal que no pueda ser abierta con sistemas sencillos como alambres o varillas, rectas o dobladas.
- El sistema adicional debe permitir su operación a pesar de tenga condiciones muy adversa de agua o barro.
- El sistema adicional debe ser construido con elementos o recubrimientos que permitan la durabilidad a pesar de las condiciones adversas.
- Por existir muchas posibilidades de sistemas adicionales de seguridad , Enel Colombia S.A. ESP no especifica un sistema único, pero los oferentes deben presentar dentro de las ofertas técnicas los diseños completos y ofrecer todas las pruebas necesarias que demuestren su buena operación. Enel Colombia S.A. ESP; por tratarse de un sistema de seguridad podrá aprobar un sistema , sin dar explicaciones o cualidades técnicas del mismo, en principio confidencialidad con el oferente y de los sistemas de seguridad de Enel Colombia S.A. ESP.
9. ENSAYOS DE LABORATORIO
9.1 Ensayos de Laboratorio
El registro completo de los ensayos de los materiales y del concreto, debe estar disponible para el comprador, durante el tiempo que dure la fabricación y por los dos años siguientes a su terminación.
9.1.1 Ensayos de Materiales del Concreto
Todos los ensayos de los materiales y del concreto en sí, se deben realizar de acuerdo con la norma ICONTEC correspondiente.
El cemento debe cumplir con las normas normas NTC 121 y 1362.
El cemento analizado debe corresponder a aquel sobre el cual se base la dosificación del concreto, que se va a utilizar en la fabricación de la tapa.
Los agregados para el concreto deben cumplir con la norma NTC 174.
El agregado grueso o grava, tendrá un tamaño máximo de 19 mm y mínimo de 10 mm.
El agregado fino o arena se debe lavar, y quedar libre de sustancias químicas, orgánicas o de cualquier naturaleza, que puedan perjudicar las características físicas de la mezcla.
El agua utilizada en la mezcla del concreto, debe estar limpia y libre de cantidades perjudiciales de aceites, ácidos, álcalis, sales, materias orgánicas u otras sustancias perjudiciales para el concreto o el acero de refuerzo y ajustarse a lo especificado en el capítulo C del Reglamento Colombiano de Construcción Sismo Resistentes.
Para el ensayo de la resistencia del concreto a la compresión, el fabricante o proveedor debe preparar cuatro cilindros diarios, de acuerdo con la norma NTC 673 (ASTM C39). De estos cilindros diarios, se enviarán dos al laboratorio y se ensayarán a edades de 7 y 14 días. En caso que la resistencia de los 7 y 14 días, proyectada a los 28 días sea menor que f'cmin + 85 kg/cm², se deberán ensayar los otros dos cilindros a los 28 días. Se halla la resistencia promedio de los cuatro cilindros y se verifica si cumple el requisito anterior. Si no cumple, se rechazará la producción del día en que fueron tomadas las cuatro muestras. Los resultados de los ensayos de estos cilindros se deberán suministrar al comprador para su conocimiento y control, y deben realizarse por un laboratorio aprobado por el comprador.
Nota. Para verificar si los materiales utilizados en la elaboración de la mezcla del concreto son de la calidad especificada, se deben realizar los ensayos de laboratorio correspondientes sobre muestras representativas de tales materiales.
9.1.2 Varillas de Refuerzo.
El fabricante deberá realizar los análisis de laboratorio de las probetas seleccionadas del lote de acero que se va a utilizar en el armado de los refuerzos de las tapas.
En los ensayos de laboratorio de estas probetas, se deben suministrar los siguientes resultados:
- Carga máxima a la tracción.
- Límite de fluencia al 0,2%.
- Porcentaje de alargamiento en probeta de 200 mm (8").
Las varillas de refuerzo, deben cumplir con la norma ASTM A615/A615M.
9.1.3 Fundición de marcos y tapas.
Al material producto de la fundición de marcos y tapas se les efectuara un examen metalografico y químico por espectrometría para comprobar el cumplimiento de los requisitos del numeral 8.3
9.2. Prueba Dimensional
La verificación de las dimensiones se hará con los instrumentos de medida que den la aproximación requerida (cinta metálica con divisiones de 1 mm para longitudes y calibrador para los diámetros y espesores). El tamaño de la muestra deberá estar de acuerdo NTC 2859-1.
9.3 Obligación de Ejecución de los Ensayos y Pruebas
Es obligación del fabricante realizar las siguientes pruebas de tapas, marcos y ensayos de materiales:
1. Diseño de la mezcla incluyendo el análisis fisicoquímico del agua.
2. Ensayo de tracción del acero.
3. Ensayo de resistencia a la compresión de los cilindros de concreto.
4. Ensayo metalografico de la fundición
5. Ensayo de composición química de la fundición
6. Ensayo de pruebas dimensional
7. Inspección visual
Las pruebas correspondientes a los puntos 1, 2, 3, 4 y 5 se deberán realizar por un laboratorio especializado y aceptado previamente por Enel Colombia S.A. ESP.
10. SUMINISTRO Y RECEPCIÓN TAPAS Y MARCOS
10.1 Tolerancias Aceptadas
Longitud, ancho y alto de la tapa, y el marco.
Se acepta una tolerancia en la longitud, ancho y alto de la tapa y el marco según lo especificado en los gráficos; de no encontrarse especificada se tomara de ± 3 milímetros.
10.2 Marcación
Se deben marcar las tapas y los marcos según lo indicado en las figuras y en el numeral 7.1.
10.3 Recepción de marcos y tapas
El proveedor debe realizar la solicitud de inspección con una anticipación mínima de 15 días calendario. La fecha que se indica como fecha de inicio, será la fecha en la cual se estima que el concreto cumple con los requisitos mecánicos indicados.
En la semana anterior a la visita deben presentar el cuadro de control de producción y los soportes de los ensayos de compresión que demuestren el cumplimiento de los requisitos mecánicos del concreto. El proveedor deberá disponer de un control de producción que le permita a la Compañía verificar que previo a la fecha de inicio de la inspección, el concreto ha llegado al 90% de la capacidad mínima de rotura (compresión).
El tiempo normal de fraguado del concreto es 28 días. Si el proveedor utiliza aditivos acelerantes para el fraguado del concreto, el proveedor deberá presentar la curva del ensayo de rotura del concreto donde indique el tiempo en que se alcanza el 90% de la capacidad mínima de rotura.
En la inspección se realizará:
- Prueba destructiva a una (1) tapa por referencia, a fin de validar el cumplimiento de las características técnicas de las varillas, concreto, soldadura, entre otras.
- Inspección visual, prueba dimensional y revisión de protocolos de pruebas.
Para llevar a cabo las labores de inspección y recepción de tapas y marcos, se establece el siguiente plan de muestreo, en el que se determina, de acuerdo con el tamaño del lote, el número de unidades a los cuales se les debe practicar la inspección visual para la aceptación o rechazo del mismo:
INSPECCÓN VISUAL Y DIMENSIONAL
Nivel de inspección general II, NCA = 4%
| Tamaño del lote | Tamaño de muestra | Aceptación | Rechazos |
| 2 - 25 | 3 | 0 | 1 |
| 26 - 90 | 13 | 1 | 2 |
| 91 -150 | 20 | 2 | 3 |
| 151-280 | 32 | 3 | 4 |
| 281-500 | 50 | 5 | 6 |
| 501-1200 | 80 | 7 | 8 |
Nota. Si el tamaño de la muestra es mayor o igual al lote , se hará inspección 100%
Prueba de compresión: se realizara una sola vez en la primera recepción acorde con la norma ANSI/SCTE 77 TIER 22 y/o similar previa aprobación por la Compañía.
Para la prueba de compresión se solicita el siguiente nivel de inspección:
| Tamaño de Muestra | % AQL | |
| Aceptación | Rechazo | |
| 3 | 0 | 1 |
10.3.1 Motivos de rechazo.
Se rechazarán los tapas y marcos por las siguientes causas:
- La resistencia a la compresión del concreto no cumple con los requisitos mínimos especificados.
- Tapas con resanes, cuando la profundidad de estos haya tenga mas 5 mm.
- Los resanes superficiales hechos con mortero sin el aditivo apropiado para adherencia a concreto viejo o en forma inadecuada.
- Varillas a la vista de la estructura metálica.
- Grietas transversales o longitudinales.
- El incumplimiento de las tolerancias especificadas, se consideran como defectos críticos.
- No cumplir con los requisitos químicos ó metalográficos de la fundición.
- No tener la cadena de seguridad .
- No colocación de la leyenda mencionada en el numeral 10.2
- Incumplimiento de cualquier requisito establecido en la especificación técnica.
11. REQUISITOS DE LAS OFERTAS
El Oferente obligatoriamente deberá incluir con su propuesta, la siguiente información:
- Relación de los bienes cotizados
- Información del oferente
- Planilla de características técnicas garantizadas, la cual deberá ser diligenciada completamente en formato Excel.
- Relación de las excepciones de carácter exclusivamente técnico de la oferta, respecto a los bienes ofertados. Si la oferta no presenta excepción, se indicaría.
- Catálogos originales completos y actualizados del fabricante, que correspondan a lo cotizado en la planilla de características técnicas garantizadas.
- Protocolos de pruebas de acuerdo con las normas indicadas en esta especificación. En tales protocolos se deberán anotar las fechas de fabricación y pruebas del equipo, para permitir la verificación de las características técnicas garantizadas.
- Certificación del sistema de calidad del fabricante y certificado de producto con norma técnica.
- Carta de garantía de los bienes cotizados.
- Relación de clientes y evidencia de su capacidad técnica y experiencias relacionadas con los materiales y/o equipos cotizados.
- Información adicional que considere aporta explicación a su diseño (dibujos, detalles, características de operación, dimensiones y pesos de los materiales ofertados).
Enel Colombia S.A. podrá descartar ofertas que no cumplan con las anteriores disposiciones, sin expresión de causa ni obligación de compensación.
12. GARANTÍA DE FABRICA
Enel Colombia S.A. E.S.P requiere como mínimo, un período de garantía de fábrica de veinticuatro (48) meses, a partir de la entrega de los bienes.
13. INSPECCIÓN EN FABRICA
El suministrador enviará con no menos de quince (15) días calendario de anticipación, a la fecha programada para la realización de las pruebas en fábrica.
El proveedor debe brindar plena colaboración a la persona asignada por Codensa en el cumplimiento de sus funciones.
El valor de las pruebas y ensayos debe incluirse en los precios cotizados en la propuesta. Enel Colombia se reserva el derecho de descartar las propuestas que no ofrezcan pruebas, o si las ofrecidas son consideradas insuficientes para garantizar la calidad de los dispositivos.
14. CERTIFICADOS DE CONFORMIDAD
El oferente adjuntará con su propuesta el certificado de conformidad de producto con norma técnica, expedido por una entidad autorizada por la Superintendencia de Industria y Comercio.
15. PRESENTACIÓN DE LAS OFERTAS
El oferente deberá presentar su oferta técnica (en medio impreso) en el siguiente orden:
- ANEXO 1: relación de los bienes cotizados.
- ANEXO 2: información del oferente.
- ANEXO 3: planillas de características técnicas garantizadas.
- EXCEPCIONES TÉCNICAS: apartado en el cual se deben relacionar las excepciones de carácter exclusivamente técnico de la oferta, respecto a los bienes solicitados. Si la oferta no *presenta excepción, se indicaría expresamente en el mismo “NO HAY EXCEPCIONES”
- PROTOCOLO DE PRUEBAS: relación de los ensayos realizados, de acuerdo con lo indicado en el apartado 8 de la presente especificación.
- CERTIFICACIONES: Certificación del producto .
- EVIDENCIA TÉCNICA : relación de clientes, evidencia de su capacidad técnica y experiencias relacionadas con los materiales y/o equipos cotizados.
- GARANTÍA: carta de garantía de los bienes cotizados.
- INFORMACIÓN ADICIONAL: información adicional que se considere aporta explicación al diseño del dispositivo, así como las instrucciones de instalación, operación.
Adicionalmente, el fabricante debe incluir la anterior información en formato magnético en un CD o Disquete.
Enel Colombia S.A. podrá descartar ofertas que no cumplan con las anteriores disposiciones, sin expresión de causa ni obligación de compensación.
ANEXO 1. TABLA DE CARACTERÍSTICAS TÉCNICAS GARANTIZADAS DE LAS TAPAS
| N° | CARACTERÍSTICAS | OFERTADO | |
| 1 | Normas de Fabricación y pruebas | ||
| 2 | Dimensiones | Diámetro externo (mm) | |
| Alto (mm) | |||
| 3 | Dimensiones de la cadena | ||
| 4 | Materia Prima | Tipo de fundición | |
| La fundición cumple con las características químicas del numeral 8.3 (Si / No) | |||
| Tipo y material de la varilla | |||
| Dimensiones de la varilla | |||
| Numero de varillas de refuerzo incluidas | |||
| Material de la cadena | |||
| 5 | Resistencia del concreto (kg/cm² - psi) | ||
| 6 | Posee marcación ( si / no, describir) | ||
| 7 | el valor de pruebas de recepción requeridas en el presente documento se encuentra incluido en la oferta (Si / No) | ||
| RESULTADO DE EVALUACIÓN TÉCNICA | |||
| 8 | Certificación del sistema de calidad del fabricante | Ente acreditador | |
| Número de acreditación | |||
| Fecha de expedición | |||
| Vigencia | |||
| Adjunta el certificado (Si/No) | |||
| 9 | Certificación de producto con norma técnica | Entidad acreditadora | |
| Número de acreditación | |||
| Fecha de aprobación (Día/Mes/Año) | |||
| Vigencia | |||
| Norma técnica con la cual se certifica | |||
| Adjunta el certificado (Si/No) | |||
| RESULTADO DE EVALUACIÓN REGULATORIA | |||
| 10 | Observaciones | ||
ANEXO 2
FIGURA 1 - Marco Metálico para Tapas Tipo Vías Vehiculares, sistema de seguridad por anclaje con cadena

FIGURA 2 - Marco para tapa de inspección de 63 cm para vías vehiculares

Notas:
- Dimensiones en mm, excepto donde se indique algo diferente.
FIGURA 3 - Tapa de inspección de 63 cm para vías vehiculares

Notas
- La varillas de Ø 1/2'' van soldadas entre sí y a la fundición.
- Marcación en alto relieve: "PROPIEDAD DE CONDENSA. PELIGRO ALTA TENSIÓN", y la identificación del fabricante.
- La fundición será de hierro gris o nodular, las superficies en contacto con el concreto serán rugosas.
- El concreto será 4000 PSI, relación 1:2:2 de cemento, arena y grava.
- Dimensiones en mm, excepto donde se indique algo diferente.
FIGURA 4 - Placa de identificación de las tapas ( CS278-2)

Notas
- Dimensiones en mm, excepto donde se indique algo diferente.
* Para las compras efectuadas directamente por Enel Colombia.
FIGURA 5 - Marco para tapa de inspección de 67 cm

Nota
- Dimensiones en mm.
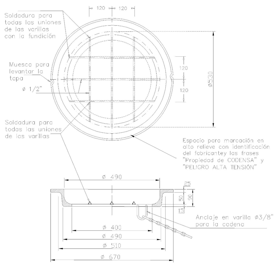
FIGURA 6 - Tapa de inspección de 67 cm

Nota
- Dimensiones en mm, excepto donde se indique algo diferente.
DATOS ADICIONALES
Revisión #
8
Fecha de entrada en vigencia
Actividad de los usuarios
Para hacer comentarios debe iniciar sesión o registrarse aquí